EasyManua.ls Logo

Panasonic PAPAMY1702034CE - Refrigeration Cycle Diagram

Panasonic PAPAMY1702034CE
104 pages
To Next Page IconTo Next Page
To Next Page IconTo Next Page
To Previous Page IconTo Previous Page
To Previous Page IconTo Previous Page
Loading...
26
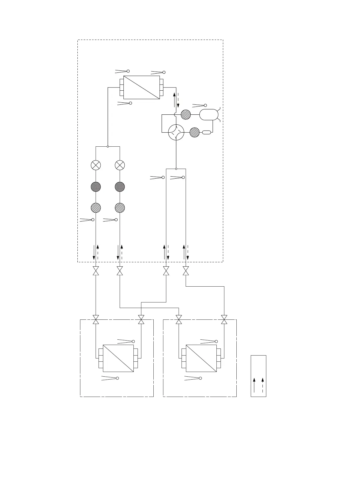
5. Refrigeration Cycle Diagram
INDOOR A
OUTDOOR
LIQUID SIDE
4-WAYS VALVE
LIQUID PIPE
TEMP. SENSOR
LIQUID PIPE
TEMP. SENSOR
GAS PIPE
TEMP. SENSOR
STRAINER
ACCUMULATOR
TANK
TEMP.
SENSOR
COMPRESSOR
DEFROST
TEMP.
SENSOR
OUTDOOR AIR
TEMP.
SENSOR
CONDENSER
TEMP.
SENSOR
GAS PIPE
TEMP. SENSOR
EXPANSION
VALVE
MUFFLER
MUFFLER
EXPANSION
VALVE
3-WAY VALVE
GAS SIDE
3-WAY VALVE
HEAT
EXCHANGER
(EVAPORATOR)
INTAKE
TEMP.
SENSOR
PIPE
TEMP.
SENSOR
INDOOR B
LIQUID SIDE
3-WAY VALVE
GAS SIDE
3-WAY VALVE
COOLING
HEATING
HEAT
EXCHANGER
(EVAPORATOR)
INTAKE
TEMP.
SENSOR
PIPE
TEMP.
SENSOR
STRAINER
STRAINER
STRAINER

Table of Contents

Related product manuals