EasyManua.ls Logo

Panasonic PAPAMY1702034CE - Wiring Connection Diagram

Panasonic PAPAMY1702034CE
104 pages
To Next Page IconTo Next Page
To Next Page IconTo Next Page
To Previous Page IconTo Previous Page
To Previous Page IconTo Previous Page
Loading...
28
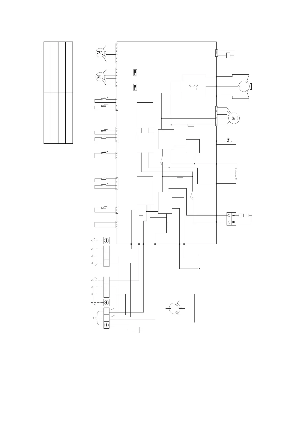
7. Wiring Connection Diagram
Resistance of Compressor Windings
CONNECTION
U - V
U - W
V - W
1.897
1.907
1.882
9RD132XAC21 (Ω)
ELECTRONIC CONTROLLER
(MAIN)
REMARKS:
BLACK; (BLK)
WHITE; (WHT)
YELLOW; (YLW/YEL)
GREEN; (GRN)
ORANGE; (ORG)
YELLOW/GREEN; (YLW/GRN)
BLUE; (BLU)
RED; (RED)
GRAY; (GRY)
BROWN; (BRW)
1
LN
23 123
TO INDOOR UNIT A
SINGLE PHASE
POWER SUPPLY
WHT
WHT
BLK
BRW
BLK
BLK
WHT
RED
DATA 2
(BROWN)
CN-EV1 (WHITE)
161614 1
3
15 14
CN-EV2 (YELLOW)CN-TH1(WHITE) CN-TH2(BLUE) CN-TH3(WHITE) CN-TH4(RED)
SW-DEW
SW-COOLING
AIR TEMP. SENSOR
(THERMISTOR)
HEAT EXCHANGER
TEMP. SENSOR (THERMISTOR)
DEFROST TEMP. SENSOR
(THERMISTOR)
LIQUID PIPE TEMP. SENSOR
(UNIT A) (THERMISTOR)
LIQUID PIPE TEMP. SENSOR
(UNIT B) (THERMISTOR)
GAS PIPE TEMP. SENSOR
(UNIT A) (THERMISTOR)
GAS PIPE TEMP. SENSOR
(UNIT B) (THERMISTOR)
t
t
t
1
3
CN-TANK
(WHITE)
WHT
TANK TEMP. SENSOR
(THERMISTOR)
t
1
3
CN-DEMAND
CN-HEAT
(WHITE)
t
t
t
t
DATA 1
(RED)
COMMUNICATION
CIRCUIT
RECTIFICATION
CIRCUIT
RECTIFICATION
CIRCUIT
PFC
CIRCUIT
N
U
(RED)
U
(BLUE)
V
(YELLOW)
W
Q23
VW
P
SWITCHING POWER
SUPPLY CIRCUIT
NOISE FILTER
CIRCUIT
AC-WHT
(WHITE)
AC-BLK
(BLACK)
FUSE3
25A 250V
FUSE2
T2.5A L250V
FUSE1
T3.15A L250V
HT1(ORANGE)
HT2(ORANGE)
FG1
(GREEN)
RY-HT
RY-PWR
GRY
GRN
GRN
GRY
RED
RED
RED
RED
BLK
WHT
BLU
BLU
YLW
YLW
FG2
(GREEN)
L1-I
(GRAY)
L1-O
(GRAY)
CN-HOT
(WHITE)
CN-FM1
(WHITE)
1
1
4
7
3
REACTOR
FAN MOTOR
COMPRESSOR
M S
3 ~
ELECTRO-MAGNETIC COIL
(4-WAY VALVE)
CONNECTOR
(YLW)
ORG
ORG
HEATER
YELLOW (YEL)
OR T (W)
RED (RED)
OR R (U)
TRADE MARK
THE PARENTHESIZED
LETTERS IS INDICATED
ON TERMINAL COVER.
COMPRESSOR TERMINAL
BLUE (BLU)
OR S (V)
TERMINAL BOARD
TERMINAL BOARD
TERMINAL BOARD
UNIT A
ELECTRO-MAGNETIC
COIL
UNIT B
ELECTRO-MAGNETIC
COIL
YLW/GRN
TO INDOOR UNIT B
PSW1
(RED)
PSW2
(RED)
HIGH PRESSURE SW.

Table of Contents

Related product manuals