EasyManua.ls Logo

Panasonic PAPAMY1702034CE - Electronic Circuit Diagram

Panasonic PAPAMY1702034CE
104 pages
To Next Page IconTo Next Page
To Next Page IconTo Next Page
To Previous Page IconTo Previous Page
To Previous Page IconTo Previous Page
Loading...
29
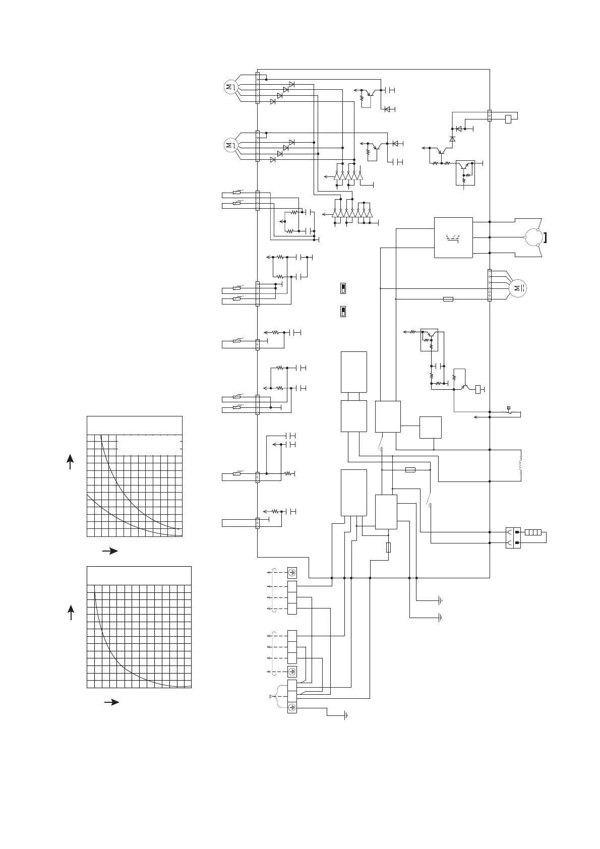
8. Electronic Circuit Diagram
0
10
20
20 40 60 80 100 120 140
30
40
50
60
70
Temperature (°C)
Resistance (kΩ)
Compressor Temp. Sensor
(Thermistor) Charateristics
0
10
-10 10 20 30 40 500
20
30
40
50
60
70
Temperature (°C)
Resistance (kΩ)
Sensor (Thermistor)
Characteristics
Outdoor Air Sensor
Outdoor Heat Exchanger
Sensor
ELECTRONIC CONTROLLER
(MAIN)
1
LN
23 123
TO INDOOR UNIT A
SINGLE PHASE
POWER SUPPLY
WHT
WHT
BLK
BRW
BLK
BLK
WHT
RED
DATA 2
(BROWN)
CN-EV1
(WHITE)
161614 1
3
15 14
CN-EV2
(YELLOW)
CN-TH1
(WHITE)
CN-TH2
(BLUE)
CN-TH3
(WHITE)
CN-TH4
(RED)
SW-DEW
SW-COOLING
AIR TEMP. SENSOR
(THERMISTOR)
HEAT EXCHANGER
TEMP. SENSOR (THERMISTOR)
DEFROST TEMP. SENSOR
(THERMISTOR)
LIQUID PIPE TEMP. SENSOR
(UNIT A) (THERMISTOR)
LIQUID PIPE TEMP. SENSOR
(UNIT B) (THERMISTOR)
GAS PIPE TEMP. SENSOR
(UNIT A) (THERMISTOR)
GAS PIPE TEMP. SENSOR
(UNIT B) (THERMISTOR)
t
t
t
1
3
CN-TANK
(WHITE)
WHT
TANK TEMP. SENSOR
(THERMISTOR)
t
1
3
CN-DEMAND
CN-HEAT
(WHITE)
t
t
t
t
DATA 1
(RED)
COMMUNICATION
CIRCUIT
RECTIFICATION
CIRCUIT
RECTIFICATION
CIRCUIT
PFC
CIRCUIT
N
U
(RED)
U
(BLUE)
V
(YELLOW)
W
Q23
VW
P
SWITCHING POWER
SUPPLY CIRCUIT
NOISE FILTER
CIRCUIT
AC-WHT
(WHITE)
AC-BLK
(BLACK)
FUSE3
25A 250V
FUSE2
T2.5A L250V
FUSE1
T3.15A L250V
HT1(ORANGE)
HT2(ORANGE)
FG1
(GREEN)
RY-HT
RY-PWR
GRY
GRN
GRN
GRY
RED
RED
RED
RED
BLK
WHT
BLU
BLU
YLW
YLW
FG2
(GREEN)
L1-I
(GRAY)
L1-O
(GRAY)
CN-HOT
(WHITE)
CN-FM1
(WHITE)
1
1
4
7
3
REACTOR
FAN MOTOR
COMPRESSOR
M S
3 ~
ELECTRO-MAGNETIC COIL
(4-WAY VALVE)
CONNECTOR
(YLW)
ORG
ORG
HEATER
TERMINAL BOARD
TERMINAL BOARD
TERMINAL BOARD
UNIT A
ELECTRO-MAGNETIC
COIL
UNIT B
ELECTRO-MAGNETIC
COIL
YLW/GRN
TO INDOOR UNIT B
PSW1
(RED)
PSW2
(RED)
HIGH PRESSURE SW.
1
IC23
VCC
2
3
4
5
6
7
16
15
14
13
12
11
10
8
GND
G2
9
IC23
IC23
IC23
IC23
IC23
IC23
13V
13V
1
IC24
VCC
2
3
4
7
16
15
14
13
10
G2
9
IC24
IC24
IC24
IC24
D136
D137
D139
D140
D129
D130
D132
D133
Q31
C202
E
C
B
13V
R314
G2
Q30
D145
E
C
B
13V
R312
G2
D146
G2
C201
G2
C199
*R315
*R316
C200
G5
5V
5V
C118
G5
G5
C117
R131R129
5V
C113
R118
G5
G5
G5
C110
R116
G5
5V
C108
R115
G5
5V
C106
G5
G5
R113 C106
G5
G5
R55
C36
G5
5V
G2
*D143
*D142
*Q28
*R224
E
C
B
4V
*R225
C
4.7k
10k
E
B
G2
13V
5V
10k
Q34
Q32
RY-PWR
C
E
C207
R402
R403
4.7k
G6
G6
E
C
B

Table of Contents

Related product manuals