EasyManua.ls Logo

Panasonic PT-VX505NU - System Control

Panasonic PT-VX505NU
133 pages
Print Icon
To Next Page IconTo Next Page
To Next Page IconTo Next Page
To Previous Page IconTo Previous Page
To Previous Page IconTo Previous Page
Loading...
-67-
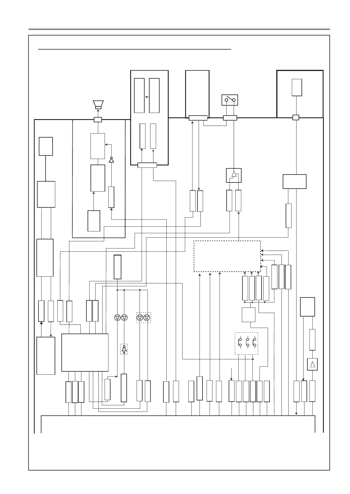
Chassis Block Diagrams
IC7801
POWER
LAMP BALLAST
AUDIO AMP
IC001
TPA3111D1
IC5001
AUDIO-CONTOL
<TLV320AIC3105>
R/C
RECEIVER
POWER SUPPLY
P. F. CONTROL
SP901
SPEAKER
MUTE
LAMP_DC_ON
R/C
MAIN
IC9882
INVERTER
<TC7WH14FU>
3
4
ON:H
Power ON:H
POWER_SW
Power ON:H
P. Fail:L
8
6
2
1
1
Mute On:H
Mute On:H
Power On:L
L/R
VOLUME
LAMP_SCI
FAN_ERR
PIC_TEMP_LED
P_FAIL
215
FAN-SW2
91
FAN-SW3
111
FAN_SW1
268
Power On:H
LAMP_DC_ON
89
CHO_TXD
CHO_RXD
MUTE
KEY1
344
28
KEY2
126
POW_KEY
R/C_PW
SCL1/SDA1
285
214
RXD_PW
368
12
10
TXD_PW
124
211,294
SCL2/SDA2
290,208
SCL0/SDA0
293,212
FAN_CONT_A
373
FAN_CONT_B
30
IC301
SCALER
D6835
Q5035
ON:H
D6831
D6833
Q6846
LAMP REPLACE
TEMP WARNING
POWER
IC9886
K8R K6R
K8S
K8H
4
5
1
K8D K29D
A2901
8
FAN
CONTROL
CIRCUIT
KEY SWITCH
SCL3
2
1
K8F
1
3
FAN_CONT_C
128
PW_MASTER_SDO
201
PIC_LAMP_LED
PIC_READY_LED
PIC_POWER_LED
PW_MASTER_SDI
110
19
20
8, 9
22
21
12
15
5
23
PW_MASTER_SCK
11
7
9
10
IC9885
SUB CPU
<MB95F353EPFT>
TXD_MCI
72
RXD_MCI
73
38
MIITXD{3-0}
MIIRXD{3-0}
118
IC3801
RS-232C
DRIVE
RJ-45
R/C
POWER_KEY
POWER_SW
S3.3V_MCU
2
1
IC3802
SERIAL_TXD
SW901
LAMP
COVER
SWITCH
IC3804
IC3803
IC8306
LAN DRIVER
11
SDA3
AV BOARD
16
FAN_CONT_G
FAN_CONT_F
FAN_CONT_E
FAN_CONT_D
SCLO_5V
SDAO_5V
IC1802
I/O EXPANDER
IC8010
MCI
System control

Table of Contents

Related product manuals