EasyManua.ls Logo

Panasonic PT-VX505NU - Lamp Control

Panasonic PT-VX505NU
133 pages
Print Icon
To Next Page IconTo Next Page
To Next Page IconTo Next Page
To Previous Page IconTo Previous Page
To Previous Page IconTo Previous Page
Loading...
-68-
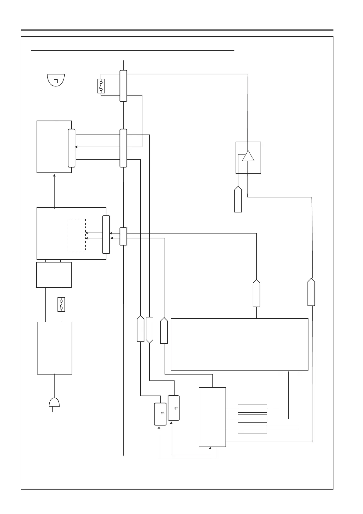
Chassis Block Diagrams
IC301
SCALER
<PW190>
IC9885
SUB CPU
<MB95F353EPFT>
LAMP
LP900
AC
SW902
THERMAL FUSE
AC 1st
FILTER
A901
LAMP
BALLAST
SW901
LAMP COVER-SW
89
21245
1
K8R
K6R
K8H K8S
POWER-ON:H
MAIN
POWER
Power
Control
79
10
IC9886
1
4
2
FAN_ERR
PW_MASTER_SDO
PW_MASTER_SDI
PW_MASTER_SCK
LAMP_DC_ON
201
110
11
CHO_TXD
AC 2nd
FILTER
Bu er
IC3803
19
Bu er
IC3804
20
LAMP_SCI
11
CHO_RXD
POWER_SW
5
2
Lamp control

Table of Contents

Related product manuals