EasyManua.ls Logo

Panasonic PT-VX505NU - Power Supply & Protection Circuit

Panasonic PT-VX505NU
133 pages
Print Icon
To Next Page IconTo Next Page
To Next Page IconTo Next Page
To Previous Page IconTo Previous Page
To Previous Page IconTo Previous Page
Loading...
-70-
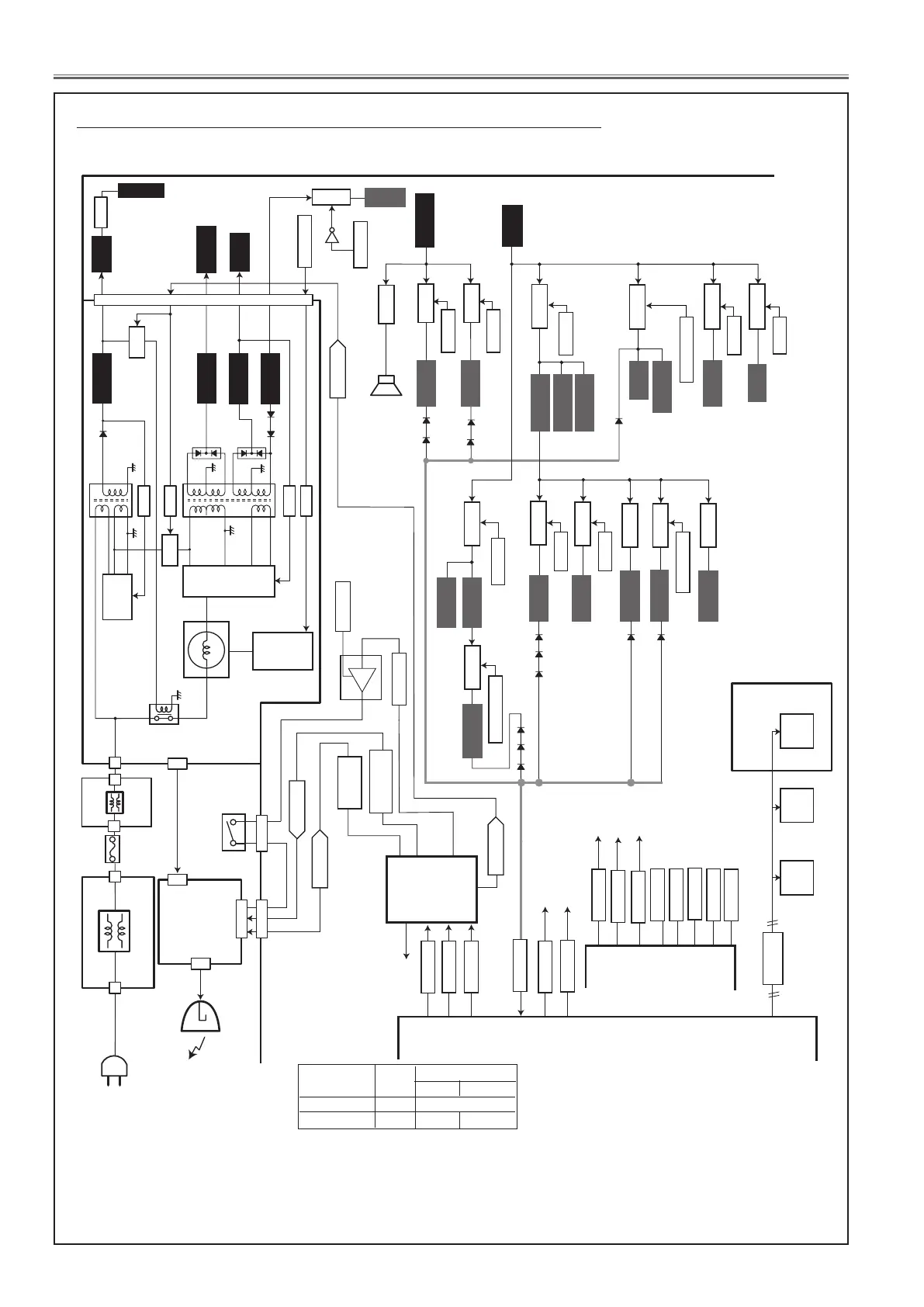
Chassis Block Diagrams
IC301
SCALER
<PW190>
P_FAIL
ON_3.3V
ON_16.5V
IC1802
i/o EXPANDER
S6V
D5624/D5623/D5622
AC 1st FILTER
LAMP
BALLAST
245
5
4
2
CN2
K8H
12
K8S
K6E
CN1
K6D
K6A
LAMP
AC CORD
K6RK8R
POWER
R/C
MAIN
IC682
P.F.CONTROL
<FA5502M>
6
1
1
3
3
2
2
4
4
5
9
9
7
11
7
8
10
T651
D682
D681
D683
D614
D687
4
PC601
Power-On:H
Power-On:H
Power-On:H
Power-On:H
Power-On:H
LAMP_SW
(Power-On:L)
P-Fail:L
PC602
PC603
IC604
POWER OSC.
IC603
S6V
S-7V
LAMP_DC_ON
S6V
S16.5V
IC8831
TEMP. SENSOR C
<
ADT75BRMZ
>
(LAMP) (PANEL) (ROOM)
IC8821
TEMP. SENSOR B
<
ADT75BRMZ
>
IC8811
TEMP. SENSOR A
<
ADT75BRMZ
>
215
91
363
Power-On:H
ON_1.8V
89
10
201
110
11
19
20
11
7
9
Power-On:H
ON_-7V
5
293,212
SCL0
SDA0
IC9885
SUB CPU
MB95F353EP
SW901
S2.5V_PW
IC5841
1.8V_DDR
IC441
ON_-7V
K601
RL602
Thermal
fuse
Lamp Cover SW
D8094/D8093/D8092
PW_MASTER-SDO
PW_MASTER-SDI
PW_MASTER-SCK
LAMP_DC_ON
CHO_RXD
CHO_TXD
IC9886
FA N_ERR
1
2
4
LAMP_SCI
Q5700
POWER_SW
5
IC8081
S3.3VSI
S1.2VSI
POWER_SW1
POWER_SW1
PC604
P-On: H
P-On: H
Q5701
STATUS ON STAND BY
SIGNAL ECO NETWORK
LAMP_DC_ON H L
POWER_SW H L H
12
15
6
10
5VSTB
IC5831
3.3V_MCU
97
92
S3.3V_IRIS
FT_G_SNE2
17
POWER_SW1
IC7100
IC5602
ON_-7V
3.3V_GAM
P_FAIL
S5V
S5V_IRIS
POW_GAM_3.3V
IC592
IC582
15.25A_SW
IC001
K8F
SW902
AC 2nd FILT ER
K6C
K6B
98
5V_IRIS
2
POW_GAM_1.0V
3
POW_GAM_2.5V
4
POW_GAM_3.3V
POW_GAM_1.0V
D591D592
D582
D583
3.3V_D
D411
D413
D412
P_FAIL
P_FAIL
P_FAIL
P_FAIL
IC3804
Buer
IC3803
Buer
5V_IRIS
ON_1.8V
ON_1.8V
IC431
2.5V_GAM
POW_GAM_2.5V
5
5
7,8
3
1
2
POWER_SW
S16.5V
15.25P_SW
15.25V_A
15.25V_P
IC411
IC8091
IC5821
S3.3V
S3.3VA_PW
S3.3VD_PW
IC5861
S1.8V
S1.8V_PW
IC421
Q613
1.0V_GAM
S-7V
T652
10
11
7
6
4
2
1
12
13
S16V
5VSTB
Q609
Power supply & protection circuit

Table of Contents

Related product manuals