EasyManua.ls Logo

Panasonic PT-VX505NU - Page 82

Panasonic PT-VX505NU
133 pages
Print Icon
To Next Page IconTo Next Page
To Next Page IconTo Next Page
To Previous Page IconTo Previous Page
To Previous Page IconTo Previous Page
Loading...
-82-
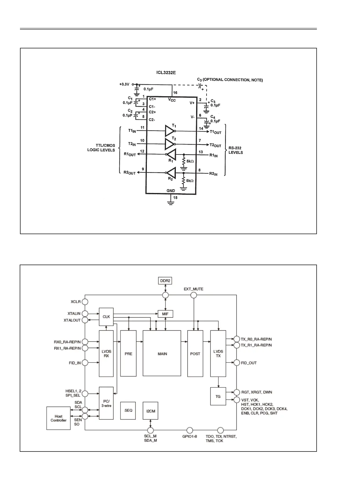
IC Block Diagrams
IC Block Diagrams
ICL3232ECV <RS-232C driver, IC3801>
CXD3551GG(E)<GAMMA, IC501>

Table of Contents

Related product manuals