EasyManua.ls Logo

Panasonic PT-VX505NU - Page 84

Panasonic PT-VX505NU
133 pages
Print Icon
To Next Page IconTo Next Page
To Next Page IconTo Next Page
To Previous Page IconTo Previous Page
To Previous Page IconTo Previous Page
Loading...
-84-
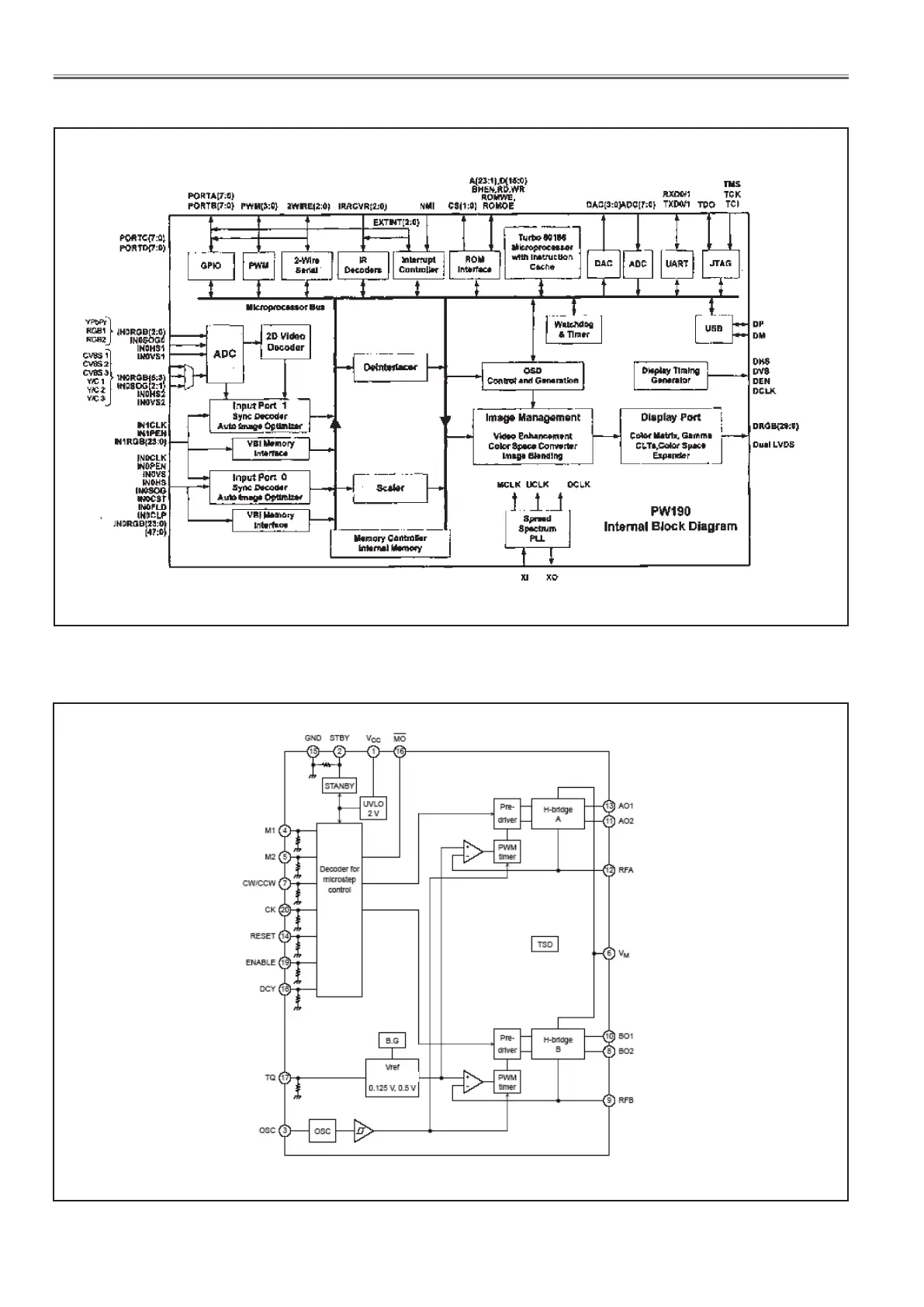
IC Block Diagrams
PW190 <Scaler, IC301>
TB6608FNG <IRIS Driver, IC601>

Table of Contents

Related product manuals