EasyManua.ls Logo

Panasonic SA-AK240E - Page 72

Panasonic SA-AK240E
104 pages
Print Icon
To Next Page IconTo Next Page
To Next Page IconTo Next Page
To Previous Page IconTo Previous Page
To Previous Page IconTo Previous Page
Loading...
K5101
B0EAKM000122
W5501
0
B0EAKM000122
B0EAKM000122
D5129
C5158
0.01
R5131
2.2K
R5144
12
C5111
6.3V100
R5130
150
+VCC1
+VCC2
-VCC1
-VCC2
ACIN
SUB+B
AC GND
AC GND
DGND
TO
TRANSFORMER
CIRCUIT
(CN5950) ON
SCHEMATC
DIAGRAM-5
2
4
6
8
9
7
5
3
1
C5112
25V10
D5108
B0BA5R700008
D5128
D5128,D5124,D5123
D5124 D5123
R5135
2.2
R5136
2.2
R5137
2.2
R5133
10K
C5159
0.01
Q5113
R5134
1.2K
Q5114
R5132
330
C5113
50V33
D5109
B0BA01100004
D5125
B0AAFK000004
CN5102
TO
MAIN
CIRCUIT
(CN2809)
ON
SCHEMATIC
DIAGRAM-3
1
2
3
4
5
6
7
8
9
10
11
12
F_HOP
T_GND
MODE
+15V
HI_L
HI_R
LO_L
LO_R
FAN
A GND
A_GND
F_HOP
T_GND
MODE
HI_L
HI_R
LO_L
W5506
0
LO_R
A_GND
R5147
2.2
R5123
4.7
E5102
K4CZ01000027
C5101
35V1000
R5125
0
W5509
0
R5126
1K
R5127
470
C5110
25V100
C5109
25V100
D5152
B0BA01900005
R5152
0
Q5101
Q5103
Q5104
Q5110
D5107
B0BA01500003
C5157
0.01
C5151
100P
D5101
B0BA01100004
D5102
B0BA02600018
R5101
10K
R5114
1.8
C5114
0.1
C5102
100V10
R5103
10K
C5103
100V10
C5107
0.1
C5187
0.1
C5186
0.1
C5106
0.1
R5317
10K
C5171
50V1000
C5172
50V1000
D5122
B0EAKM000122
B0EAKM000122
D5121
C5104
35V1000
C5153
100P
Q5102
Q5108
D5105
D5104
B0BA02400029
B0BA01100004
D5103
B0BA3R900006
R5110
2.2K
R5109
1K
R5108
47
R5107
560
C5152
0.1
R5105
10K
C5115
0.1
R5106
22K
R5313
150K
R5413
100K
C5155
1000P
C5105
10V220
R5111
100K
R5150
220K
D5126
B0ACCK000005
JK5101
SPEAKER
R+
R-
L+
L-
2
4
3
1
R5514
0
C5205
0.1
R5206
1M
R5205
100K
R5207
6.8K
C5202
100P
C5203
100P
C5201
470P
R5203
10K
R5201
1K
R5204
100K
R5202
100K
R5210
270
C5210
220P
R5209
10
C5208
6.3V680
C5204
100P
X5201
H2A415300001
X5202
H2A375300003
Q5202
Q5201
C5701
6.3V100
F_HOP
AGND
AGND
IC5201
C0JBAB000011
LOGIC
114
2
3
4
5
13
12
11
10
69
8
7




C5327
0.68
R5305
22
22
R5306
L5301
G0C220Z00002
C5324
0.68
C5333
220P
C5331
220P
C5325
0.1
C5326
0
C5328
0.1
C5329
0
R5307
10
R5308
10
C5339
0.47
R5303
5.6K
R5304
5.6K
C5340
0.47
C5336
1000P
C5305
330P
C5301
0.47
R5301
5.6K
R5302
5.6K
C5303
0.47
C5337
1000P
C5302
330P
2
3
1
4
HL_R
LQ_R
AGND
AGND
MO
D
AG
N
C5330
220P
C5332
220P
C5123
35V1000
C5124
35V1000
L5101
J0JKB0000037
L5102
J0JKB0000037
R5112
47K
W5505
0
R5113
47K
CN5103
TO
MAIN
CIRCUIT
(CN2808)
ON
SCHEMATIC
DIAGRAM-3
1
2
3
4
5
6
7
8
9
10
11
12
PGND
FLGND
DGND
PCONT
CD8V
NC
STANDBY
12V
15V
-3V
SW5V
DC_DET
E5103
K4CZ01000027
E5101
K4CZ01000027
R5122
0
Q5201
B1ABCF000176
FREQUENCY HOPPING
SWITCH
Q5202
B1ADCF000063
FREQUENCY HOPPING
SWITCH
Q5115
B1AAKD000014
5.7 REGULATOR
Q5114
B1ABCF000176
11V REGULATOR
Q5112
B1BCCG000002
CURRENT STABLISER
Q5111
B1BACG000023
+15V REGULATOR
Q5103,Q5104
B1ABCF000176
FAN ON/OFF SWITCH
Q5113
B1GDCFNA0001
CURRENT LIMITER SWITCH
Q5109
2SB0709AHL
VOLTAGE REGULATOR
Q5110
B1AACF000064
26V REGULATOR
Q5101,Q5102
B1CEGM000001
CURRENT CONTROL SWITCH
Q5108
B1ABCF000176
SWITCH
H5104/W5104
W5504
0
W5507
0
W5508
0
C5335
0.015
C5435
0.015
C5343
0.015
R5151
150K
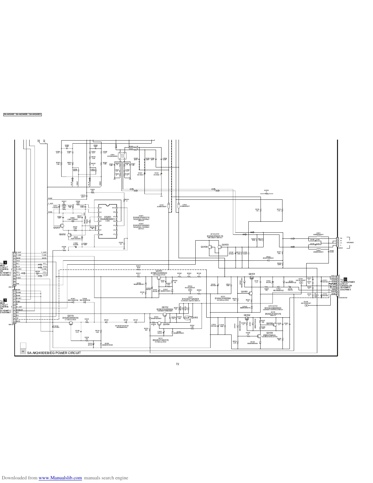
SA-AK240E/EB/EG POWER CIRCUIT
2/2
VCC
6A
6Y
5A
5Y
4A
4Y
1A
2A
1Y
2Y
3A
3Y
GND
L5601
G0B9R5K00001
L5602
G0B9R5K00001
SA-AK240E / SA-AK240EB / SA-AK240EG
72

Table of Contents

Related product manuals