EasyManua.ls Logo

Panasonic SA-PM31P - 15 Block Diagram; CD Servo Block

Panasonic SA-PM31P
122 pages
Print Icon
To Next Page IconTo Next Page
To Next Page IconTo Next Page
To Previous Page IconTo Previous Page
To Previous Page IconTo Previous Page
Loading...
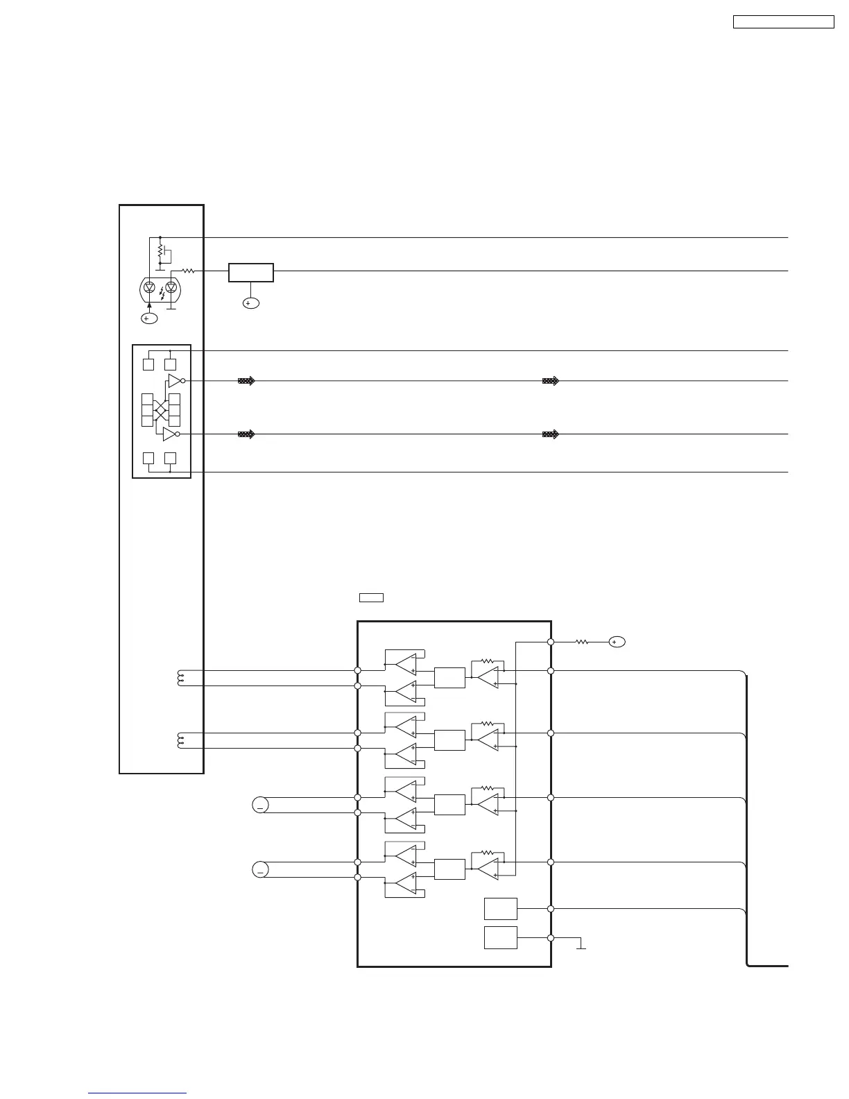
15.1. CD Servo Block
15 Block Diagram
MUTE
[CH1]
LEVEL
SHIFT
[CH3]
LEVEL
SHIFT
[CH4]
LEVEL
SHIFT
[CH2]
LEVEL
SHIFT
[CH1]
MUTE
[CH2]
IC703
BA5948FPE2
4CH DRIVE
IN4
27
TRP
IN3
28
FOP
IN2
1
TVD
IN1
3
ECS
PC2
2
VREF
26
D4-
17
D4+
18
D3-
15
D3+
16
D2+
14
D2-
13
M701
TRAVERSE
MOTOR
D1+
12
D1-
11
M702
SPINDLE
MOTOR
B
EE EE
EFEF
D C
A B
D C
FOCUS
COIL
TRACKING
COIL
T+
OPTICAL PICKUP
PHOTO DETECTOR
SEMICONDUCTOR
LASER
F+
F-
T-
Q701
LASER
POWER DRIVE
B
PC1
4
PC
B
M
M
63
SA-PM31P / SA-PM31PC

Table of Contents

Related product manuals