EasyManua.ls Logo

Panasonic SA-PM31P - Transformer Circuit

Panasonic SA-PM31P
122 pages
Print Icon
To Next Page IconTo Next Page
To Next Page IconTo Next Page
To Previous Page IconTo Previous Page
To Previous Page IconTo Previous Page
Loading...
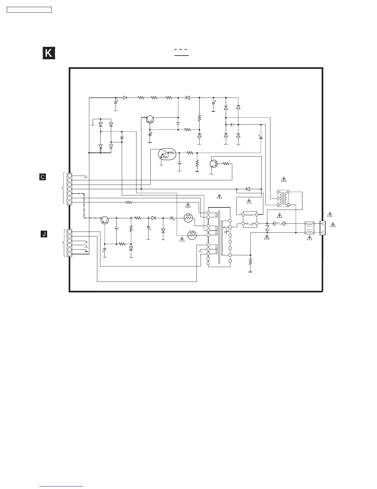
17.6. Transformer Circuit
C575
50V4.7
D580
B0EAKM000117
D579
B0EAKM000117
C578
0.01
D585
B0EAKM000117
D586
B0EAKM000117
C584
16V1000
R583
820
D581
B0EAKM000117
R584
150
C580
0.01
D582
B0BA6R600008
R585
22
R581
18
R580
18
D578
B0EAKM000117
C585
25V100
D584,D587,D588,D589
B0EAKM000117
D587
D589
D588
C582
0.1
Q577
2SC3940ARA
REGULATOR
C581
10V47
Q578
KRC102MTA
SWITCH
C583
0.01
R576
10K
R577
10K
Q575
B1AAGC000006
ECONOMY SWITCH
R578
3.3K
D505
B0AACK000004
RL501
K6B1ADA00011
Z501
ERZVA5Z471
L503
G0B371HA0005
R503
3.3M
Q579
2SB0621AHA
-VP REGULATOR
C586
100V10
C548
0.01
R586
150
R587
4.7K
R589
4.7
D592
B0EAKM000117
C588
63V100
D593
B0EAKM000117
C587
63V100
D594
B0BA03000015
FP501
K5G402A00025
FP502
K5G102A00023
Q575
D584
GND2
PCONT
SYNC
SYS6V
-VP
FL2
FL1
S3
S4
GND1
GND1
GND2
SUB+B
Q578
SYS6V
F1 125V 2.0A
FC2 FC1
R595
1
TO
MAIN CONTROL
CIRCUIT (H606)
ON SCHEMATIC
DIAGRAM-8
TO
POWER CIRCUIT
(CN506) ON
SCHEMATIC
DIAGRAM-13
: +B SIGNAL LINE
: -B SIGNAL LINE
CN505
H503/
JW503
T502
G4C2AAD00004
TRANSFORMER CIRCUIT
SCHEMATIC DIAGRAM-14
JK501
AC IN
120V 60Hz
2
4
6
7
5
3
1
2
4
6
5
3
1
T501
G4C6BDD00003
3
4
2
1
3
5
1
2
3
4
1
2
17
16
15
14
13
12
11
10
9
8
7
6
5
4
3
2
1
4
84
SA-PM31P / SA-PM31PC

Table of Contents

Related product manuals