EasyManua.ls Logo

Panasonic SA-UX100E - Main (DAMP) Circuit Diagram

Panasonic SA-UX100E
24 pages
Print Icon
To Next Page IconTo Next Page
To Next Page IconTo Next Page
To Previous Page IconTo Previous Page
To Previous Page IconTo Previous Page
Loading...
16
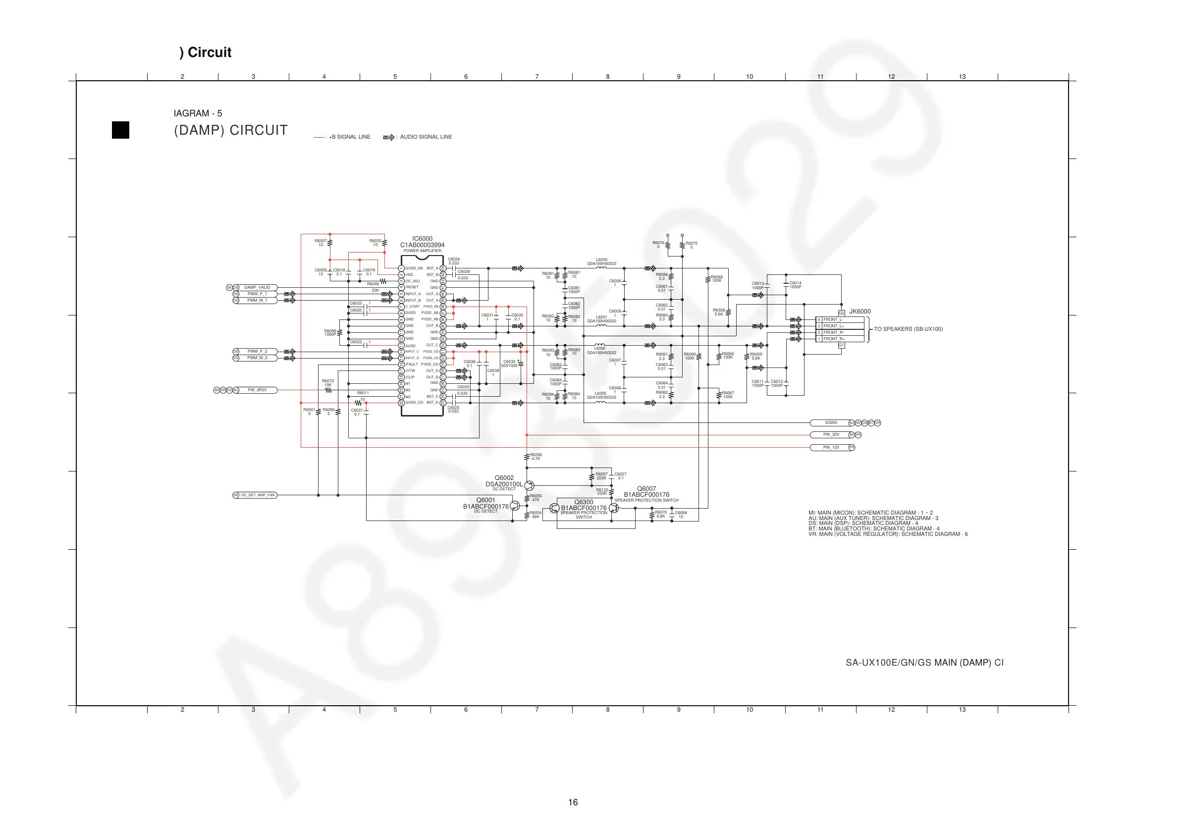
6.4. Main (DAMP) Circuit
A
1
2 3 4 5 6 7 8 9 10 11 12 13 14
1 2 3 4 5 6 7 8 9 10 11 12 13 14
C
D
B
E
G
H
F
A
C
D
B
E
G
H
F
A
MAIN (DAMP) CIRCUIT
SCHEMATIC DIAGRAM - 5
SA-UX100E/GN/GS MAIN (DAMP) CIRCUIT
: +B SIGNAL LINE
TO SPEAKERS (SB-UX100)
MI: MAIN (MICON): SCHEMATIC DIAGRAM - 1 ~ 2
AU: MAIN (AUX TUNER): SCHEMATIC DIAGRAM - 3
DS: MAIN (DSP): SCHEMATIC DIAGRAM - 4
BT: MAIN (BLUETOOTH): SCHEMATIC DIAGRAM - 4
VR: MAIN (VOLTAGE REGULATOR): SCHEMATIC DIAGRAM - 6
: AUDIO SIGNAL LINE
1
G1
3
4
2
G2
JK6000
PW_12V
PW_32V
MI
VR
VR
AU MI DS BT VR
R6046
22K
1C6022
1C6020
R6050
10
R6007
10
0.1
C6019C6018
0.1
1C6023
10
R6011
0.1
C6021
4.7K
R6056
PWM_P_2
C6005
10
DAMP_VALID
DSMI
MI
DS
DS
AUDSVRMI
DS
DS
PWM_M_1
PWM_P_1
R6072
10K
0
R6001
0
R6090
PW_3R3V
DC_DET_AMP_FAN
PWM_M_2
DSA200100L
Q6002
47K
R6055
DGND
R6132
220K
R6069
100K
R6308
5.6K
R6309
5.6K
R6066
100K
C6063
R6061
100K
R6067
0.1
C6036
L6002
C6035
50V1000
C6062
R6060
3.3
G0A100H00032
G0A100H00032
G0A100H00032
L6001
C6032
0.1
L6000
G0A100H00032
C6061
0.01
0.01
R6058
3.3
100K
R6068
0.033
C6024
C6028
0.033
C6027
0.1
R6062
3.3
3.3
0.033
C6025
L6005
C6064
0.01
0.01
0.033
C6030
21
43
11 910
34 3635
12
33
6745
3938 4140
8
3723
22 20 18 16 14 13151719
31 32282625 27 3029
21
24
3
42 44
POWER AMPLIFIER
IC6000
C1AB00003994
R6057
220K
Q6007
B1ABCF000176
R6070
6.8K
56K
R6054
Q6300
B1ABCF000176
Q6001
B1ABCF000176
DC DETECT
SPEAKER PROTECTION SWITCH
SPEAKER PROTECTION
SWITCH
DC DETECT
10
C6068
FRONT_L-
FRONT_R+
FRONT_L+
FRONT_R-
GND
GND
M1
/CLIP OUT_D
M2
BST_C
OUT_A
GND
OUT_B
GND
BST_B
BST_A
OUT_A
GND
OUT_D
GND
OUT_C
/RESET
VDD
OC_ADJ
GVDD_AB
/FAULT
/OTW
INPUT_B
GND
GND
DVDD
GND
GND
C_START
INPUT_A
INPUT_D
AVDD
INPUT_C
PVDD_CD
PVDD_AB
PVDD_AB
PVDD_AB
PVDD_CD
PVDD_CD
BST_D
M3
GVDD_CD
C6039
1
C6031
1
C6009
1
C6006
1
C6008
1
C6007
1
1000P
C6012C6011
1000P
C6014
1000P
C6013
1000P
R6099
1000P
R6075
R6076
0
0
1000P
C6084
R6093
10
10
R6083
C6083
1000P
R6082
10
R6092
10
C6082
1000P
C6081
1000P
10
R6091
10
R6081
R6094
10
R6084
10

Related product manuals