EasyManua.ls Logo

Panasonic SA-VK825DEE - Page 93

Panasonic SA-VK825DEE
149 pages
Print Icon
To Next Page IconTo Next Page
To Next Page IconTo Next Page
To Previous Page IconTo Previous Page
To Previous Page IconTo Previous Page
Loading...
N
1
2
123
654
R2055
0
MIX_MUTE
MIX_L
MIX_R
KA_LIN
KA_RIN
TUN_R
TUN_L
AUX_R
AUX_L
PBR
PBL
+7.5V
FRONT_R
FRONT_L
-7.5V
SR
SL
CENT
EXT_L
EXT_R
SS_C
SS_S
SUBW
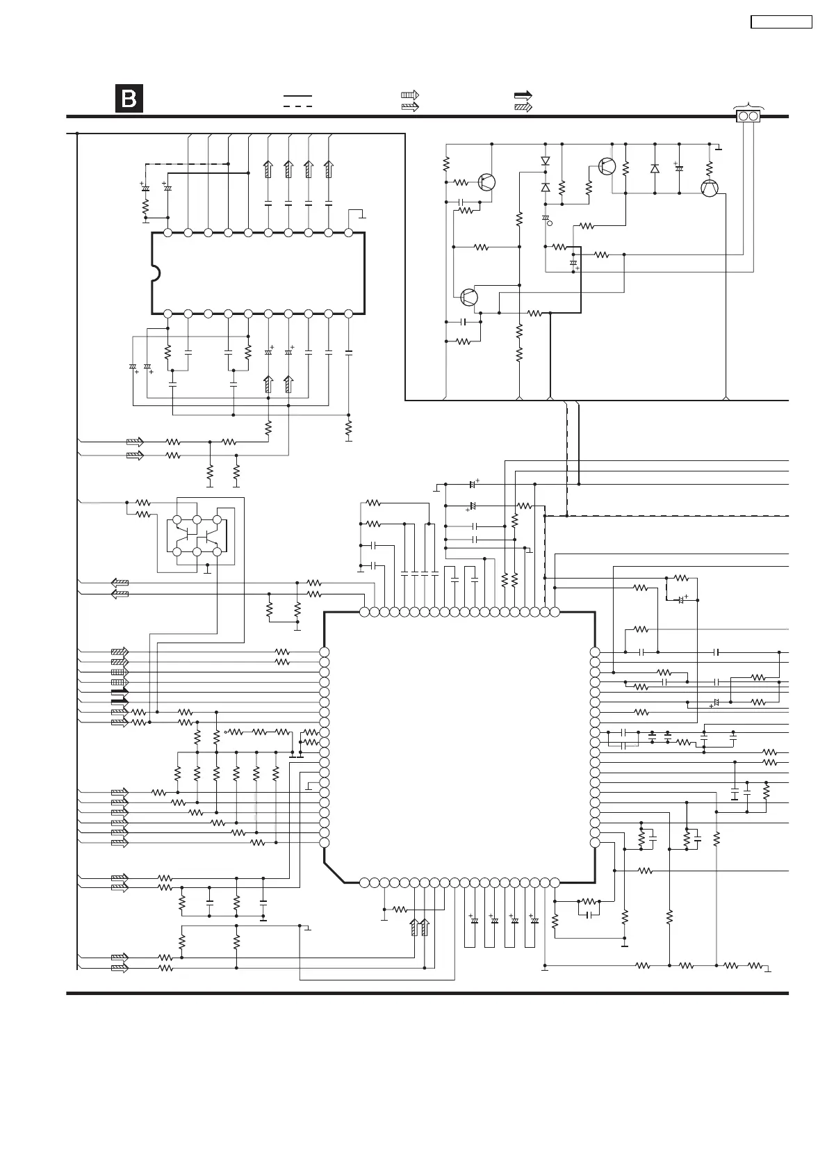
IC2812
C1BB00000845
ASP IC
R3630
3.3K
R3631
3.3K
Q2919
B1GFGCAA0001
MUTING SWITCH
R2204
6.8K
R2104
6.8K
R2203
3.3K
R2103
3.3K
R2130
8.2K
R2230
8.2K
R2213 10K
R2113 10K
R2056
0
R2998
0
R2200 1.8K
R2100 1.8K
C2117 0.22
R2608 15K
R2400 12K
R2101
18K
C2954
50V10
R2609
220K
C2225 0.039
R2300 12K
R2404
47K
R2603
10K
R2502
10K
C2944
0.01
C2304
10P
C2608 50V0.47
C2118
3900P
C2509 50V0.47
C2953
0.22
R2503
3.3K
R2057
0
R2558
47K
R2052
0
R2124 12K
R2600 10K
C2216 0.22
C2218
3900P
R2054
0
C2404
10P
R2205
18K
C2215
0.47
R2501
4.7K
R2222
68K
R2223 47K
R2401
4.7K
R2122
68K
R2601
6.8K
R2201
18K
C2116 0.22
R2505
10K
C2916
16V100
R2611
10K
C2311 50V0.47
R2604
33K
R2202
15K
C2123
0.033
C2223
0.033
C2217 0.22
C2963
10V47
C2947 1000P
R2058
0
R2303
2.2K
C2411 50V0.47
C2115
0.47
R2053
0
R2102
15K
C2948 1000P
R2302
10K
C2516
10P
R2117
3.3K
R2301
4.7K
R2084
0
R2614 68K
R2305
10K
R2304
47K
R2602
10K
C2201
220P
C2915 0.22
R2504
33K
C2124
0.039
R2217
3.3K
C2914
0.22
C2610
1000P
C2962
10V47
R2105
18K
C2101
1000P
R2224 12K
R2612 8.2K
R2605
3.3K
R2500 12K
R2405
10K
SS_DAT
SS_CLK
+7.5V
-7.5V
LINE_ROUT
LINE_LOUT
EXT_L
EXT_R
SS_S
SS_C
LIN
MICIN
LF
RSIN
LSIN
RCIN
LCIN
SF
RIN
RF
DGND
AGND
SOUT
ROUT
COUT
VCC
VEE
CLOCK
LOUT
DATA
IC2800
C1BB00000979
ANALOG SURROUND IC
C2114 10V1
C2857
16V10
R2091
0
C2140 0.082
C2138 16V10
C2238 16V10
R2139
12K
C2237 0.022
C2320 10V0.1
R2115
18K
R2239
12K
C2213
0.15
C2112 50V1
C2212 50V1
C2522 10V0.1
C2137 0.022
C2239
3300P
R2215
18K
C2858
16V10
C2139
3300P
C2214 10V1
C2113
0.15
R2116
22K
R2216
22K
SW5V
-9.0V
DCDET
FAN
C2991
16V10
R2069
0
D2918
B0ACCK000005
CN2816
Q2915
C2992
10V10
R2595
100K
R2459
3.3K
Q2914
2SD0592ARA
SWITCH
R2599
120K
D2919
R2594
10
R2067
0
C2988
0.01
R2460
2.2M
Q2913
R2598
10K
R2456
4.7K
R2455
1K
C2989
0.01
R2597
220K
R2457
4.7K
R2454
100K
R2070
0
D2917
Q2916
R2596
1.2K
C2990
16V100
R2453
100
D2917, D2919
B0ACCK000005
MAIN CIRCUIT
SCHEMATIC DIAGRAM - 14
TO
BOTTOM
FAN
: -B SIGNAL LINE
: +B SIGNAL LINE
: MAIN SIGNAL LINE
: AUX SIGNAL LINE
: TAPE PLAYBACK SIGNAL LINE
: FM/AM SIGNAL LINE
Q2913
2SD0601AHL
DETECT SWITCH
Q2915
2SB0709AHL
FAN MOTOR DRIVE
Q2916
2SB0709AHL
FAN MOTOR DRIVE
R2155
12K
R2254
12K
R3626
1K
R3627
1K
R3640 0
R3641 0
W2099
0
W2096
0
W2095
0
W2091 0
W2090 0
C3621
0.056
C3622
0.056
C3620 0.056
1
2
19
20
3
18
4
17
5
16
6
15
7
14
8
13
9
12
10
11
1
2
34
5
6
7
8
9
21
22
23
24
25
26
27
28
29
52
53
54
55
56
57
58
59
60
72
73
74
75
76
77
78
79
80
10
51
30
71
11
50
31
70
12
49
13
48
32
69
33
68
14
47
15
46
16
45
34
67
35
66
36
65
17
44
18
43
19
42
20
41
37
64
38
63
39
62
40
61
93
SA-VK825DEE

Table of Contents