EasyManua.ls Logo

Panasonic SB-PF310 - Page 61

Panasonic SB-PF310
68 pages
Print Icon
To Next Page IconTo Next Page
To Next Page IconTo Next Page
To Previous Page IconTo Previous Page
To Previous Page IconTo Previous Page
Loading...
C2HBZG000007
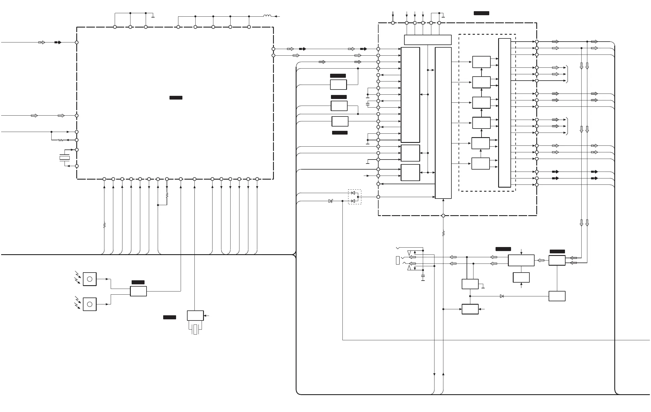
IC401
AUDIO DSP
XI
XO
X401
(24.576MHz)
SA-DT310(E,EB,EG,EE) BLOCK DIAGRAM
23
SDI1
22
SDI0
17
SDO1
21
16
SDO0
19
20
SDIN3
SDIN1
SDIN2
2
MCLK IN
62
XTL OUT
XTL IN
DBSPD
MS
PLL FLT OUT
PLL FLT RET
SCLK
LRCK
MCLKOUT
DEM SEL1
DEM SEL2
63
17
30
4
5
23
24
22
29
28
CLOCK
PLL
AND
SERIAL
DATA
I/F
SIGNAL
PROCESSING
SERIAL
CONTROL
I/F
AUTO MUTE DE-EMPHASIS
SOFT VOLUME ERROR RECOVERY
SOFT MUTE CLIP DETECT
RESET
PWR DWN
AND
STATUS
SDA
SCL
CSO
/RST
/PDN
/CLIP
/MUTE
/ERR RCVY
13
14
15
9
12
18
11
10
POWER SUPPLY
3
+B7
AVDD
PLL
48
DVDD
RCL
45
DVDD
PWM
44
DVSS
PWM
47
DVSS
RCL
OUTPUT CONTROL
PWM CH.
PWM CH.
PWM CH.
PWM CH.
PWM CH.
PWM CH.
PWM
SECTION
PWM AP 1
PWM AM 1
59
58
57
VALID 1
PWM AP 2
PWM AM 2
56
55
54
VALID 2
PWM AP 3
PWM AM 3
53
52
51
VALID 3
PWM AP 4
PWM AM 4
43
42
41
VALID 4
PWM AP 5
PWM AM 5
40
39
38
VALID 5
PWM AP 6
PWM AM 6
37
36
35
VALID 6
C0ZBZ0000763
IC1501
PWM PROCESSOR
AP1
AM1
AP3
AM3
Rch
Rch
AP5
AM5
VALID 1
VALID 3
VALID 5
AP6
AM6
VALID 6
INTER-
FACE
C0JBAA000149
IC1702
HEADPHONES
AMP
NJM4580MTE1
IC1701
MUTING
Q1702
MUTING
CONT.
MUTING
CONT.
Q1703
D1702,1703
Q1701
+B5
HP SW
MUTE
HEADPHONES
POWER
SUPPLY
Q1704
+B5
SCLK AD
AMP SDA
AMP SCL
AMP RESET
+B7
AND
GATE
LRCLK
C0JBAA000257
IC1504
AND
GATE
C0JBAA000257
IC1503
SCLK
MCLK AD
INVER-
TER
TC7SHU04FUTL
IC1502
MCLK
D1311
ERR RCVY
AMP SHUT
D1310
SD SURR
99
98
14
LRCKA
/RST
1
DSP RST
/MICS
3
MICS
/MILP
4
MILP
/MIDIO
5
MIDIO
/MICK
6
MICK
MIACK
7
MIACK
13,35,
49,62,
81
VSS
BCKA
15
SCLK
BCKOA
26
LRCKOA
25
24,53,
71
VDD
+B7
27,28,
32,33
/TEST0~3
41
VDDA
INTER-
FACE
OPT 1
OPT 2
C0JBAS000076
IC202
34
RX
PLON
42
PLON
CKI
45
INVER-
TER
TC7SHU04FUTL
IC405
X402
(23.552MHz)
CKO
47
MCLK
LOCK
48
LOCK
VDDD1
90
VDDX
100
PO0
82
RST DET
PO1
83
O DATA
PO2
84
STATUS
VSSD1
VSSA
9546
+B7 +B7
+B7
DVDD
+B7
25
-B2

Related product manuals