EasyManua.ls Logo

Panasonic SB-PF310 - Page 63

Panasonic SB-PF310
68 pages
Print Icon
To Next Page IconTo Next Page
To Next Page IconTo Next Page
To Previous Page IconTo Previous Page
To Previous Page IconTo Previous Page
Loading...
POWER TRANSFORMER
T801
POWER
TRANSFORMER
T802
D752~755
FL1
FL2
FL DISPLAY
(FL901)
POWERCNT
REGULATOR
AC INL801,802
Z801
RL801
Q751
F801
RELAY
DRIVE
Q711
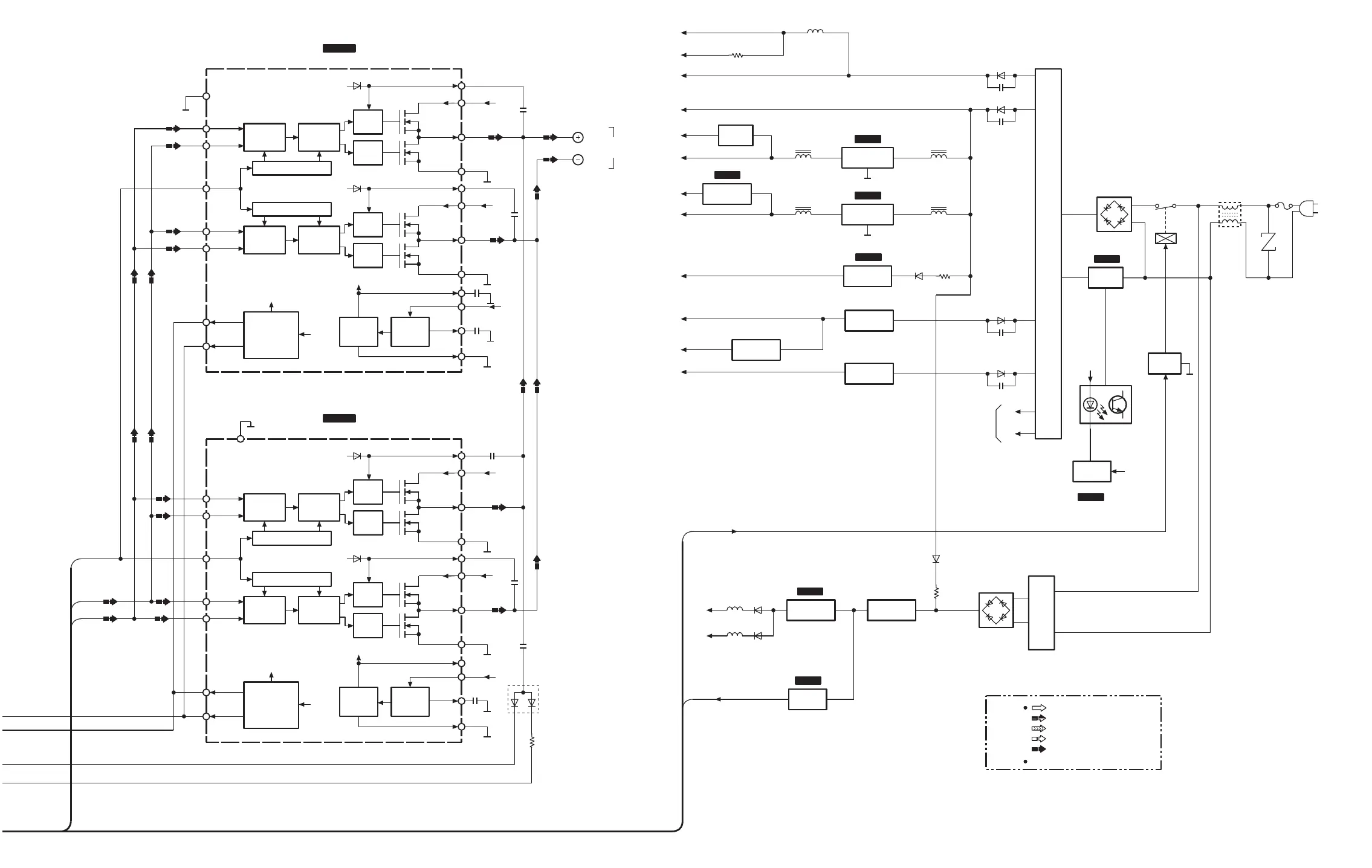
SA-DT310(E,EB,EG,EE) BLOCK DIAGRAM
PWM
RECEIVER
PVDD B
PWM AP
OUT B
25,31
26,27
28,29
16
SUB WOOFER
SPEAKER
TIMING
CONTROL
GATE
DRIVE
GATE
DRIVE
BST B
30
PVSS
GREG
PWM
RECEIVER
PVDD A
PWM BP
OUT A
18,24
22,23
20,21
1
TIMING
CONTROL
GATE
DRIVE
GATE
DRIVE
BST A
19
PVSS
GREG
PROTECTION A
PROTECTION A
/RESET
3
OT
UVP
PROTECTION
To PROTECTION
BLOCKS
/OTW
/SD
14
12
GREG
DREG GREG
GREG
GVDD
17,32
5
DREG RTN
4
DREG
DREG
7
+B11
+B11
PWM AM
15
PWM BM
2
C0ZBZ0000727
IC1004
DIGITAL AMPLIFIER
PWM
RECEIVER
PVDD B
PWM AP
OUT B
25,31
26,27
28,29
16
TIMING
CONTROL
GATE
DRIVE
GATE
DRIVE
BST B
30
PVSS
GREG
PWM
RECEIVER
PVDD A
PWM BP
OUT A
18,24
22,23
20,21
1
TIMING
CONTROL
GATE
DRIVE
GATE
DRIVE
BST A
19
PVSS
GREG
PROTECTION A
PROTECTION A
/RESET
3
OT
UVP
PROTECTION
To PROTECTION
BLOCKS
/OTW
/SD
14
12
GREG
DREG GREG
GREG
GVDD
17,32
5
DREG RTN
14
DREG
DREG
7
+B11
+B11
PWM AM
15
PWM BM
2
AP6
AM6
C0ZBZ0000727
IC1005
DIGITAL AMPLIFIER
VALID 6
D1306
+B1
+B1
D806
POWER
SUPPLY
C5HABZZ00111
IC801
DC IN
REGULATOR
C0CBACD00001
IC503
+B3
D502
+B4
D503
PC801
+B10
VOLTAGE
DET.
C0EBH0000275
IC702
C0EAS0000032
IC701
VOLTAGE
DET.
+B10
+B11
+B1
D709
+B10
D708
+B2
DC-DC
CONVERTER
PQ1CZ31H2ZP
IC704
+B9
DC-DC
CONVERTER
PQ1CZ31H2ZP
IC703
+B5
REGULATOR
C0CBADC00042
IC706
+B6
POWER
SUPPLY
Q752
+B7
REGULATOR
C0CBAHC00009
IC705
+B8
D714
D705
REGULATOR
Q709
-B1
REGULATOR
Q707
-B2
D704
REGULATOR
Q704
--VP
D719
DVSS
8,13
DVSS
8,13
NOTES : AUDIO SIGNAL LINE
: TUNER SIGNAL LINE
: SURROUND SP. SIGNAL LINE
: CENTER SP. SIGNAL LINE
: SUBWOOFER SIGNAL LINE
( ) indicates pin No. Right channel.

Related product manuals