EasyManua.ls Logo

Panasonic SC-HTB550GK

Panasonic SC-HTB550GK
154 pages
To Next Page IconTo Next Page
To Next Page IconTo Next Page
To Previous Page IconTo Previous Page
To Previous Page IconTo Previous Page
Loading...
85
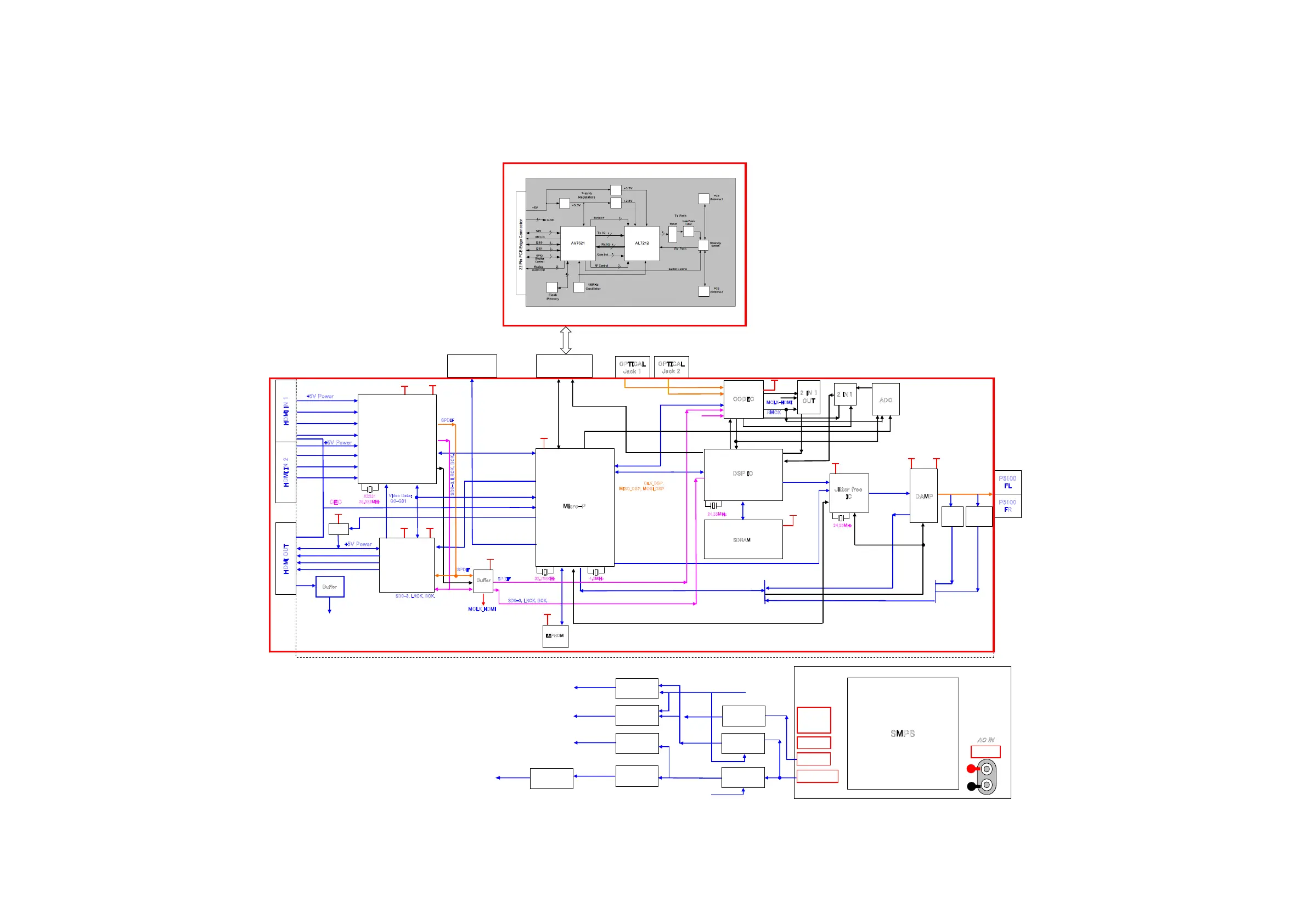
13 Overall Simplified Block
13.1. Overall Control Diagram
REG10V
HDMI Digital
Receiver Module
HDMI Digital
Transmitter Module
5GHz WL Digital
Transmitter Module
Connector
DAMP
S
D
R
AM
D
SP
I
C
C
O
DEC
HDMI IN 1HDMI OUT
Bu
ffe
r
M
icr
o
-P
CS_DSP, INTREQ_DSP,
BUSY_DSP, C
L
K
_
D
S
P,
M
ISO_
D
S
P
,
M
O
SI
_D
S
P
,
RESET_DSP,
LED_DATA, LED_CLK,
LED_OE, LED_LCK,
KEY2, KEY1, REMOTE
4
.
0
MH
z
P
5
1
00
F
L
P
5
1
00
F
R
2
4
.
5
5
MH
z
3
2
.
7
6
8
K
Hz
X
2
2
31
2
8.
3
22M
H
z
TMDS
TMDS
J
i
t
te
r
f
re
e
I
C
HDMI_1.8V
HDMI_1.8V
HDMI_3.3V
HDMI_3.3V
BK_3.3V
REG_3.3V
+3.3V
PVCC
(
28.5V/20V
)
REG_12.0V
REG_3.3V
2
4
.
5
5
M
H
z
EEP
ROM
BK_3.3V
OTW, SD, DC-DET, ECO-LEVEL
DSP_MUTE, DSP_NRST, Valid
CS_CODEC, RESET_CODEC,
INTREQ_CODEC
SD0-3, LRCK, BCK.
S
D
0
-3, L
RC
K
,
BC
K
,
S
D0-3, LRC
K
, BC
K
,
HPO
HPO
OPT IN 1
DDC
DDC
O
PT
I
CAL
J
ac
k 1
O
P
T
I
C
A
L
J
ac
k
2
C
EC
A
C
I
N
S
M
P
S
AC Inlet
ECO_CON
BK5V
PVCC:
+28.5V/20V
HDMI IN 2
TMDS
HPO
DDC
Ji
t
te
r
IC
HDMI_3.3V
+5V P
o
wer
+
5V Power
LDO
+
5V Power
V
i
de
o
Data:
Q0
-
Q31
S
PDI
F
SPD
IF
OPT IN 2
SP
D
IF
SPDIF
ARC
PWM_FL+/-
PWM_FR+/-
DC-
DET
CCT
ECO_Level
CCT
DC_DET
ECO-LEVEL
OTW, SD
A0-A9, DQ0-DQ15
DSP_SCLK,
DSP_LRCLK
DSP_SD1
Valid
DAP_I2C
2
I
N
1
O
U
T
A
D
C
ADC_MS-SL
ADC_PDN
ADC_MS-SL
ADC_PDN
OMCK
2
I
N
1
GP00
GP01
WL_DSP_SD2,
WL_DSP_SD3,
WL_DSP_SCLK
WL_DSP_LRCLK
WL_SSB
WL_SCL
WL_SDI
WL_SD0
WL_INT
WL_DET
(BASEBAND)
RF Transceiver
RF P.A.
MC
LK
_HDM
I
M
C
L
K
-
HDMI
R
M
CK
DSP_MCLK
SDTO
SDOUT
OLRCK
OSCLK
Bu
f
f
e
r
ARC
ARC
LED, Button,
Remote Sensor
CEC
TX_HPD, TX_INT, TX_RST,
HDMI_PCON
HDMI_I2C
RX0_5V, RX01_EDID_CK,
RX0_WRT_SEL,
RX01_EDID_DT
RX0_HPD, RX_INT, RX_RST,
DSP_MUTE
DSP_NRST
SW_STOP/
DC_DET/
SYNC
DC-DC CON
REG12V
LDO
REG1.8V
DC-DC CON
DC-DC CON
DC-DC CON
REG10V
LDO
BK_3.3
HDMI_1.8V
HDMI_3.3V
DC-DC CON
DC-DC CON
REG5V
REG3.3V
HDMI_PCON
P_CON
MCLK
Panasonic 5GHz Digital Receiver Module/Digital Transmitter Module Block Diagram

Table of Contents

Related product manuals