EasyManua.ls Logo

Panasonic SC-HTB550GK

Panasonic SC-HTB550GK
154 pages
To Next Page IconTo Next Page
To Next Page IconTo Next Page
To Previous Page IconTo Previous Page
To Previous Page IconTo Previous Page
Loading...
99
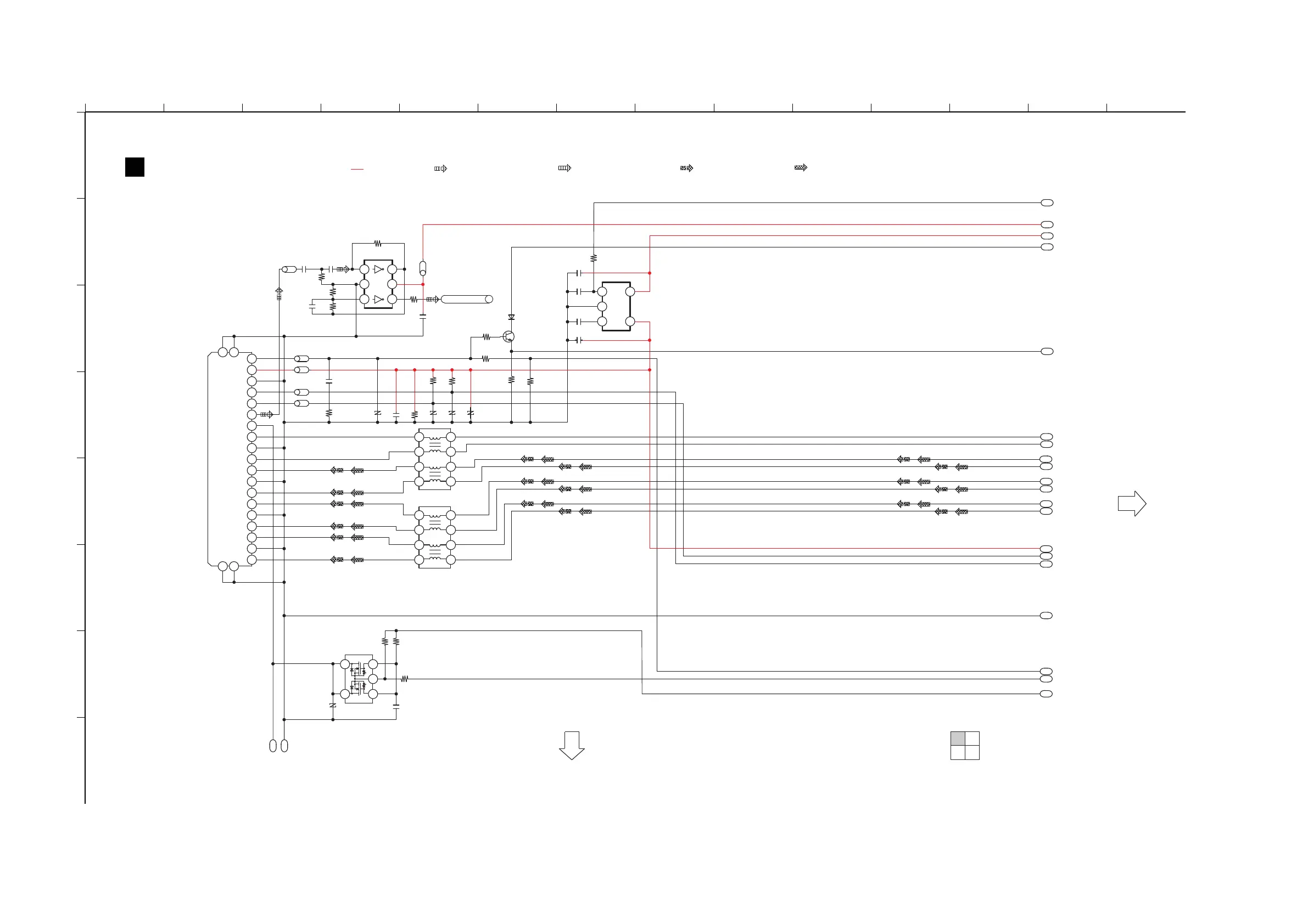
16.2. Main Unit (SU-HTB550)
16.2.1. MAIN (HDMI) CIRCUIT (1/4)
A
1
2 3 4 5 6 7 8 9 10 11 12 13 14
C
D
B
E
G
H
F
2/4
4/4
1/4
3/4
A
SC-HTB550GK/GS/GSX
(SU-HTB550GK/GS/GSX)
1
2
3
4
5
6
7
8
9
10
11
12
13
14
15
16
17
18
19
20
21
22
R2506
100K
51
R2503
C2505
0.1
R2505
27K
R2547
51
C2509
1
C2503
1
LB2501~LB2504
J0JCC0000119
LB2502
J0JCC0000119
LB2506
LB2503
LB2501
LB2504
D2501
B0JC0D000017
0.01
10K
R2521
100
R2526
1
Q2503
B1ABCF000079
HOTPLUG
SWITCH
R2525
10K
R2530
47K
C2506
10
ARC
VA2510
47K
R2507
1
C2508
6
8
7
5
2
1
4
3
L2501
J0ZZB0000148
R2512
VA2513
VA2511
1.8K
1.8K
R2511
VA2512
1
R2551
100
0.01
C2553
C2554
C2555
C2551
R2504 10K
C2504
0.1
100
R2510
3
1
2
4
6
5
IC2502
C0JBAB000986
DUAL INVERTER
LB2505
J0JHC0000078
G3 G4
G1
G2
5
3
4
7
9
8
6
1
2
10
13
15
17
19
18
16
14
11
12
JK2501
6
8
7
5
2
1
4
3
L2502
J0ZZB0000148
3
1
2
4
5
IC2503
C0CBCDD00004
+5V VOLTAGE REGULATOR
VA2509
R2517
220
C2510
0.1
R2508
27K
R2509
1K
3
1
2
4
5
Q2508
B1CFGD000002
CEC INTERFACE
DDC/CEC GND
+5V POWER
HOT PLUG
CLK GND
TMDS D0-
TMDS CLK+
DDC_SCL
HEAC+(ARC)
DDC_SDA
CEC
TMDS CLK-
TMDS D2+
TMDS D2-
D2 GND
2D 2G
TMDS D1-
TMDS D0+
D0 GND
TMDS D1+
D1 GND
1D 1G
S
GND
VCC
DP
NP
VIN
VOUT
VCONT
GND
: +B SIGNAL LINE
: HDMI AUDIO INPUT SIGNAL LINE
: AUDIO OUTPUT SIGNAL LINE
: VIDEO OUTPUT SIGNAL LINE
: HDMI VIDEO INPUT SIGNAL LINE
(TV (ARC))
HDMI AV OUT
HD: MAIN (HDMI) CIRCUIT: SCHEMATIC DIAGRAM - 1 ~ 4
CP: MAIN (CPU) CIRCUIT: SCHEMATIC DIAGRAM - 5 ~ 6
DP: MAIN (DSP) CIRCUIT: SCHEMATIC DIAGRAM - 7 ~ 8
TO MAIN (HDMI)
CIRCUIT (3/4)
TO MAIN (HDMI)
CIRCUIT (2/4)
MAIN (HDMI) CIRCUIT
MAIN (HDMI) CIRCUIT
SCHEMATIC DIAGRAM - 1

Table of Contents

Related product manuals