EasyManua.ls Logo

Panasonic TH-42PV8MSA - Block Diagram (3;5)

Panasonic TH-42PV8MSA
126 pages
Print Icon
To Next Page IconTo Next Page
To Next Page IconTo Next Page
To Previous Page IconTo Previous Page
To Previous Page IconTo Previous Page
Loading...
31
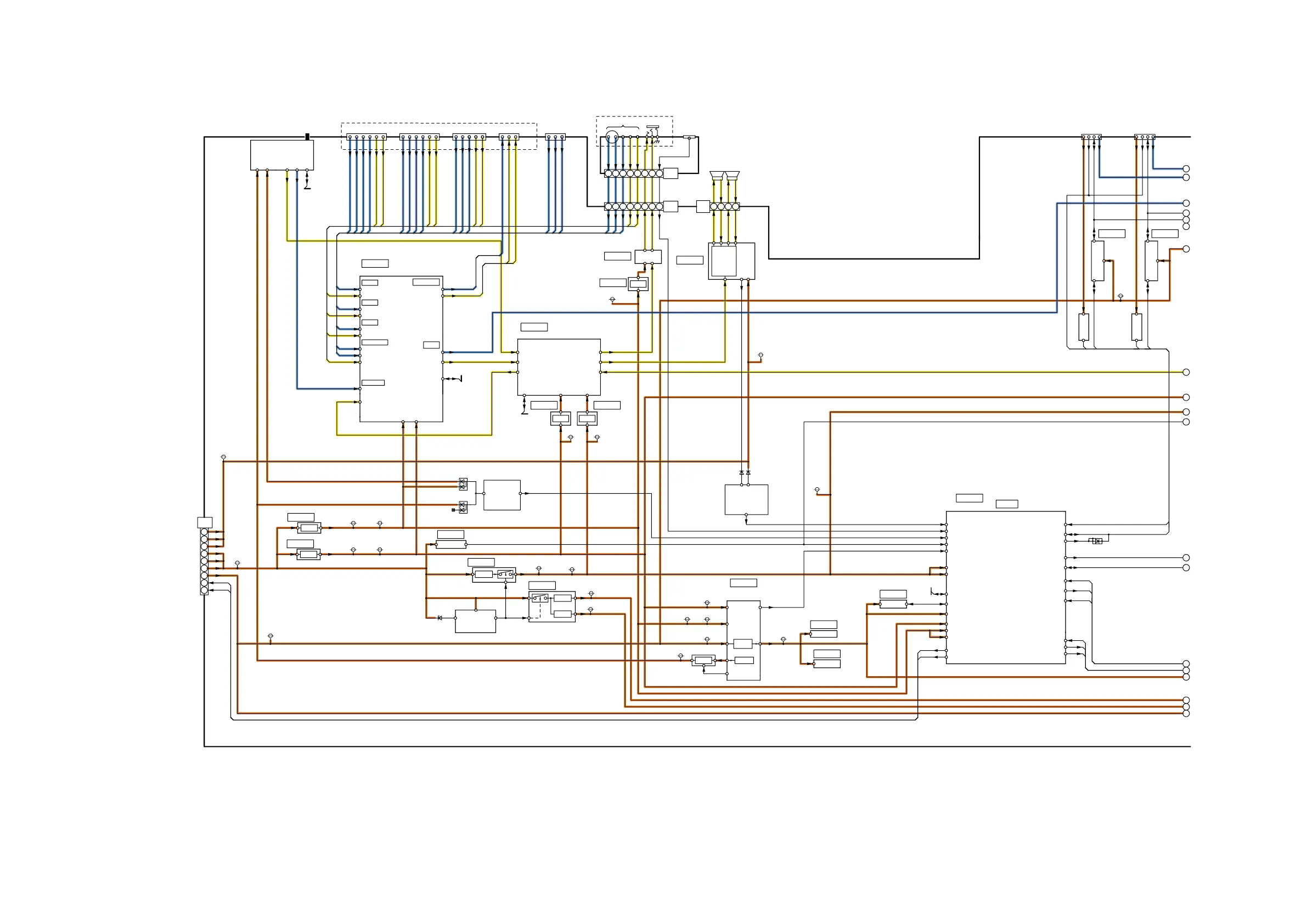
9.3. Block Diagram (3/5)
MAIN9V
SUB3.3VSUB5V
SOUND15V
STB5V
STB5V
F15V
MAIN9V
SUB5V
DTV9V
D5521
D5522
D5612
SUB3.3V
SUB1.8V
SUB1.2V
MAIN5V
MAIN3.3V
D2017
D2014
D1107
SUB3.3V
DTV9V
STB3.3V
STB5V
SUB5V
MAIN9V
BT30V
SOUND15V
AV1 AV2
AV1_V
AV1_Y
AV1_PB
AV1_PR
AV1_LIN
AV1_RIN
AV2_V
AV2_Y
AV2_PB
AV2_PR
AV2_LIN
AV2_RIN
A51
415
2
10 1
3
9326
4
G51
HEADPHONE
1
AV3_L
6
AV3_C
CONTROL
BUTTON
AV3_V
AV3
HP_L
10 15
AV3_Y
KEY1
HP_R
AV3_R
9
AV3
ROUT
V
Y
LOUT
C
LIN
RIN
PC IN
B
JK3001
G
R
IC3001
RF
AV SW
TV/DTV
AV1
V,R,G,B
L,R
V,Y,C,R,G,B
AV2
L,R
Y,PB,PR
COMP/PC
R,G,B
L,R
L,R
V, Y,C
AV3
L,R
VOUT
CVBS/S/YUV
/RGB(PC)
MAIN
TU8301
SUB+5V
SIF,AM
BT+30V
RF
Dig/Ana
Tuner
L,R
IC2106
AUDIO PROCESSOR
L,R
SIF,AM
TV_LR/DTV_LR
L,ROUT
HP L,R
IC2012
HP AMP
IC2013
L(+)
3
A12
2
SOS DET
R(-)
AUDIO AMP
1
+15V
4
IC2301
SPEAKER
OUT
R(+)
SPEAKER L,R
L(-)
SP L,R
IIC2
+3.3V
IC2008
+1.8V
IC2107
+1.8V
+3.3V
IIC2
PWM
HEADPHONE
HDMI Audio
+5V(HDMI)
HDMI_CEC
CEC
5V<->3.3V
DDC IIC
+5V(HDMI)
IC4514
DDC_IIC1
TMDS
IC4515
DDC_IIC0
CEC
LEVEL SHIFT
5V<->3.3V
+5V
DET2
LEVEL SHIFT
Q4503
DDC IIC
HDMI1
Q4502
TMDS
HDMI2
+5V
DET1
JK4500
JK4501
TUNER_SUB_ON
ECO_ON
STB5V
+15V_S
F+15V
F+15V
+15V_S
F+15V
+15V_S
1
2
3
10
P6, P7
A7
12
15
13
17
14
IC5401
IC5400
+5V
SUB+5V
+9V
SUB+9V
SHORT SOS
BT+30V
Q5522
Norm:Low
Ab:high
DTV+9V
SUB+5V
+1.8V
IC5600
IC5601
Norm:Low
Ab:high
Q5606,07
SUB+3.3V
F+15V DET
+1.2V
+3.3V
+5V
+9V +5V
IC5660
RESET
XRST
SOUND SOS
Q2022
SOS:Low
KEY1
PANEL STATUS
(READY)
XRST
PANEL STB_ON
HDMI_CEC_PU_ON
HDMI_CEC
IC1100
STANDBY_MPU
SOUND_SOS
STB+3.3V
IIC
PANEL SOS
(ARARM)
+5V(HDMI)
DET1,2,3
TUNER_SUB_ON
GenX5
SOS
ECO_ON
SUB3.3V_SENSE
MAIN3.3V_SENSE
SUB5V_SENSE
MAIN9V_SENSE
DTV_9V_SENSE
G_LED_ON
RMIN
R_LED_ON
EEPROM
IC1101
SBI2
SBO2
IIC3
IIC3
IIC_TUNER
STB_RST
IC1102
BUFFER
IC2403
STB3.3V
STB_RESET
STB
+3.3V
+9V
BT30V
Q2027
STB_RST
SD BOOT
IIC SW
IC4811
VOUT
MONITOR
MONITOR OUT
JK3100
JK3701
9
17
18
16
19
14
13
20
1
5
8
2
4
6
7
12
23
22
21
(LED:3 TIMES)
(+5.6V)
(LED:12 TIMES)
(LED:10 TIMES)
(LED:12 TIMES)
TH-42PV8DA/HA/HMA/MA/MRA/MSA/MTA
Block (3/5) Diagram
TH-42PV8DA/HA/HMA/MA/MRA/MSA/MTA
Block (3/5) Diagram

Related product manuals