EasyManua.ls Logo

Panasonic TH-80LFB70E - 8 Block Diagram; Main Block Diagram

Panasonic TH-80LFB70E
61 pages
To Next Page IconTo Next Page
To Next Page IconTo Next Page
To Previous Page IconTo Previous Page
To Previous Page IconTo Previous Page
Loading...
TH-80LFB70E
55
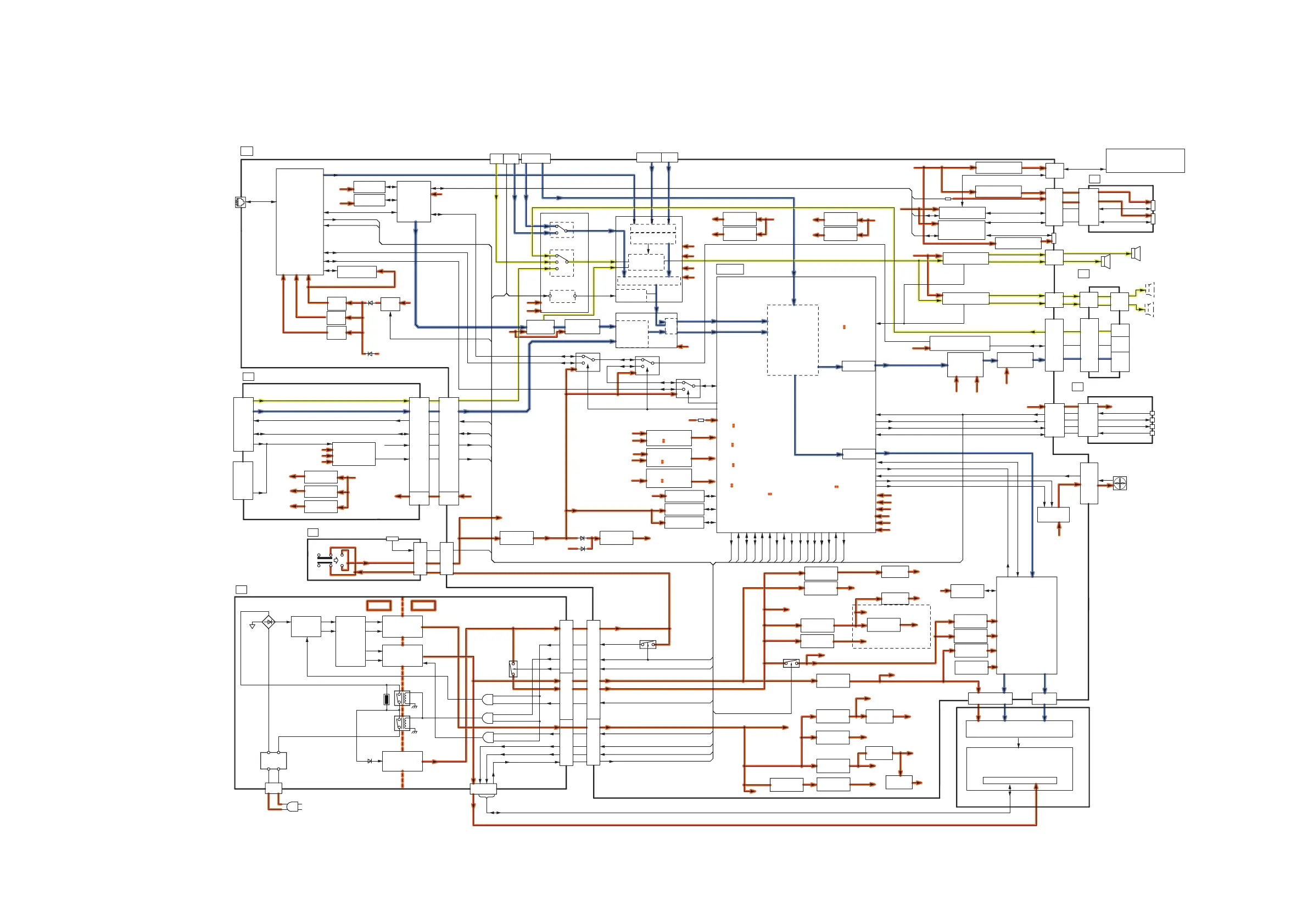
8 Block Diagram
8.1. Main Block Diagram
(LED 13TIMES)
COLD
(LED
4TIMES)
HOT
(LED
13TIMES)
(LED
2TIMES)
(LED
13TIMES)
(LED
4TIMES)
(LED:10TIMES)
(LED 1TIMES)
(LED 13TIMES)
(LED
13TIMES)
(LED 10TIMES)
HDBTMC_RXD
HDBTMC_TXD
**
STB5V/F3.3V
POWER LEDREMOTE RECEIVER
V1
LED_R
C.A.T.S.
SENSOR
C.A.T.S. SENSOR
V11
LED_G
REMOTE IN
RELAY_ON
STB3.3V
LDO
LAN TERMINAL
F1.2V
PANEL
FAN VOL.
CONTROL
SUB_SOS(A_SOS)
LIVE
LINE
FILTER
FRC_DONE
A3.3V
SW
DCR_VBR
LDO
BACK LIGHT
P3
P5
LDO
LVDS DATA
PANEL
OPERATION
BUTTON
STB3.3V
V22
STB3.3V
F3.3V
RELAY_ON
FAN SOS
STB5V
24V
STATUS
STB5V
MAIN_ON
P_STB5V
UART SW1
NEUTRAL
DCR_VBR
SUB_ON
PWR5V
A1
A15V
PNL12V_SOS
FRC_DONE
A+9V
PIXEL WORKS
ON
A22
IP CONV.
VIDEO
PROCESSOR
PANEL12V
SIGMA
PWR24V
A+5V
P4
CONTROL
BL_ON
POWER SUPPLY
DCDC
LAN3.3V
24V_ON
V2
POWER SW
LAN3.3V_ON/OFF
RXD/TXD
Ether
LAN DATA
1.1V
5V
FRC_XRST/OEBLK
PNL12V_SOS
UART SW3
SCX2A
POWER
CONTROL
A+9V
P1
LVDS TX
RECTIFIER
MAIN
CONVERTER
A2
PFC
CONTROL
LCD PANEL
UART_SEL1
LAN3.3V_ON/OFF
KEY_INPUT
HDBase-T/
A+3.3V
STANBY
CONVERTER
FAN
DCDC
DCDC
SUB
CONVERTER
F3.3V
A4
A+1.5V
A_SOS
P
RELAY_ON
HD,VD-PC
L,R
FRC_XRST/OEBLK
DCDC
9V
PANAL_SOS
PC
AUDIO IN
UART_SEL2
RELAY_ON
SUB_SOS
1.8V
P6
BL_ON
3.3V
PWR15V
A_SOS(A_SOS2)
P24_EN
KEY_INPUT
A DIGITAL SIGNAL PROCESSOR
F3.3V
R,G,B-PC
CONTROL PANEL
PWR5V
A7
HDBase T
Receiver
SUB_ON
DCR_VBR
PWR15V
A5
BL_ON
PWR24V
PWR15V
15V_ON/OFF
16V
HDMI1,2
DVI
L,R-DS
REMOTE_OUT
DS_SOS
DCDC
SLOT+9V
REMOTE_OUT
PWR+15V
A+9V
RTC_INT
SLOT1
DCDC
SLOT+9V
A10
SLOT+5V
DCDC
SLOT+5V
LVDS
RXD/TXD_TU
AUDIO IN
LVDS IN
DS_SOS
RXD/TXD_TU
AUDIO IN
DS SLOT INTERFACE
DS
13
SLOT+3.3V
DS2
SLOT2
SLOT SOS
A13
SLOT+3.3V
DS3
LVDS IN
SLOT SOS
DS10
A+5V
SUB5V/PWR15V
+3.3V
UART SW2
PANEL_SOS
24V_EN
SUB_ON
MAIN_ON
A11
PC OUT/RS232C
C.A.T.S. SENSOR
LED_G
STB5V/F3.3V
REMOTE IN
LED_R
SOUND15V
L+/-
R+/-
L+/-
SP AMP L/R
SPEAKER R
HX27
L+/-
A27
SPEAKER
R OUT
SPEAKER TERMINAL
L+/-
SPEAKER L
R+/-
R+/-
SP AMP L/R
SPEAKER
L OUT
HX
A17
R+/-
STB1.2V
+1.2V
A37
HX37
SUB5V
/PWR15V
RTC_INT
DS_SOS
(DS10)
V1(V11)
HDMI
DECODER
L,R-DS
SYNC
PROCESSOR
AUDIO SELECT
L/R
AUDIO
PROCESSOR
ASIC
SYNC
SIGNAL
OR
VIDEO PROCESSOR
HD/VD
LVDS
RECEIVER
TTL CONV.
HD,VD
HDMI SW
Y,PB,PR
VIDEO SELECT
VIDEO IN
V
Y,PB,PR
PC
L,R-PC
Touch Panel(IR)
RS232C
USB SW
USB HUB
PC
PC
PC
PC/DVI AUDIO IN
PC OUT
LVDS TX
FPGA
8bit D/A
TTL- LVDS
HDMI-RX
H1
USB
VBUS
H47
USB
USB TERMINAL
A47
FLASH
MEMORY
DDR3
FLASH
MEMORY
DDR3
EEPROM
Digital-Link
Digital-Link
LVDS DATA
DTV_OUT
PMS_RX/TX
HDBT232C_
RXD/TXD
STB1.2V
LDO
STB1.2V
HD,VD-PC
HDBTMC_RXD
HDBTMC_TXD
RXD/TXD_TU
5V_ON
5V_ON
SUB_ON
MAIN_ON
STB3.3V
+3.3V
STB5V
+5V
REMOTE_OUT
DCDC
PNL12V
SOUND15V
DCDC
1.8V
DCDC
1.0V
DCDC
3.3V
DCDC
1.0V
S1.0VLAN
NS3.3V
LDO
2.5V
S2.5VLAN
AUDIO_SOS
15V_SOS
LDO
3.3V
PNL3.3V
LDO
2.5V
FRC2.5V
FRC_1.8V
FRC1.0V
15V_ON/OFF
A+5V
F5V
DCDC
PWR15V
F5V
PNL12V
PNL12V
DCDC
FLASH
MEMORY
1.8V
STB3.3V
A+1.5V
A15V
SW
A+9V
A+5V
S1.0VLAN
S2.5VLAN
S3.3VLAN
F1.2V
F1.2V
DCDC
A1.2V
SW
A+1.2V
A+1.2V
A+3.3V
F1.2V
+1.2V
F3.3V
+3.3V
A57
USB
WiFi
WIRELESS
MODULE
HIGH SIDE SW
HIGH SIDE SW
F5V
HIGH SIDE SW
POWER FOR SIGMA
MII DATA
L,R-DS
S3.3VLAN
S1.5VLAN
LAN1.8V
LAN1.1V
LDO
1.8V
LDO
3.3V
LDO
3.3V
LDO
1.8V
S3.3VLAN
F5V
F3.3V
3.3V
3.3V
1.8V
1.8V
3.3V
3.3V
1.8V
1.8V
A+1.8V
A+3.3V
A+3.3V
PWR5V
F3.3V
RS232C
Receiver/Driver
STB3.3V
A+1.5V
+1.5V
FAN_ON/OFF
FAN_CONT
DDR2
FRC_1.8V
A+15V
A+1.8V
1.8V
LDO
3.3V
SW
S3.3VLAN
DCDC
1.5V
S1.5VLAN
A+1.5V
SW
A+1.5V
(LED 13TIMES)
COLD
(LED
4TIMES)
HOT
(LED
13TIMES)
(LED
2TIMES)
(LED
13TIMES)
(LED
4TIMES)
(LED:10TIMES)
(LED 1TIMES)
(LED 13TIMES)
(LED
13TIMES)
(LED 10TIMES)

Table of Contents

Other manuals for Panasonic TH-80LFB70E

Related product manuals