EasyManua.ls Logo

Panasonic TH-L32C4M - A Board - Sheet: 009 (2; 2)

Panasonic TH-L32C4M
76 pages
Print Icon
To Next Page IconTo Next Page
To Next Page IconTo Next Page
To Previous Page IconTo Previous Page
To Previous Page IconTo Previous Page
Loading...
TH-L32C4M
36
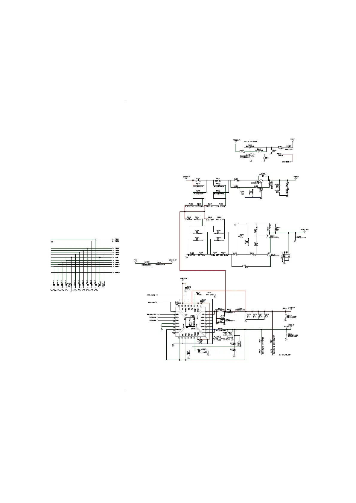
11.2.9. A Board - Sheet : 009 (2 / 2)

Table of Contents

Related product manuals