EasyManua.ls Logo

Panasonic TH-L32C4M - P-Board Schematics

Panasonic TH-L32C4M
76 pages
Print Icon
To Next Page IconTo Next Page
To Next Page IconTo Next Page
To Previous Page IconTo Previous Page
To Previous Page IconTo Previous Page
Loading...
TH-L32C4M
55
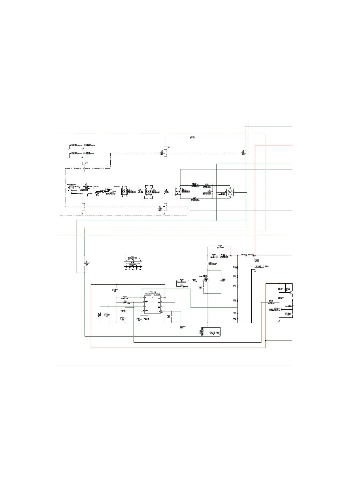
11.5. P Board
11.5.1. P Board (1 / 4)
<1A>
<3A>
<2A>

Table of Contents

Related product manuals