EasyManua.ls Logo

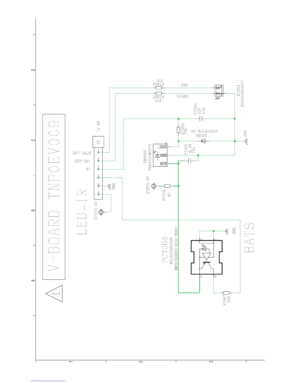
Panasonic TX-32LE7FA - V-Board Schematic Diagram

Panasonic TX-32LE7FA
43 pages
Print Icon
To Next Page IconTo Next Page
To Next Page IconTo Next Page
To Previous Page IconTo Previous Page
To Previous Page IconTo Previous Page
Loading...
39

Related product manuals