EasyManua.ls Logo

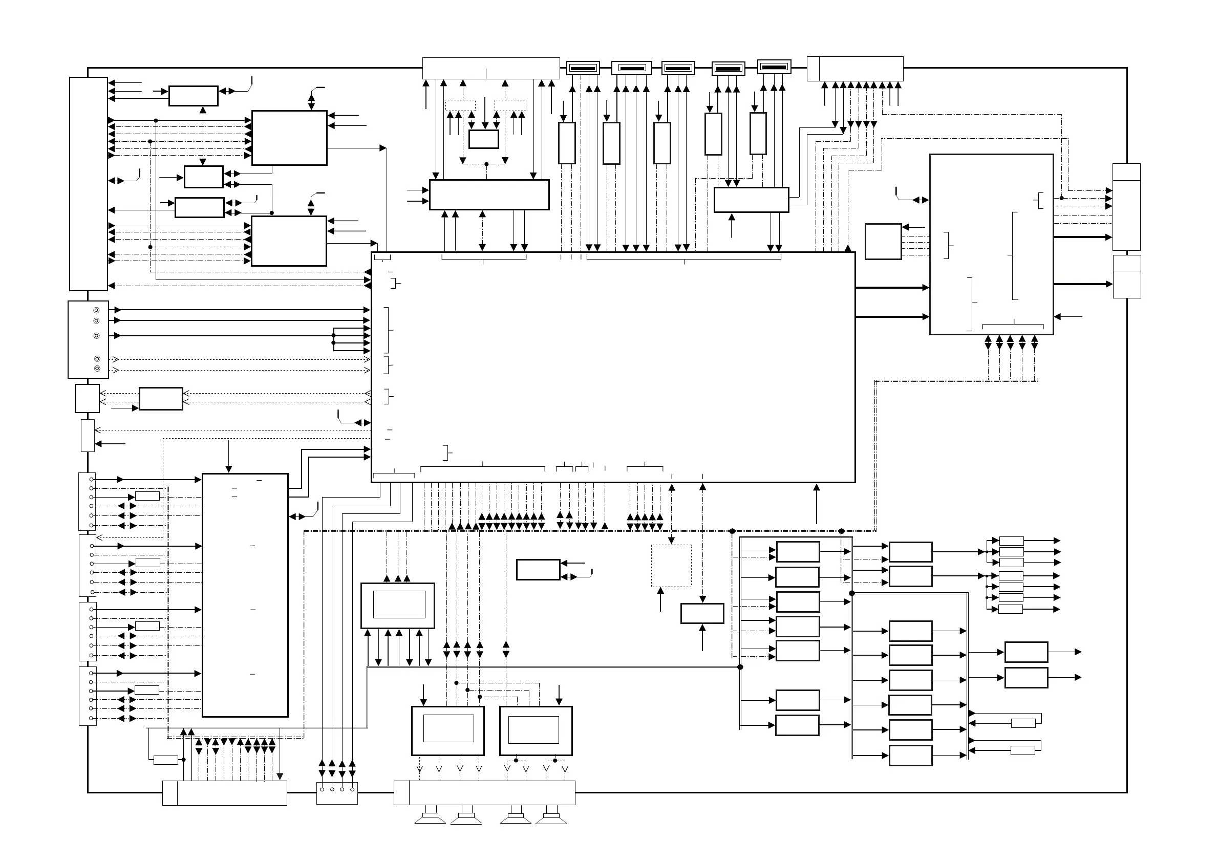
Panasonic TX-50DX800E - Block Diagram (1;2)

Panasonic TX-50DX800E
116 pages
Print Icon
To Next Page IconTo Next Page
To Next Page IconTo Next Page
To Previous Page IconTo Previous Page
To Previous Page IconTo Previous Page
Loading...
Block Diagram (1/2)
IC8000
[C1AB00004367]
EASTER
TU6708
SUB3.3V
EU_TU_1.8V
2
1,34
IC6804
LNB
13
12
16V
35
LNB_PWR1
6,7
IIC_2
3
DSQOUT_0
38,37
IIC_2
DMD1.2/1.1V
SUB3.3V
48
IC6800
[C1AB00004164]
DVB-T/T2/C/S/S2 DEM
IF2_P,N_T
DEMOD_TSVAL
TSYNC
TSDATA0
TSCLK
Parallel TS
3,4,5,8
47
20,21
46,47
29
FE_XRST_T
8,9
IFAGC_T
5
T2_FEF0
12
11
26
32
AGCBS2_T
FE_XRST_T
31,32
30,31
BISQ-Q2,I2_T
IFAGC2_T
10
AT24
LVDS/EPI/VB1
23
Demod
3,4
17,18
16V
33
IIC_2
DSQOUT_1
IIC_2
38,37
IIC_2
DMD1.2/1.1V
SUB3.3V
48
IC6802
[C1AB00004164]
DVB-T/T2/C/S/S2 DEM
Parallel TS
3,4,5,8
47
20,21
45,46
29
20,21
19
24
26
27
31,32
22,23
23
LNB_PWR2
IC6805
LNB
13
12
6,7
3
IF1_P,N_S
IFAGC1_S
T2_FEF1
EXT_AGCBS1_T
BISQ-Q1,I1_T
IFAGC1_S
IFAGC_T
IF2_P,N_T
IF1_P,N_S
T2_FEF1
DEMOD_TSDATA1
TSDATA2
TSDATA3
TSDATA4
20,21
45,46
IIC_0
IIC_1
IIC_2
IC6806
DSQ_SW
8
1
7
6
DSQOUT_1
SUB3.3V
DSQOUT_SW
IF2_P,N_T
F37,F38
Demod
IFAGC2_T
B14
T2_FEF0
GPI0, DEMOD
MAIN_TS_OUT
SUB_TS_OUT
IC6401
(C1ZBZ0004936)
DUAL CI CONTROLLER
MAIN_TS_IN
SUB_TS_IN
CI SLOT
JK6400
17,18
51,52
SUB_CI_5V
17,18
51,52
SUB_CI_5V_B
MAIN_TS_OUT
MAIN_TS_IN
SUB_TS_OUT
SUB_TS_IN
TS
TS
Command
IC6411- IC6414
IC6511-IC6514
SUB3.3V
SUB3.3V
IC6404
Logic IC
SPI
SUB5V
SUB5V
M_3.3V
M_1.2V
SUB3.3V
Sub(upper_2nd)Main(lower_1st)
HP_L
JK3104A
HP_R
HP-OUT
IC3201
HP Amplifier
9
11
13
15
SUB3.3V
C35
D36
AL0_ADAC
AR0_ADAC
Audio DAC
Digital
Audio Out
D3200
ASPDIFO0
SUB3.3V
AB34
Audio
JK4704
HDMI1
2_HPD
5VDET2
DDCSDA0
CEC
0_RX
R4545
DDCSCL0
0_RX
JK4703
HDMI2
1_HPD
5VDET1
DDCSDA1
CEC
1_RX
R4521
DDCSCL1
1_RX
IC4500
[MN864788]
HDMI2.0 Rx
93,94,96,97,99,100,102,103
RX0
80,81,83,84,86,87,89,90
RX1
42,43,45,46,48,49,51,52
JK4701
HDMI3
0_HPD
5VDET0
DDCSDA2
CEC
2_RX
R4515
DDCSCL2
2_RX
HDMI4
3_HPD
5VDET3
DDCSDA3
CEC
3_RX
R4651
DDCSCL3
3_RX
55,56,58,59,61,62,64,65
TX0
22,24,25,27,28,30,31,33
DDCSDA0
DDCSCL0
DDCSDA1
DDCSCL1
108
107
DDCSDA2
DDCSCL2
DDCSDA3
DDCSCL3
CEC
CEC
CEC
CEC
VDD3.3V
VDD1.1V
AVDD3.3V
AVDD3.3VRX
PVDD3.3V
AVDD1.1V
AVDD1.1VRX
JK4702
ASPDIFO1
RX2
RX3
106
105
77
76
75
74
73
72
RX0P5VDET
RX1P5VDET
RX2P5VDET
RX3P5VDET
71
70
TX1
8,10,11,13,14,16,17,19
G27
Audio
TX0
TX1
B24,A24,B22,A22,D22,C22,D23,C23
B21,A21,B18,A18,B19,A19,B20,A20
HDMI Receiver
RX1
RX0
ETHERNET
JK8600
TX+
TX-
RX+
RX-
1 2 3
6
TX+
TX-
RX+
RX-
ETHERNET
W37 W38
Y37
Y38
F34
3_HPD
F31
2_HPD
F30
1_HPD
F28
0_HPD
E34
3_PWR5V
E31
E30
G26
3_DDCSDA
3_DDCSCL
D33
D34
2_DDCSDA
2_DDCSCL
F33
G31
1_DDCSDA
1_DDCSCL
G28
G30
0_DDCSDA
0_DDCSCL
F27
F26
G24
CEC
2_PWR5V
1_PWR5V
0_PWR5V
HDMI
JK8703
USB1
1
2,3 5,6
IC8703
SW
6
1
3
4
USB5V
VBUS2
OCP2
USB_DM(DP)_P2(P,N)
8,9
1
2
3
IC8701
SW
6
1
3
4
USB5V
JK8701
USB2
SSUSB_RX(P,N)
SSUSB_TX(P,N)
VBUS0
OCP0
1
2
3
IC8702
SW
6
1
3
4
USB5V
USB0DN
JK8702
USB3
BT_USB_DN
USB0DP
1
2
3
IC8706
SW
6
1
3
4
STB5V
JK8705
WIFI
PWM3
USB_DP_P3(P)
OPCTRL18
USB_DM_P3(N)
4
OPCTRL12
Other
Power
BT_USB_DP
A10
9
10
4
12
3
9
TO K10/BT
7
6
2
BT_VBUS
R_LED_ON
G_LED_ON
AI_SENSOR
REMOTE
STB3.3V
BT_USB_DN
BT_USB_DP
HUB_OC1
3D_LROUT
1
USB_DM_P0(N)
USB_DM_P0(P)
Power
VBUS1
8
10
SUB3.3V
IC5000
[AN34043AAVF]
ANALOG ASIC
1
6 2
14
31
STB5V
STB5V
SUB5V
SUB9V
13
32
STB3.3V
EASTERRST2
15
SD3.3_1.8V
16V
8
TV_SUB_ON
DCDCEN
11
KEY1
POWER ON
Servo ADC inut
P35
L35
TV_SUB_ON
AB38
Power
EASTERRST2
M34
BL_SOS
AD38
IC3801
[C1AB00003984]
AUDIO AMP
IC3800
[C1AB00003984]
AUDIO AMP
10,11
14,15
26,27
30,31
9,16,25,32
5
6
7
8
16V
9,16,25,32
8
7
6
5
16V
MCLK
BCLK
LRCLK
SDATA0
SDATA1
AP36
AM31
AN30
AN31
AM30
MCLK
BCLK
LRCLK
SDATA0
SDATA1
AUDIO
LVDS/EPI/VB1
Y35
U37
AA34
AA33
IC9000
[C1AB00004396]
IC FRC (MSTAR)
D3,D2,E2,E1
F1,F2,G2,H3
H1,J3,J2,K3
L3,L2,M3,M2
V-By-One TX
V-By-One
VX1T_LOCKN
AA6
VX1T_HTPDN
Y6
FRC GPI0
18,19,21,22
24,25,27,28
30,31,33,34
36,37,39,40
A15
TO PANEL
(CNV2)
V-By-One
B12,C11,A11,C10
B10,C9,C8,B8
C7,A7,C6,B6
B5,A5,A4,B4
3D_LR_OUT
AJ28
PANEL_3D_ON
AJ21
PANEL TEST_ON
FR_CSZ
FR_SPO
FR_SPI
FR_SCK
IC9600
SPI FLASH
1
2
5
6
SUB3.3V
8
AD30
AE31
AF31
AE30
FRC _SPI_FLASH
PANEL TEST_ON
AR25
LVDS,GPIO,TCON
V-By-One (ODS)
AG28,AH28,AK27,
AL27,AK26,AM26
AK25,AL25,AL24,
AM24
V-By-One RX
AG29,AM29,AM26
AL23,AL22,AK21
AK20,AL20,AK19
AK18,AL18,AK17
AM17,AK16,AL16
AL15,AM15
IC5911
Temp.Sensor
IIC_1
SUB3.3V
BL_PWM1
FR_BL_ON
FRC GPI0_IF
AG24 AG25
AG26
AG27
16V
IC5220
DC/DC
7,8
2
USB5V
3
DCDCEN
16V
IC5200
DC/DC
6
8
SUB3.3V
1
DCDCEN
16V
IC5260
DC/DC
4,5
PNL12V
11
12
IC8100
DC/DC
8
5
4
DCDCEN
DCDCIN
IC8100
DC/DC
17
12,23,26
SUB1.0V
14
IC8100
DC/DC
8
5
4
DCDCIN
IC8101
DC/DC
6
5
STB_1.5V
IC8100
DC/DC
8
5
4
DCDCIN
IC9150
DC/DC
8
8
MSTAR0.95V
IC8100
DC/DC
8
5
4
DCDCIN
IC9160
DC/DC
3
2
IC8100
DC/DC
8
5
4
SUB5V
IC4502
DC/DC
3
2
HDMI1.1V
7
DCDCEN
8
5
4
SUB5V
IC4506
Regulator
1
8
HDMISW3.3V
5
DCDCEN
DCDCEN
4
STB3.3V
PHY3.3V
SUB1.0V
AVDD1.0V
STB_1.5V
SUB3.3V
SD3.3-1.8V
HDMI3.3V
MSTAR0.95V
MSTAR1.5V
MSTAR3.3V
L4511
AVDD1.1VRX
L4506
VDD1.1V
L4505
AVDD1.1V
L4500
AVDD3.3V
L4501
VDD3.3V
L4502
ADD3.3VRX
L4503
PVD3.3V
M_3.3V
IC6402
Regulator
SUB5V
3
1,4
M_1.2V
IC6403
Regulator
SUB3.3V
3
4
SUB_CI_5V
IC6405
Regulator
SUB5V
5
1
IC8100
DC/DC
8
5
4
SUB5V
IC5705
DC/DC
3
2
DMD1.2/1.1V
SUB_CI_5V_B
IC6505
Regulator
SUB5V
5
1
EU_TU_1.8V
IC5704
Regulator
SUB3.3V
4
3
AVDD1.0V
IC8102
Regulator
SUB3.3V
1
8
PHY3.3V
IC8601
Regulator
STB5V
3
4
A-BOARD
[EXCHANGE UNIT]
IC8705
USB HUB
2
1
USB_DP_P1(N)
USB_DM_P1(P)
1
2
3
IC8707
SW
6
1
3
4
USB5V
HUB_OC2
USB1DN
JK8706
4K-DEMO
(shop mode)
USB1DP
24
VBUS3
7
6
15
16
DDR3 _ 5X4GB
IC8200
IC8201
IC8202
IC8203
IC8204
DDR I/F
SUB1.5V
IC8920
eMMC 4GB
SUB3.3V
eMMC
4
3
25
USB+GPI0
VBUS3
IIC_0
IIC_1
SUB5V
Analog Video Input
R
JK3101
Y/Vin,PB,PR
CVBS3P
COMP_D_PB
COMP_D_PR
Y0P (B)
AUDIO
IN
L
R
COMP_D_Y
PR0P (R)
PB0P (G)
SOY0
COM0
J37
K36
L36
J38
L37
K37
LIN_Terminal
RIN_Terminal
AIN_L0
AIN_R0
D37
B36
Audio Line in ADC
R5224
SUB5V
2,3,5,6
8,9,11,12
14,15,17,18
20,21,23,24
A16
26
27
36
TO PANEL
(CNV1)
35
29
TUNER A/DVB-T/T2/C/S DUAL
3
7
9-10
12
A02A
TO P2/TCON
9
10
1-4
13
7
STB5V
BL_ECO
BL_ON
15
TV_SUB_ON
16V
17
BL_PWM1
BL_SOS
16
19
BL_PWM2
20
BL_PWM3
BL_PWM4
8
KEY1
14
VJ2000
DCDCIN
POWER ON
24-26
PNL12V
BL_ECO
AL36
PWM
BL_PWM2
BL_PWM3
BL_PWM4
AF20
V-By-One (VIDEO)
MSTAR1.5V
VJ9000
MSTAR3.3V
SUB3.3V
A12
SP_R SP_L Wo+
1
2 5
6
R+ R- L- L+
9
10
10,11,30,31
Wo-
13
14
14,15,26,27
A12
30

Related product manuals