EasyManua.ls Logo

Panasonic TX-P37C2B - P-Board (1;4) Schematic

Panasonic TX-P37C2B
117 pages
Print Icon
To Next Page IconTo Next Page
To Next Page IconTo Next Page
To Previous Page IconTo Previous Page
To Previous Page IconTo Previous Page
Loading...
46
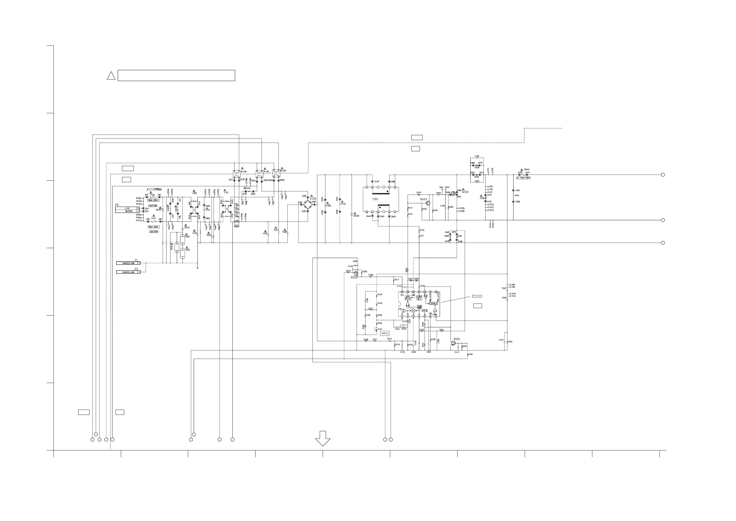
13.2. P-Board (1/4) Schematic Diagram
582 71
F
3
D
B
C
4
E
A
96
COLD
HOT
COLD
HOT
COLD
HOT
PFC
C0DBZYY00361
3
2
1
TO
P-BOARD
(3/4)
AA
AB AG
AC AD AF AH AJ AKAIAE
P-BOARD LSEP1287LDHB (1/4)
!
TO
AC CORD

Table of Contents

Related product manuals