EasyManua.ls Logo

Panasonic TX-P50C3E - 10 Block Diagram; Main Block Diagram

Panasonic TX-P50C3E
106 pages
Print Icon
To Next Page IconTo Next Page
To Next Page IconTo Next Page
To Previous Page IconTo Previous Page
To Previous Page IconTo Previous Page
Loading...
35
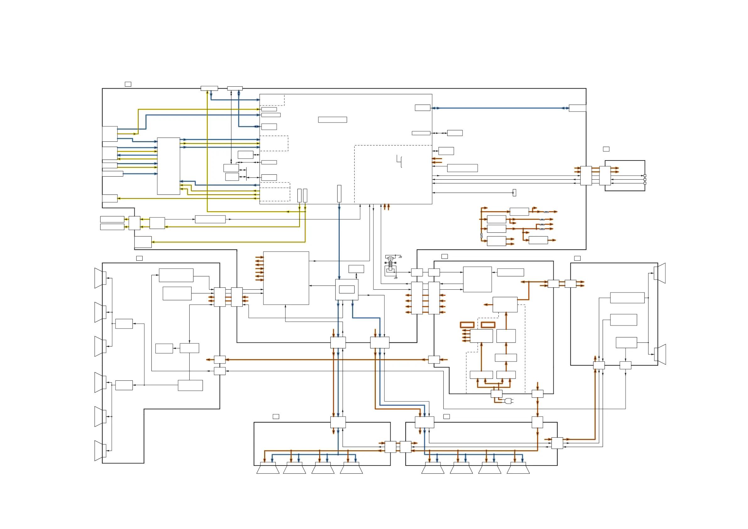
10 Block Diagram
10.1. Main Block Diagram
SOUND15V
P+15V
F15V
STB5V
P
P
P
P
(LED:6TIMES)
(LED:7TIMES)
(LED:4TIMES)
HOTCOLD
(LED:8TIMES)
(LED:3TIMES)
(LED:4TIMES)
(LED:6TIMES)
(LED:10TIMES)
(LED:10TIMES)
(LED:12TIMES)
(LED:9TIMES)
(LED:5TIMES)
(LED:8TIMES)
(LED:7TIMES)
(LED:12TIMES)
SCAN
DRIVER
C2
MID
RELAY
SUSTAIN CONTROL
MID
P35
DATA DRIVER (RIGHT)
P+15V
F15V
P+15V
POWER MICOM
C25
SS3
Vda
SN-BOARD
ENERGY RECOVERY
SOS DETECT
C23
VE GEN.
P11
DATA
DRIVER
SCAN CONTROL
DATA
DRIVER
P
DATA
DRIVER
Vda
DATA DRIVER (LEFT)
SN3
P+15V
VSUS GEN.
SS23
SS11
SN
VIDEO DATA
RECOVERY
VSUS
VSUS
P+5V
MAIN
CONVERTER
SOUND15V
COIL
MID
DATA
DRIVER
ON/OFF CONTROL
P+5V
ENERGY RECOVERY
P+15V
SS-BOARD
SOS DETECT
SOS8_SS
SN-BOARD
FLOATING PART
SOS DETECT
RECTIFIER
CONTROL
PULSE
SOS8_SS
VAD GEN.
Vda
SN2
VSUS
SS
POWER SUPPLY
VSUS
DATA
DRIVER
PS SOS4
ENERGY
Vda
P-BOARD
SOS DETECT
POWER
FACTOR
CONTROL
STB5V
SUSTAIN DRIVE
SUSTAIN CONTROL
SOS7_SC2
SCAN
DRIVER
STANDBY
VOLTAGE
CONVERTER
C1
AC CORD
P9
SOS6_SC1
P2
RECTIFIER
VSUS
VIDEO DATA
SN20
DATA
DRIVER
DATA
DRIVER
DATA
DRIVER
VSCAN GEN.
SCAN DRIVE
VIDEO DATA
SOS8_SS
C11
VIDEO DATA
P+3.3V
P+3.3V
C20C10
C21
VIDEO DATA
SUSTAIN CONTROL
P+5V
P6
P+5V
P+5V
P+3.3V P+3.3V
Vda
POWER LED
SOS8_SS
V
SOS4_PS
P+3.3V
LO1_L/R
DCDC
SD CARD
I/F
SUSTAIN
CONTROL
CI I/F
STB3.3V
C.A.T.S_SENSOR
P+1.2V
A1
DIGITAL AUDIO OUT
LO2_L/R
SIF I/F
HP L/R
CI DATA
P+5V_DET
DDR3 I/F
L/R
STB5V
DIGITAL
SPEAKER(L)
HP_L/R
CI SLOT
SUB5V
SUB3.3V
P+5V
SUB3.3V_SENSE
Y/PR/PB
L/R
L/R OUT
STB5V
A6
REMOTE_RECEIVER
SOS8_SS
STB3.3V
PANEL_MAIN_ON
STB1.2V
K1
P+3.3V
STM
F15V
VIDEO
DATA
PANEL SOS
KEYSCAN1
P+15V
SOS6_SC1
P+5V
CPU BUS
LED_R/G
F15V
LO2_L/R
A35
RGB_CVBS
SUB1.8V
V
PEAKS
EEPROM
SUB1.8V
REMOTE_IN
SIF_OUT
P+15V
AV1
F15V
V/R/G/B
TUNER
V
A23
V OUT
CPU BUS
I/F
MAIN AV INPUT,PROCESSING
SUB3.3V
A
SUB3.3V
OUT
AV IN
L/R
HDMI I/F
P+5V
HEAD_
PHONE
PD5L
CI
BUFFER
AUDIO
PANEL_SOS
P+3.3V
SPI
FLASH
STM
EEPROM
SOUND SOS DET
NAND
FLASH
PANEL_MAIN_ON
Y/PB/PR
DCDC
VDAC
STB3.3V
SOS7_SC2
DCDC
HP_L/R
SUB1.5V
LO1_L/R
SUB5V
TUNER I/F
SUB9V
SD CARD
SOS6_SC1
VIDEO DATA
SUB1.2V
VIDEO OUT
REMOTE RECEIVER
SUB5V
A34
VDDSD
18V33V
A33
LVDS I/F
SUB1.2V
LED_R/G
L/R
TS I/F
DVB_CVBS
OUT
TMDS DATA
A11
P+3.3V_DET
SUB5V
SOUND_SOS
LVDS DATA
AMP
R
SUB1.5V
PWM
PWM
AUDIO
Parallel_
TS(CI)
PD1.2V
L
F15V
DCDC
IECOUT
P+1.2V
SPEAKER(R)
HDMI1,2
SOS_DCC
P+5V
IFD_OUT
P+3.3V
DCDCIN
ARC
(HDMI2)
ANALOG-ASIC
SUB3.3V
C.A.T.S. SENSOR
SOS7_SC2
SCAN CONTROL
DDR3
ARC
(HDMI2)
KEY SWITCH
SOUND15V
K
C.A.T.S_SENSOR
TUNER_POWER_SOS
TUNER_POWER_SOS
DCDC
AUDIO
SUB5V_SENSE
SUB3.3V
COMPONENT
AV SW
AV2
PEAKS-sLD2
RECEIVER
SOS4_PS
SD CARD DATA
P34
(LED:6TIMES)
(LED:7TIMES)
(LED:4TIMES)
HOTCOLD
(LED:8TIMES)
(LED:3TIMES)
(LED:4TIMES)
(LED:6TIMES)
(LED:10TIMES)
(LED:10TIMES)
(LED:12TIMES)
(LED:9TIMES)
(LED:5TIMES)
(LED:8TIMES)
(LED:7TIMES)
(LED:12TIMES)
BUFFER
PUSH
MAIN_SW1
POWER
SWITCH
MAIN SW1

Related product manuals