EasyManua.ls Logo

PAT DS350 - Central Unit, Ds350 Gm (24 350 06 3015); Procedure 1. Strain Relief Installation

Default Icon
24 pages
Print Icon
To Next Page IconTo Next Page
To Next Page IconTo Next Page
To Previous Page IconTo Previous Page
To Previous Page IconTo Previous Page
Loading...
Console Replacement Instructions
CENTRAL UNIT, DS350GM (24 350 06 3015)
P
R
O
C
E
DURE 1. STRAIN RELIEF INSTALLATION
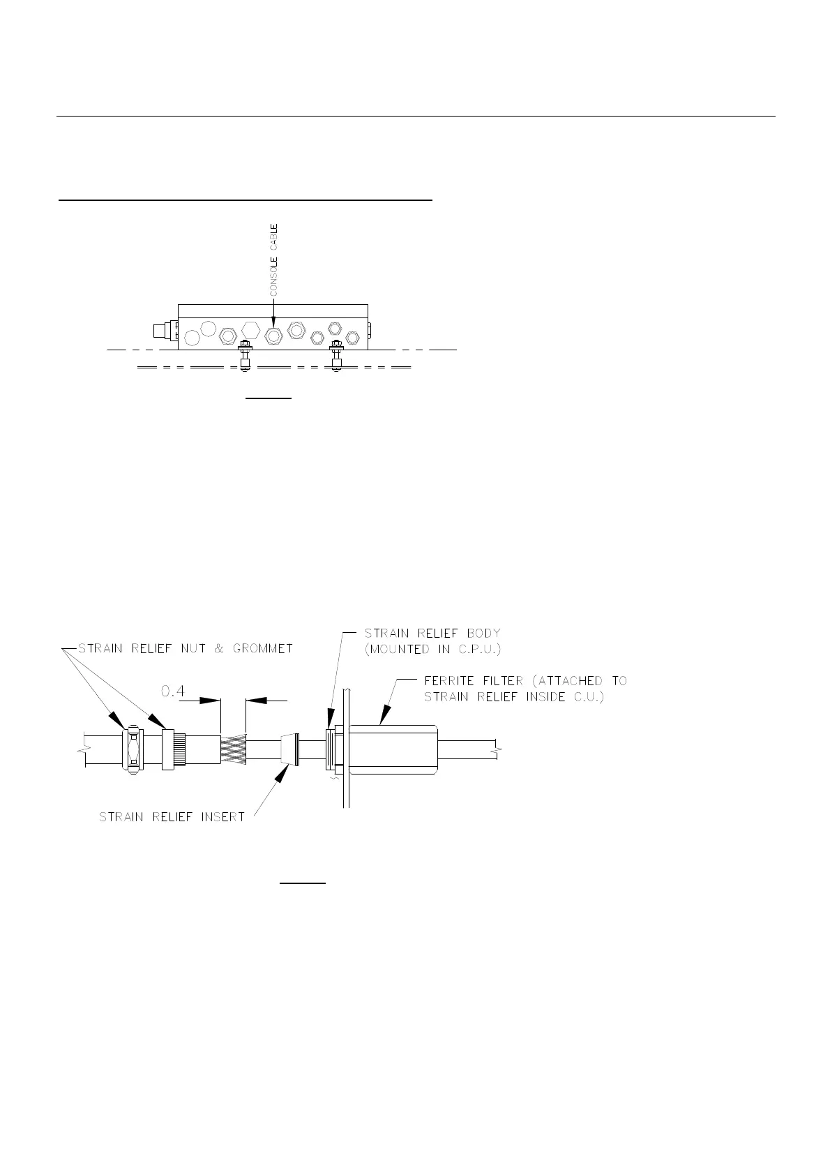
1. Rem
ove cover from the central unit. Remove ground and heater wires as required.
2. Remove existing cable and strain relief grommet from the central unit. Do not remove the
strain relief. (Fig. 17)
3. Install the new strain relief grommet only, and install console cable. (Fig. 18).
Note: Outer shield is grounded at strain relief insert.
Fig. 17
Fig. 18
SkyAzúl, Equipment Solutions
16
www.skyazul.com

Other manuals for PAT DS350

Related product manuals