EasyManua.ls Logo

Paton MINI - Source Wiring Schematic Diagram

Paton MINI
20 pages
Print Icon
To Next Page IconTo Next Page
To Next Page IconTo Next Page
To Previous Page IconTo Previous Page
To Previous Page IconTo Previous Page
Loading...
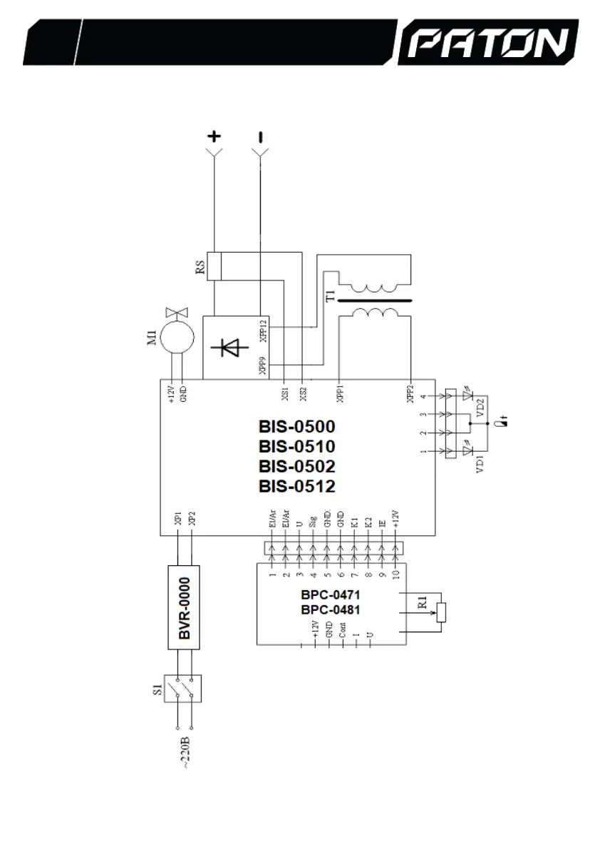
- 17 - PATON ECO DC MMA
12. SOURCE WIRING SCHEMATIC DIAGRAM
Wiring schematic diagram
PATON MINI, ECO-160/200/250 DC MMA
CURRENT

Related product manuals