EasyManua.ls Logo

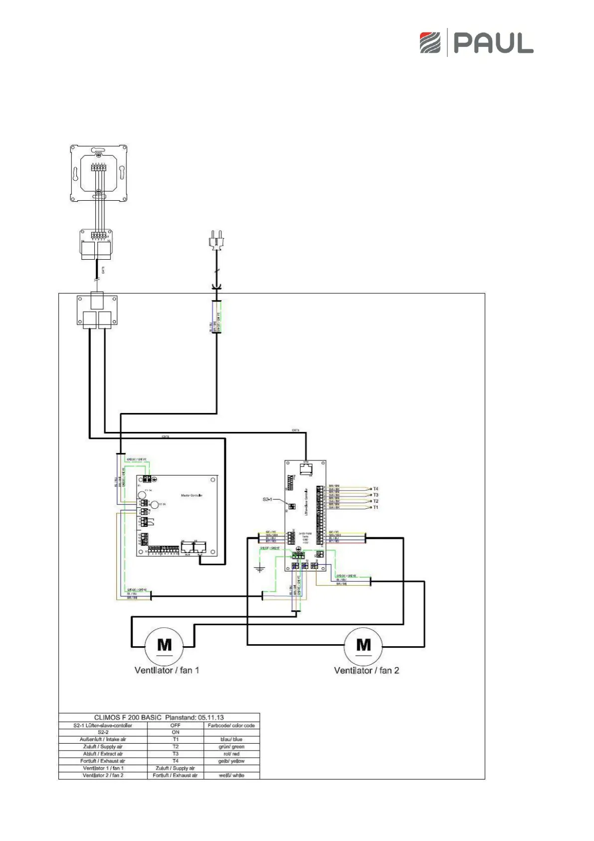
Paul CLIMOS F 200 Basic - Appendix; Appendix 1 Circuit Diagram CLIMOS F 200 Basic - Status: 05.11.2013

Default Icon
70 pages
Print Icon
To Next Page IconTo Next Page
To Next Page IconTo Next Page
To Previous Page IconTo Previous Page
To Previous Page IconTo Previous Page
Loading...
Appendix
67
Appendix
Appendix 1 Circuit diagram CLIMOS F 200 Basic status: 05.11.2013

Related product manuals