EasyManua.ls Logo

Payne PG96VTA - Electrical Data

Payne PG96VTA
92 pages
Print Icon
To Next Page IconTo Next Page
To Next Page IconTo Next Page
To Previous Page IconTo Previous Page
To Previous Page IconTo Previous Page
Loading...
40
Table 11 Electrical Data
FURNACE SIZE
V O LT S ---
H E R T Z ---
PHASE
OPERATING VOLTAGE
RANGE*
MAXIMUM
UNIT
AMPS
UNIT
AMPACITY#
MINIMUM
WIRE SIZE
AWG
MAXIMUM
WIRE LENGTH
FT (M)}
MAXIMUM
FUSE OR
CKT BKR
AMPS{
Maximum* Minimum*
30040A 1 1 5 --- 6 0 --- 1 127 104 7.0 9.7 14 38 (11.7) 15
36040B 1 1 5 --- 6 0 --- 1 127 104 7.2 9.8 14 37 (11.5) 15
36060A 1 1 5 --- 6 0 --- 1 127 104 7.1 9.7 14 38 (11.7) 15
42060B 1 1 5 --- 6 0 --- 1 127 104 10.9 14.6 14 25 (7.7) 15
48080B 1 1 5 --- 6 0 --- 1 127 104 10.0 13.4 14 27 (8.4) 15
60080C 1 1 5 --- 6 0 --- 1 127 104 14.7/11.2 19.3/14.0
1
12/14
1
29/24
1
(8.8/7.3
1
) 20/15
1
60100C 1 1 5 --- 6 0 --- 1 127 104 14.8/11.3 19.4/15.0
1
12/14
1
29/24
1
(8.8/7.3
1
) 20/15
1
66120D 1 1 5 --- 6 0 --- 1 127 104 12.6 16.7 12 34 (10.5) 20
* Permissible limits of the voltage range at which the unit operates satisfactorily .
# Unit ampacity = 125 percent of largest operating component’s full load amps plus 100 percent of all other potential operating components (EAC, humidifier,
etc.) full load amps.
{ Time---delay type is recommended.
} Length shown is as measured one way along wire path between furnace and service panel for maximum 2 percent voltage drop.
1
Low Amp K it (KGAPC0101ECM) all ows select f urnaces to be installed with a 15 Amp Breaker and 14 AWG wire within the listed wire length. Affected data
shown as Default Value/Value with Lower Amp Kit.
24 V
Coil
To Humidifier Leads
To Com/24V Screw Terminal
on Thermostat Strip
To HUM Terminal On
Furnace Control Board
To Humidifier Leads
A11157
Fig. 37 -- Field--supplied Isolation Relay for Humidifiers with Internal Power Supply
W/W1
W2
COM
Y/Y2
R
G
A11401
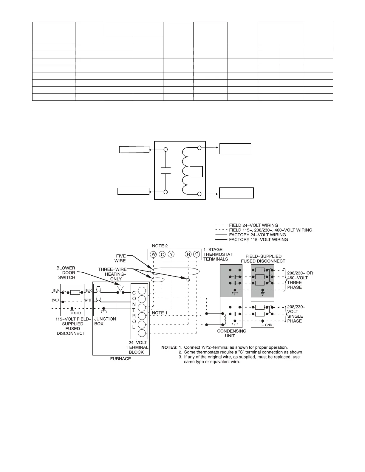
Fig. 38 -- Typical Two --Stage Field Wiring Diagram

Related product manuals