EasyManua.ls Logo

Payne PG96VTA - Page 65

Payne PG96VTA
92 pages
Print Icon
To Next Page IconTo Next Page
To Next Page IconTo Next Page
To Previous Page IconTo Previous Page
To Previous Page IconTo Previous Page
Loading...
65
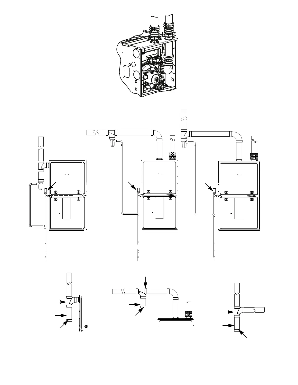
EXAMPLE FOR
UPFLOW INSTALLATIONS.
MAY BE APPLIED TO
OTHER CONFIGURATIONS.
A12220
Fig. 58 -- Sample Inlet Air Pipe Connection for Polypropylene Venting Systems
Representative drawing only, some models may vary in appearance.
TO CODE--APPROVED DRAIN OR CONDENSATE PUMP
Tee
Dry Well
Cap
(water tight
and removable)
Tee
Dry Well
Cap
(water tight
and removable)
Tee
Dry Well
Cap
(water tight
and removable)
Recommend T” fitting with 4--inch minimum height standpipe (A) of same diameter or larger extending upward.
A
A
A
A170122A
Fig. 59 -- Recommended Combustion Air Inlet Moisture Trap

Related product manuals