EasyManua.ls Logo

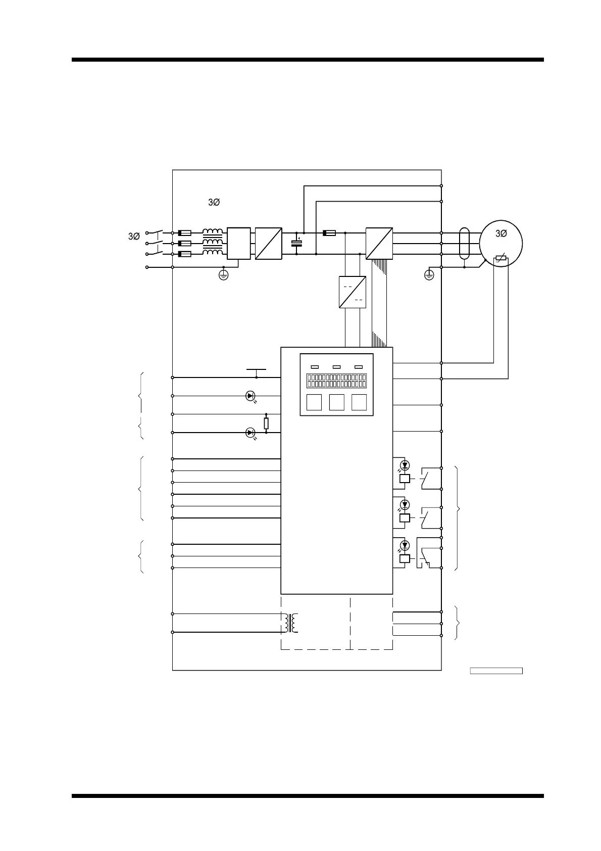
PDL MICRODRIVE-I - The Microdrive-I Block Diagram

Default Icon
113 pages
Print Icon
To Next Page IconTo Next Page
To Next Page IconTo Next Page
To Previous Page IconTo Previous Page
To Previous Page IconTo Previous Page
Loading...
Microdrive Series Instruction Manual
4201-109 Rev I
19
RFI
FILTER
RECTIFIER
SERIAL
COMMUNICATIONS
SERIAL
COMMUNICATIONS
INPUTS
SWITCH
PROGRAMMABLE
CONTROL
PULSE TACHO
(ENCODER)
INPUTS
VOLTAGE I/P
CURRENT I/P
CONTROL
PROCESSOR
DC BUS
THERMISTOR
DIGITAL FREQUENCY OUTPUT
PROGRAMMABLE ANALOGUE
OUTPUT 0-10VDC
PROGRAMMABLE
RELAY OUTPUTS
230VAC/30VDC
SUPPLY
1A
FUSE
DC BUSSCR CONTROLLED
CHOKE
LINEINPUT
FUSES
DC/DC
CONVERTER
OPTION:
INPUTS
BRAKE
CONTROL OF EXTERNAL
CONNECTIONS FOR
MOTOR
+
-
+10V
ON
RUN
OK
PTC
MOTOR
INVERTER
*
_
+
0-10V
+10V
4-20mA
0V
IP1
IP2
IP3
0V
IP5
IP4
+12V
I/P
0V
4807-251 Rev F
_
_
_
~
_
~
Figure 1.2b The Microdrive-i (UDi) Block Diagram

Table of Contents

Related product manuals