EasyManua.ls Logo

Peak 212 - Power Supply Connection (Single-Phase)

Peak 212
38 pages
Print Icon
To Next Page IconTo Next Page
To Next Page IconTo Next Page
To Previous Page IconTo Previous Page
To Previous Page IconTo Previous Page
Loading...
19
O
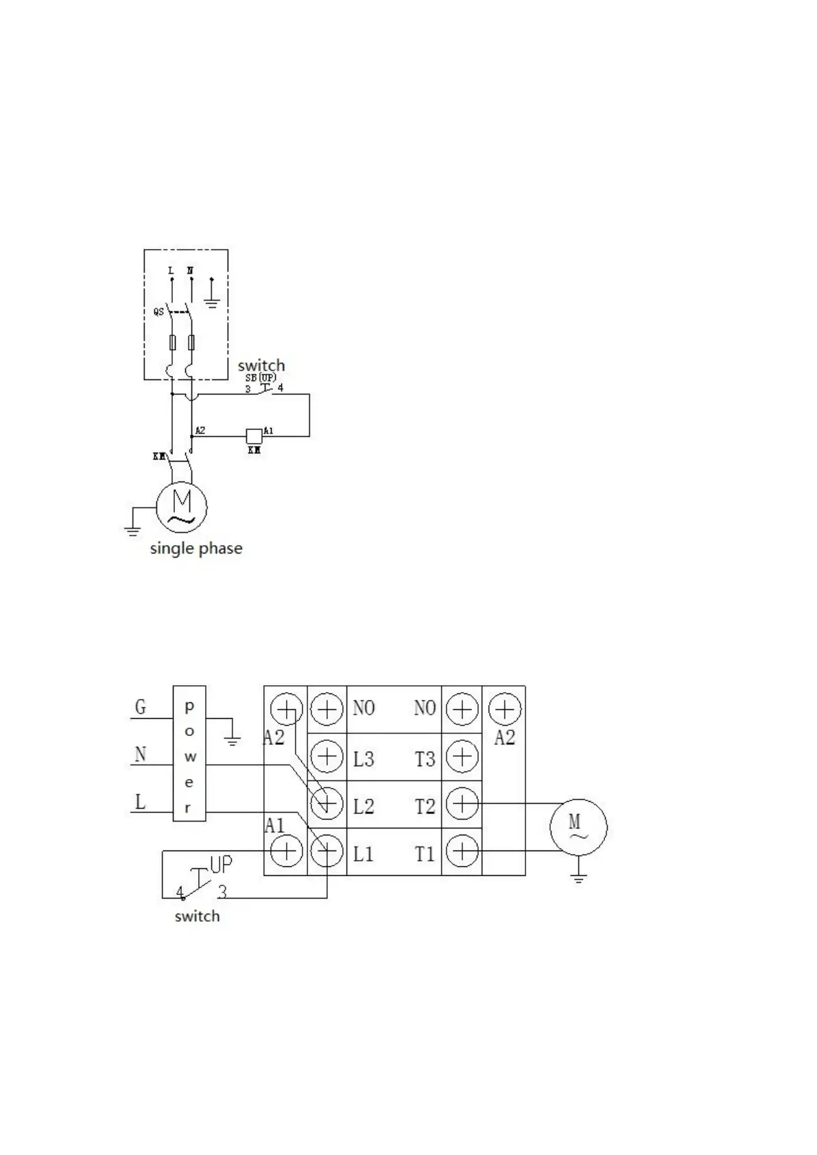
Refer to the circuit schematic diagram and connect the power supply
according to the motor nameplate. Note: To ensure the safety of the
operator, the lift must be well grounded. When using a three-phase motor,
pay attention to the forward and reverse rotation of the motor.
1. 220V single-phase motor wiring
1.1 Circuit schematic Fig 30
1.2 Wiring diagram. Fig 31
Fig 30
Fig 31

Related product manuals