EasyManua.ls Logo

PEUGEOT JETForce - 125 cc Direction Indicators

PEUGEOT JETForce
43 pages
Print Icon
To Next Page IconTo Next Page
To Next Page IconTo Next Page
To Previous Page IconTo Previous Page
To Previous Page IconTo Previous Page
Loading...
ELECTRICITY
TRAINING MANUAL: JET FORCE Page : 28/43
Reproduction or translation, even partial, is forbidden without the written consent of Peugeot Motocycles
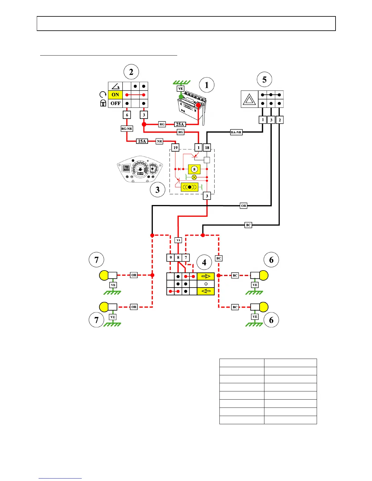
Direction indicator functioning principle (125 cc)
Direction indicator function
1. Battery
2. Ignition switch
3. Instrument cluster
4. Direction indicator switch
5. Hazard warning lights switch
6. Right direction indicator
7. Left direction indicator
8. Direction indicator unit
BA-NR White-Black
BC Light blue
JN-BE Yellow-Blue
OR Orange
RG Red
RG-NR Red-Black
VE Green
VI Mauve

Table of Contents

Related product manuals