EasyManua.ls Logo

PEUGEOT JETForce - ABS;PBS Elystar 125 cc Diagram

PEUGEOT JETForce
43 pages
Print Icon
To Next Page IconTo Next Page
To Next Page IconTo Next Page
To Previous Page IconTo Previous Page
To Previous Page IconTo Previous Page
Loading...
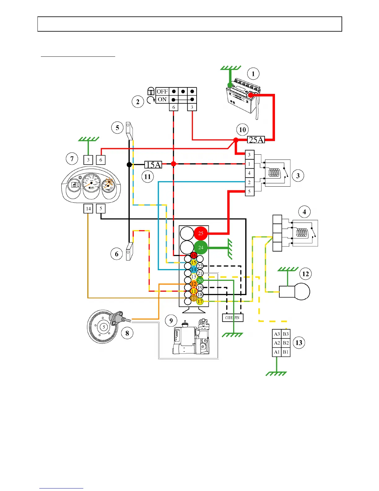
ELECTRICITY
TRAINING MANUAL: JET FORCE Page : 32/43
Reproduction or translation, even partial, is forbidden without the written consent of Peugeot Motocycles
ABS/PBS ELYSTAR 125cc

Table of Contents

Related product manuals