EasyManua.ls Logo

Philips 21PT9457 - Circuit Diagrams and PWB Layouts; A1 POWER SUPPLY; A2 LINE DEFLECTION; A3 FRAME DEFLECTION

Philips 21PT9457
56 pages
Print Icon
To Next Page IconTo Next Page
To Next Page IconTo Next Page
To Previous Page IconTo Previous Page
To Previous Page IconTo Previous Page
Loading...
Circuit Diagrams and PWB Layouts
EN 13SK4.0L CA 7.
7. Circuit Diagrams and PWB Layouts
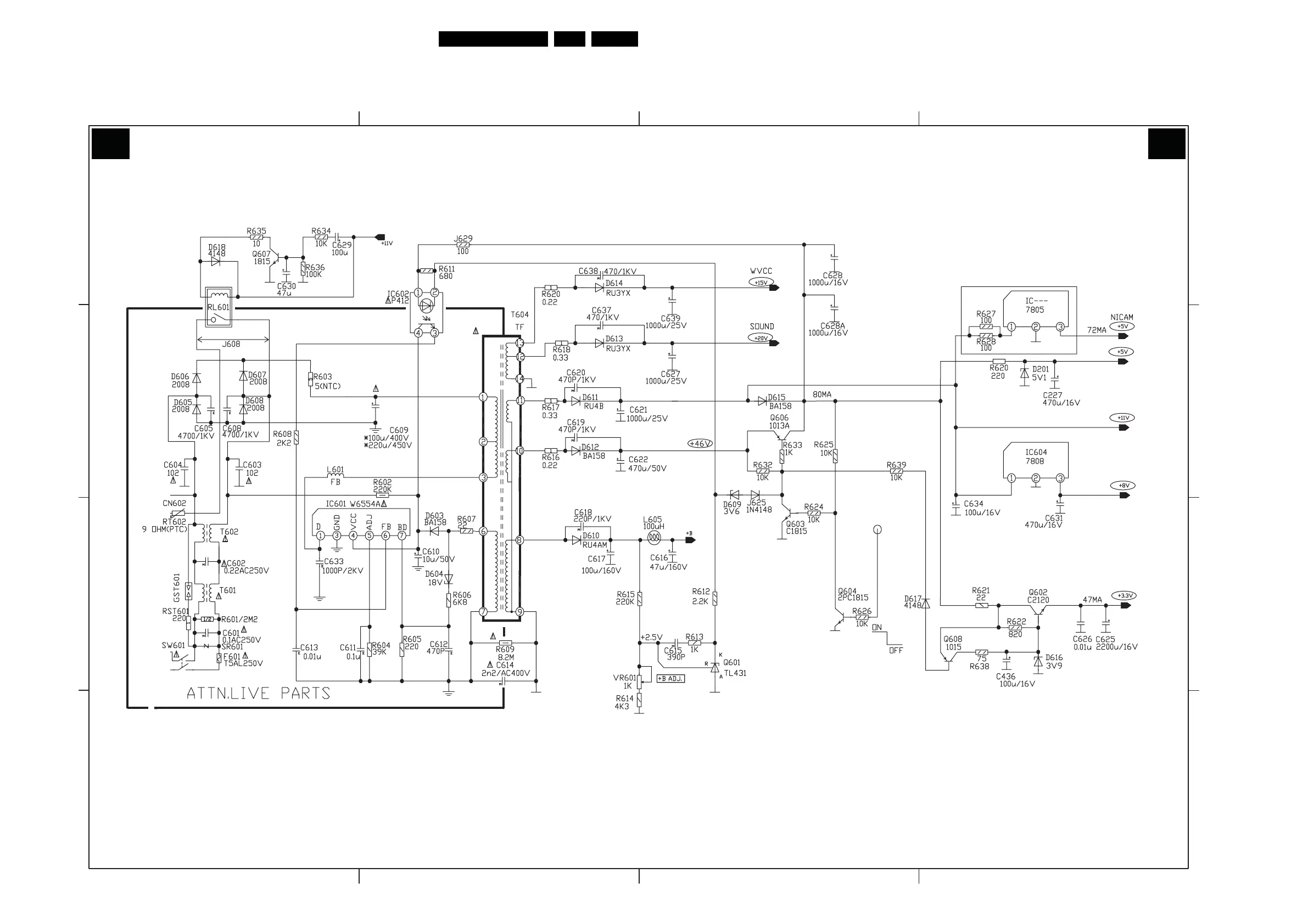
Mono Carrier: Power Supply
1 2 3 4
A
B
C
D
4
321
D
C
B
A
H_17450_009.eps
210907
POWER SUPPLY
A1 A1
5800 A3P610-00
Stand by

Other manuals for Philips 21PT9457

Related product manuals