EasyManua.ls Logo

Philips 21PT9457 - Mono Carrier: Tuner if (A4)

Philips 21PT9457
56 pages
Print Icon
To Next Page IconTo Next Page
To Next Page IconTo Next Page
To Previous Page IconTo Previous Page
To Previous Page IconTo Previous Page
Loading...
EN 16SK4.0L CA 7.
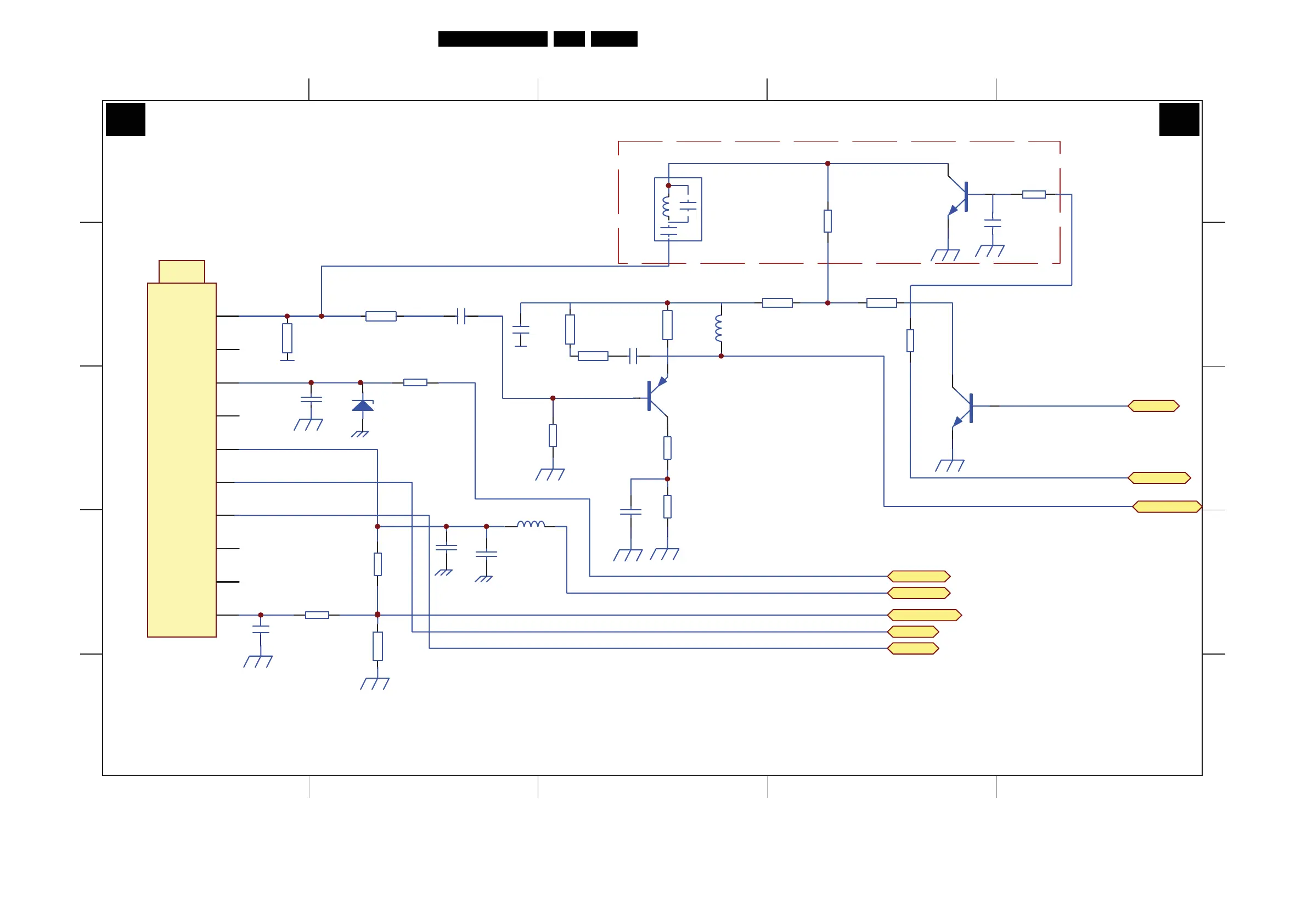
Circuit Diagrams and PWB Layouts
Mono Carrier: Tuner IF
1 2 3 45
A
B
C
D
E
5
4321
E
D
C
B
A
A101
38.9MHz
C108
100pF
R105
1.5K
SCL
SDA
+8V_VCC
+33V_BT
38MHZ
AGC
NC
SAS
SCL
SDA
NC
BM+5V
GND
BT+33V
IF
R106
68
C107
10n
Q101
KSC1674C
R109
1.2K
R111
470
R108
4.7K
C109
10n
R113
220
R116
2.2K
R110
10
R112
10
C109
0.01U
R107
1.2K
LC101
NTSC-M
Q102
C1815
C204
0.01U
R114
10K
31.9M
10K
R115
Q103
C1815
R213
100
SYSTEM
1
SYSTEM
R215
680
C103
10U/16V
L101J
1UH
SIF SAW102
C703
47/50V
IC703
UPC574
R703
10K
R102
15K
TUNER AGC
C105
100U/16V
C104
100U/16V
L201
10UH
R101
27K
SYSTEM
SYSTEM1
SIF SAW102
+33V_BT
+8V_VCC
TUNER AGC
SDA
SCL
H_17210_004.eps
110607
TUNER IF
A4
A4
5800 A3P610-00

Other manuals for Philips 21PT9457

Related product manuals