EasyManua.ls Logo

Philips 21PT9457 - M SLIM EW Panel; Layout Slim EW Panel

Philips 21PT9457
56 pages
Print Icon
To Next Page IconTo Next Page
To Next Page IconTo Next Page
To Previous Page IconTo Previous Page
To Previous Page IconTo Previous Page
Loading...
EN 28SK4.0L CA 7.
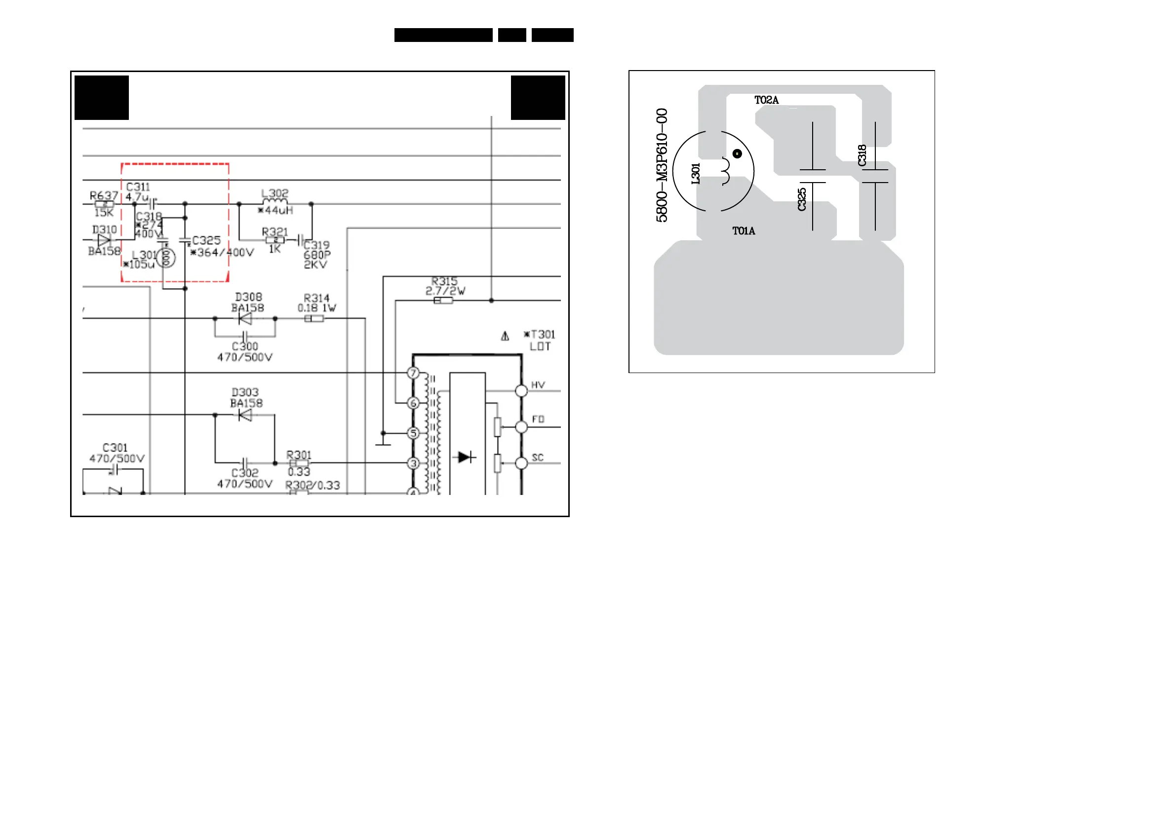
Circuit Diagrams and PWB Layouts
Slim EW Panel
H_17210_018.eps
080607
5800 M3P610-00
M M
SLIM DEFLECTION
Layout Slim EW Panel
H_17210_019.eps
080607
5800 M3P610-00

Other manuals for Philips 21PT9457

Related product manuals