EasyManua.ls Logo

Philips 21PT9457 - Mono Carrier: Audio Amplifier (A6)

Philips 21PT9457
56 pages
Print Icon
To Next Page IconTo Next Page
To Next Page IconTo Next Page
To Previous Page IconTo Previous Page
To Previous Page IconTo Previous Page
Loading...
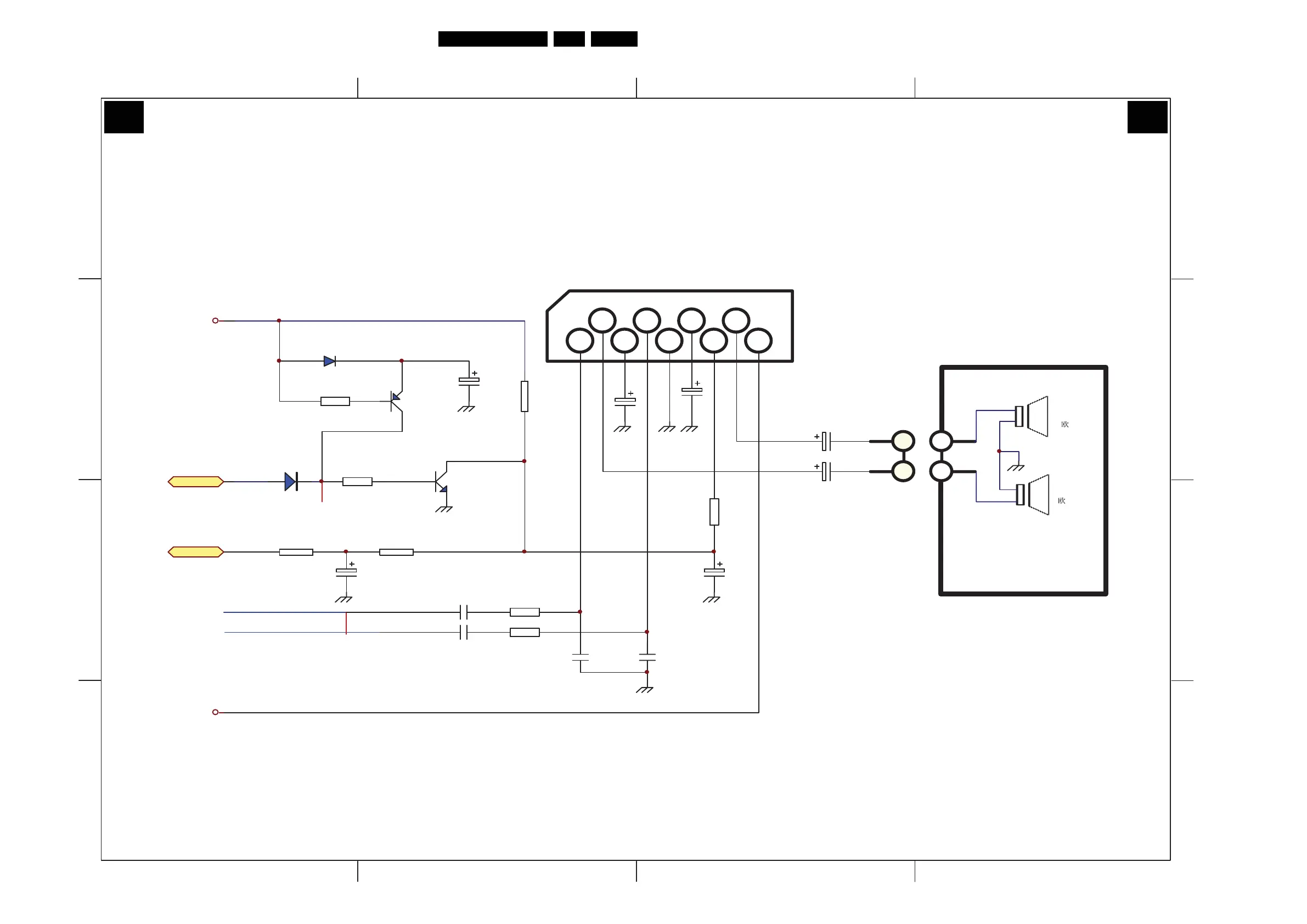
Circuit Diagrams and PWB Layouts
EN 19SK4.0L CA 7.
Mono Carrier: Audio Amplifier
1 2 34
A
B
C
D
4
321
D
C
B
A
C426
106E
SPL
4
10W
SPR
4
10W
CN760
SW2
SW2
L OUT
Q401
C1815
D401 IN4148
R411
47K
R409
3K3
MU T E
+8V_VCC
1
2
3
4
5
6
7
8
9
1
2
1
2
IC402
TFA9842AJ
C424
222D
R OUT
R770 1K
R769 1K
VOL
L out
+22V_VCC
RI
RO
Rout
Lout
L in
R410
75K
50V
R408
3K3
R253
15K
C431
10uF/ 16V
D76 1
1N4148
C432
100uF
R407
10K
C430
1uF
Q40 2
A10 15
C750
1uF
C749
1uF
C428
47uF/ 50V
C429
220uF/25V
C433
1000uF/25V
C434
1000UF/25V
4052 13
4050 3
+8V_VCC
MUTE
VOL
+22V_VCC
H_17210_007.eps
110607
AUDIO AMPLIFIER
A7
A7
5800 A3P610-00

Other manuals for Philips 21PT9457

Related product manuals