EasyManua.ls Logo

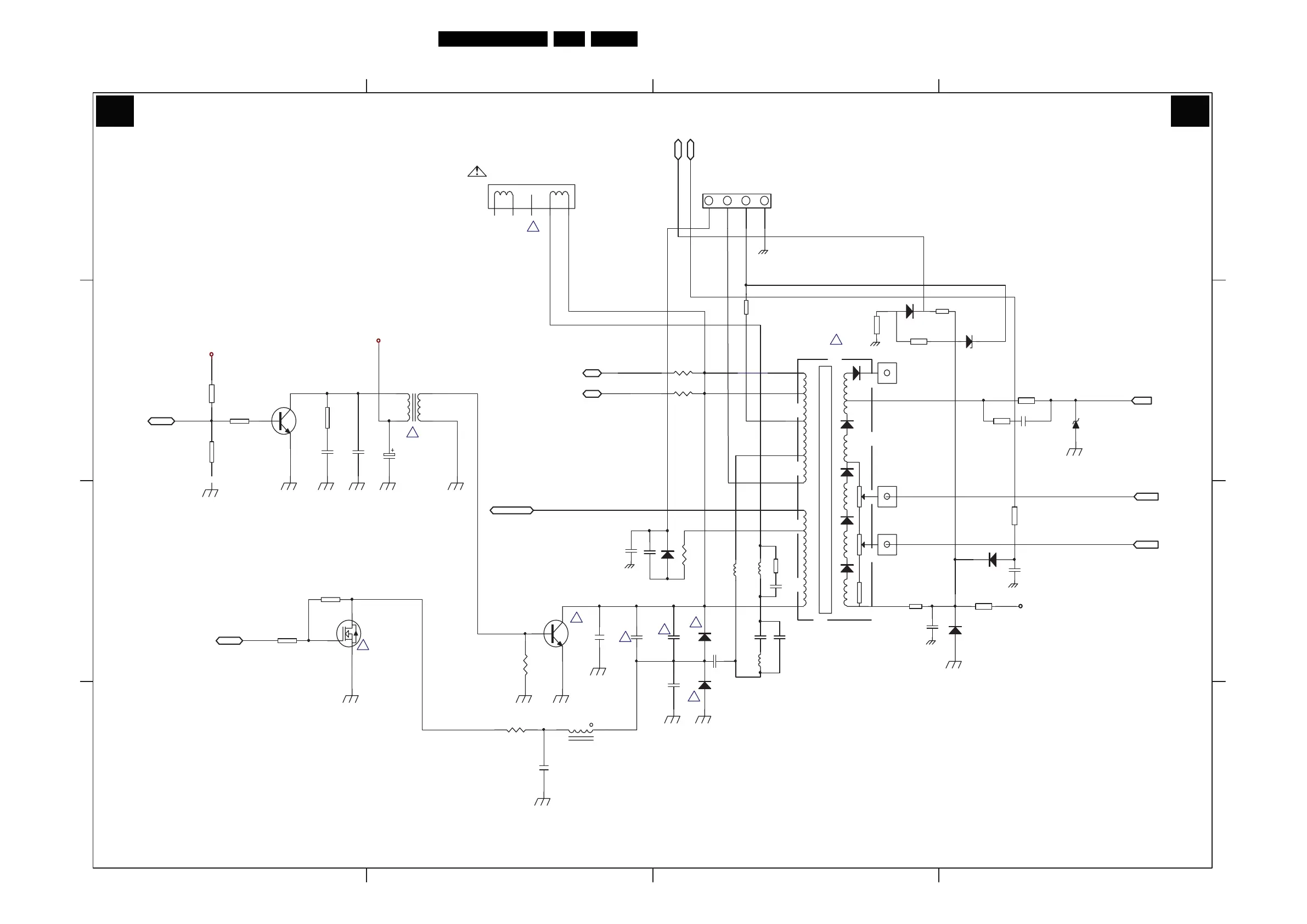
Philips 21PT9457 - Mono Carrier: Line Deflection (A2)

Philips 21PT9457
56 pages
Print Icon
To Next Page IconTo Next Page
To Next Page IconTo Next Page
To Previous Page IconTo Previous Page
To Previous Page IconTo Previous Page
Loading...
EN 14SK4.0L CA 7.
Circuit Diagrams and PWB Layouts
Mono Carrier: Line Deflection
1 2 3 4
A
B
C
D
4
321
D
C
B
A
LINE DEFLECTION
A2 A2
5800 A3P610-00
Q450
C2482
R327
2K7
C321
2200pF
T302
500V
C322
220pF
500V
C323
1uF
160V
Q302
D5032
R454
33
C315
7n2
C316
6n8
D302
BY228
2KV 2KV
C312
273J/630V
D311
RU4B
L303
400uH
R322
6.8 2W
R323
75K
50V
Q303
F630
R324
100
D307
1N4148
M
B+
R301
0.33
SCREEN
FOCUS
T301
FLYBACK
HEATER
+V
ABL
R325
100
R403
NC
!
!
!
!
!
!
HY
R302
0.33
-V
2W
R250
2.2K
R316
4.7K
D306
8V2
C310
27PF/50V
AFC
R401
4K7
!
!
C314
2n7 /2KV
L432
790mH
C477
4.7uF
+8V_VCC
AFC
AFC
FOCUS
SCREEN
564
C317
L302
34mH
C318
274J/400V
C325
364J/400
L301
105mH
R321
1K
C319
681
1
6
2
9
3
4
8
10
180V
1
2
3
4
T0
CRT
GND
HEATER
CRT GN D
180V
R315
4.7K
R314
0.22 2W
D308
2158
470PF 500V
C300
4.7UF 250V
C309
5
GND
R312
1K
C308
0.1U
D205
1N4148
C238
4.7U/50V
R310
560K
D309
1N4148
R318
680
R317
220
D305
MTZJ20
BCL
EHT
R319
3.9K
7
R245
1K
H-o ut
EW
+8V_ VCC
CN301
!
5
6
+V
-V
+135V_VCC
+48V_VCC
EHT
BCL
H_17450_010.eps
210907

Other manuals for Philips 21PT9457

Related product manuals