EasyManua.ls Logo

Philips 21PT9457 - Tone Control

Philips 21PT9457
56 pages
Print Icon
To Next Page IconTo Next Page
To Next Page IconTo Next Page
To Previous Page IconTo Previous Page
To Previous Page IconTo Previous Page
Loading...
EN 18SK4.0L CA 7.
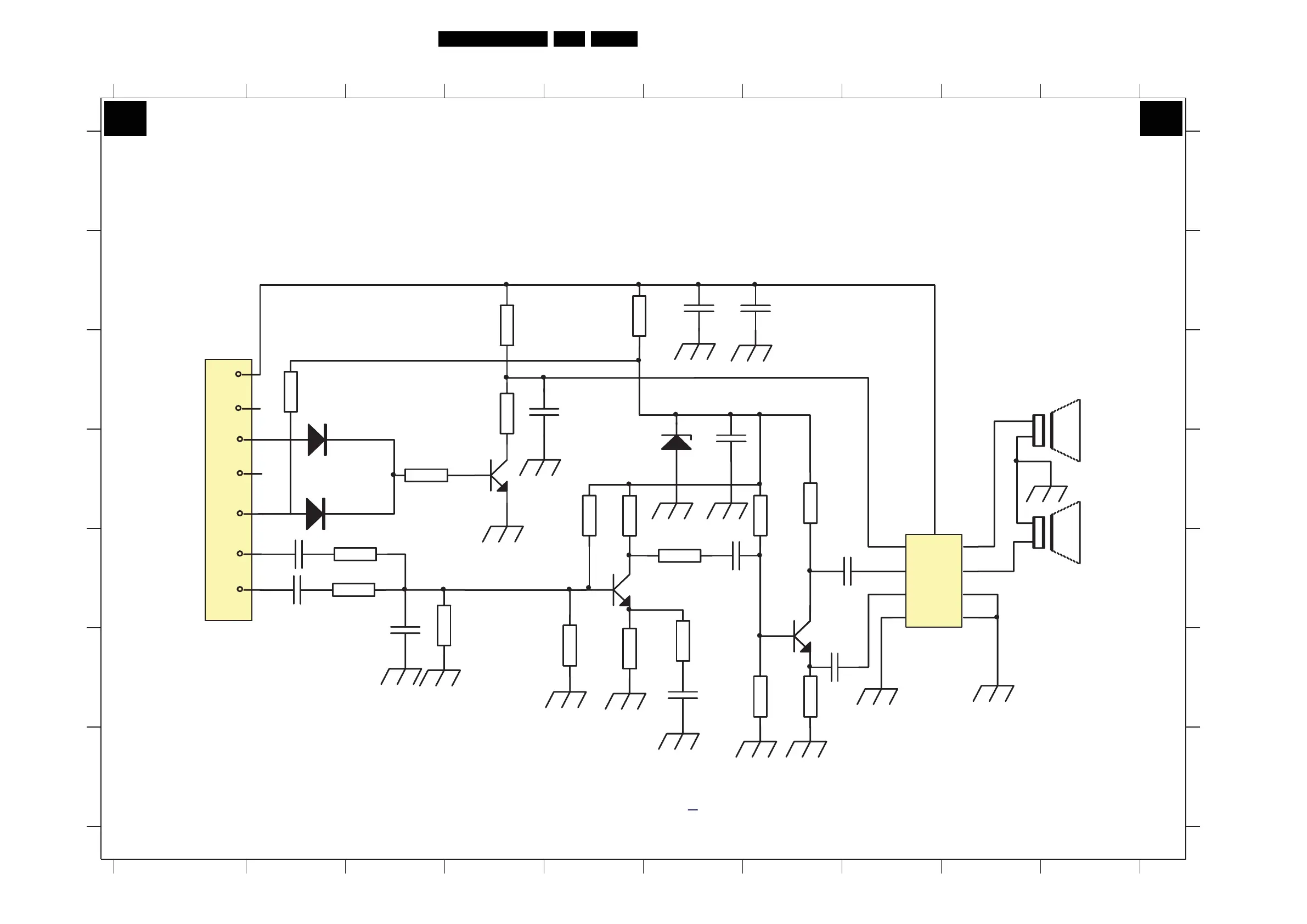
Circuit Diagrams and PWB Layouts
Mono Carrier: Tone Control (Optional)
678910
A
B
C
D
E
F
G
A
B
C
D
E
F
G
1 2345678910
12345
CN902
VCC
GND
MUTE1
GND
MUTE2
R
L
D902
4148
D903
4148
R912
1K
C1815
Q902
R916
51K
R917
100K
R911
100K
R914
510
C901
10U
C902
10U
R901
10K
R902
10K
C903
0.47U
R903
51K
Q90 1
C1815
R907
1K
R904
100K
R917
820
R903
51K
R920
270
C903
47U
C910
0.22U
C512
1000U
C913
0.01U
R905
1K
C914
0.1U
Q90 2
R913
510
510
R912
R908
100K
R909
100K
C909
100U
D901
8V2
C?
CAP
C?
WOODER 8OHM
IC9 01
TFA9800
0.22U C908
C907
0.22U
PG
SG
OUT2
OUT1
MUTE
IN-
IN+
SVRR
VCC
3
2
5
1
4
6
7
9
8
WEIGHT TONE
H_17210_006.eps
110607
TONE CONTROL
A6
A6
5800 A3P610-00

Other manuals for Philips 21PT9457

Related product manuals