EasyManua.ls Logo

Philips 21PT9457 - Page 17

Philips 21PT9457
56 pages
Print Icon
To Next Page IconTo Next Page
To Next Page IconTo Next Page
To Previous Page IconTo Previous Page
To Previous Page IconTo Previous Page
Loading...
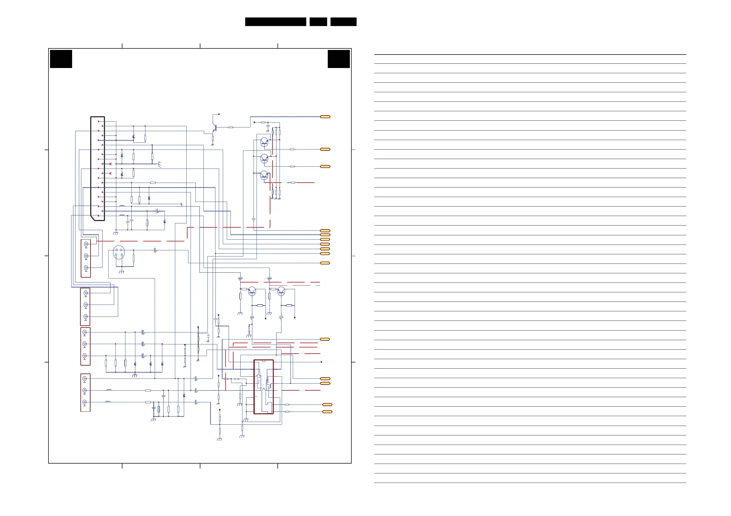
Circuit Diagrams and PWB Layouts
EN 17SK4.0L CA 7.
Mono Carrier: AV Switch
1 2 3 4
A
B
C
D
4
321
D
C
B
A
GN D
VI
VO
VI G
VO G
BL
V / R
BG
RGND
NC
Y / G
NC
GG N D
OP T
U / B
L in
BGND
GN D
LO
R in
RO
1
2
3
4
5
6
7
8
9
10
11
12
13
14
15
16
17
18
19
20
21
P701 21PIN
ZD701
8V2
D834
8V2
D832
8V2
8V2
D833
8V2
R837
75
D807
75
R836
75
R835
75
R701
47K
1
2
3
4
5
E
6
Vee
7
Vss
8
9
10
11
12
13
14
15
Vdd
16
0
1
2
3
0
1
2
3
IC8 01
HEF4052
Q802
C1815
R848
100K
R845
750
R846
750
Q801
C1815
R849
100K
ZD706
8V2
ZD709
8V2
ZD711
8V2
R780
100K
R777
100K
R778
75
P702
S-VHS
V IN
L IN
R IN
P701
Y
U
V
P701
V out
L out
R out
P701
R817
100K
R818
100K
R807
75
V IN
L IN
R IN
P701
R803
75
SIDE AV IN
REAR AV I N
R7 31
820
J743
10K
AV OUT
YUV
AUDIO SWITCH
C816
10uF
C811
10uF
C810
10uF
+8V_ VCC
C777
10uF
C772
10uF
C774
10uF
C242
10uF
C IN
SIDE L
SIDE R
REAR R
REAR L
C717
10uF
L
AUDOUT
A2
A1
4052 3
TONE 3 2
C821
1U/50V
1U/50V
C820
C804
10uF
C807
10uF
OUT R
OUT L
AUDIO R ou t
AUDIO L ou t
VIDEO OUT
BLANK
OPTION
V / R i n
Y / G i n
U / B i n
CVBS
Y
C
R831
2.7K
TONE 26
TONE 7
4052 13
Q803
1815
Q804
1815
Q805
1815
C822
0.1U
CVBS/Y
R835
10K
R836
10K
AV1
AV2
R837
10K
AV3
R829
10
R842
4.7K
C823
10U/16V
R841
4.7K
R840
4.7K
R8541.5K
R852
1.5K
R855
1.5K
Q204
C1815
R802
75
R251
1K
R152
100
R151
300
R831
1.2K
R832
1.2K
R828
100K
R826
100K
R827
100K
R825
100K
C190
10U/16V
R821
100K
R834
100K
R839
1K
R838
1K
TONE 1
TONE 30
TONE 2 8
R834
75
+8V
+8V
+8V
D8 02
L803
C805
CAP
R847
100
+8V
+8V
L80 4
C806
CAP
R844
100
R815
1K
R816
1K
C812
1000
D802
8V2
L80 6
L80 5
R833
100K
R822
100K
+8V
C813
1000
+8V
R830
100K
R824
100K
+8V
C817
CAP
A1
A2
+8V_ VCC
AUDOUT
C IN
U / B i n
Y / G i n
V / R i n
OPTION
BLANK
CVBS/Y
AV2
AV1
CVBS
+8v
4052 3
4052 13
H_17210_005.eps
070607
AV SWITCH
A5
A5
5800 A3P610-00
Personal Notes:
E_06532_012.eps
131004

Other manuals for Philips 21PT9457

Related product manuals