EasyManua.ls Logo

Philips 21PT9457 - Page 42

Philips 21PT9457
56 pages
Print Icon
To Next Page IconTo Next Page
To Next Page IconTo Next Page
To Previous Page IconTo Previous Page
To Previous Page IconTo Previous Page
Loading...
Circuit Descriptions, Abbreviation List, and IC Data Sheets
EN 42 SK4.0L CA9.
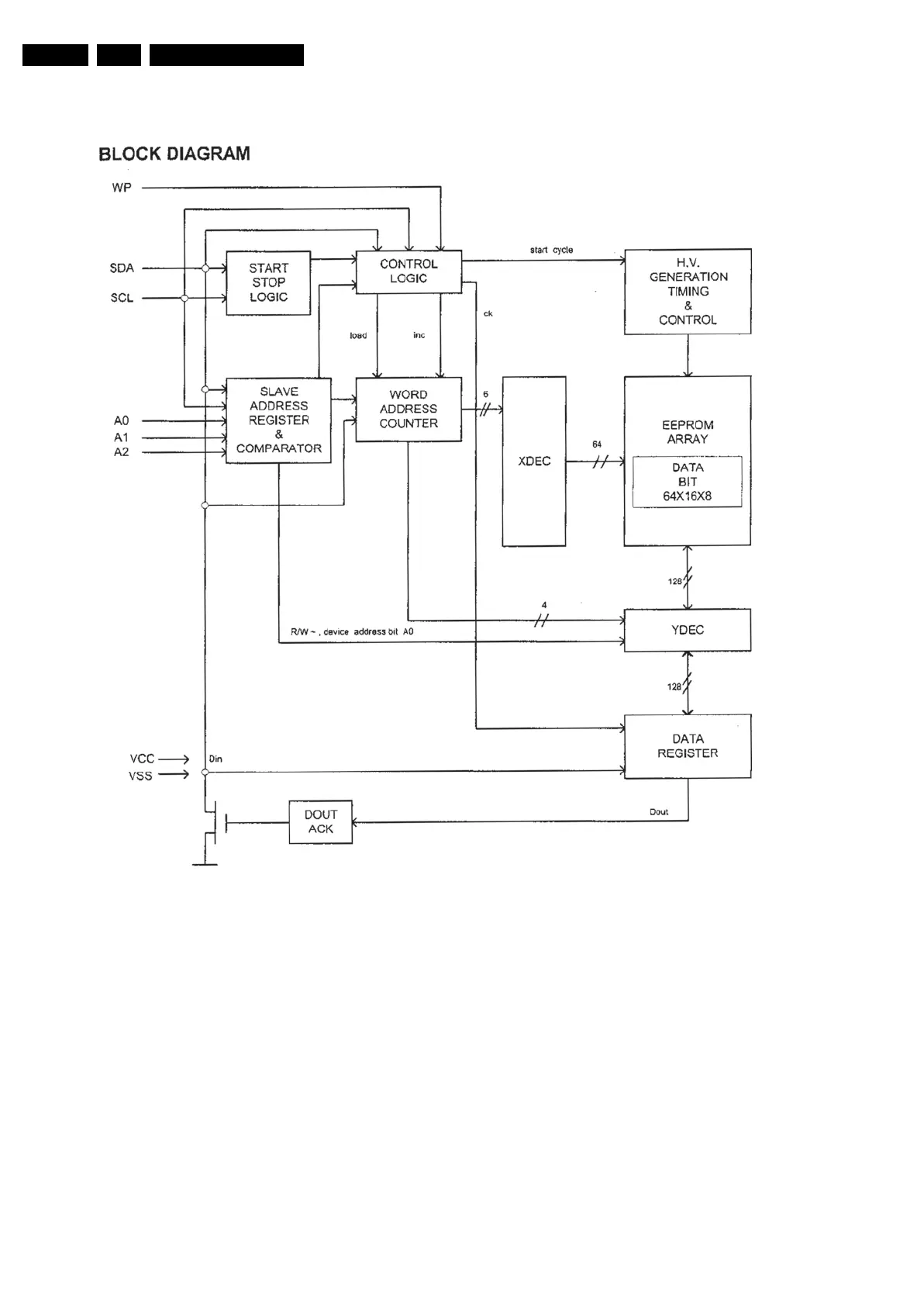
Figure 9-4 Block Diagram
H_17210_035.eps
120607

Other manuals for Philips 21PT9457

Related product manuals