EasyManua.ls Logo

Philips 21PT9457 - Diagram A8, OM837 x (IC201)

Philips 21PT9457
56 pages
Print Icon
To Next Page IconTo Next Page
To Next Page IconTo Next Page
To Previous Page IconTo Previous Page
To Previous Page IconTo Previous Page
Loading...
Circuit Descriptions, Abbreviation List, and IC Data Sheets
EN 46 SK4.0L CA9.
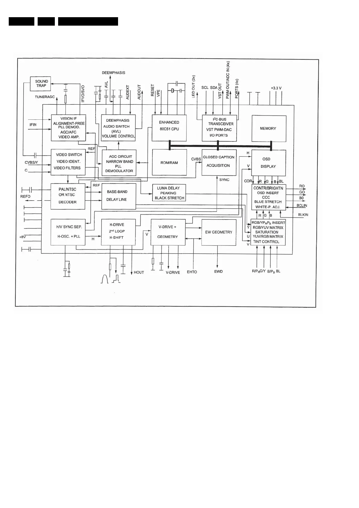
9.4.7 Diagram A8, OM837x (IC201)
Figure 9-8 Block Diagram
H_17210_034.eps
130607
Block Diagram

Other manuals for Philips 21PT9457

Related product manuals