EasyManua.ls Logo

Philips 47PFL3603D/27 - Signal Processing (Video, Audio, HDMI)

Philips 47PFL3603D/27
96 pages
Print Icon
To Next Page IconTo Next Page
To Next Page IconTo Next Page
To Previous Page IconTo Previous Page
To Previous Page IconTo Previous Page
Loading...
Circuit Descriptions, Abbreviation List, and IC Data Sheets
EN 82 LC8.1U LA9.
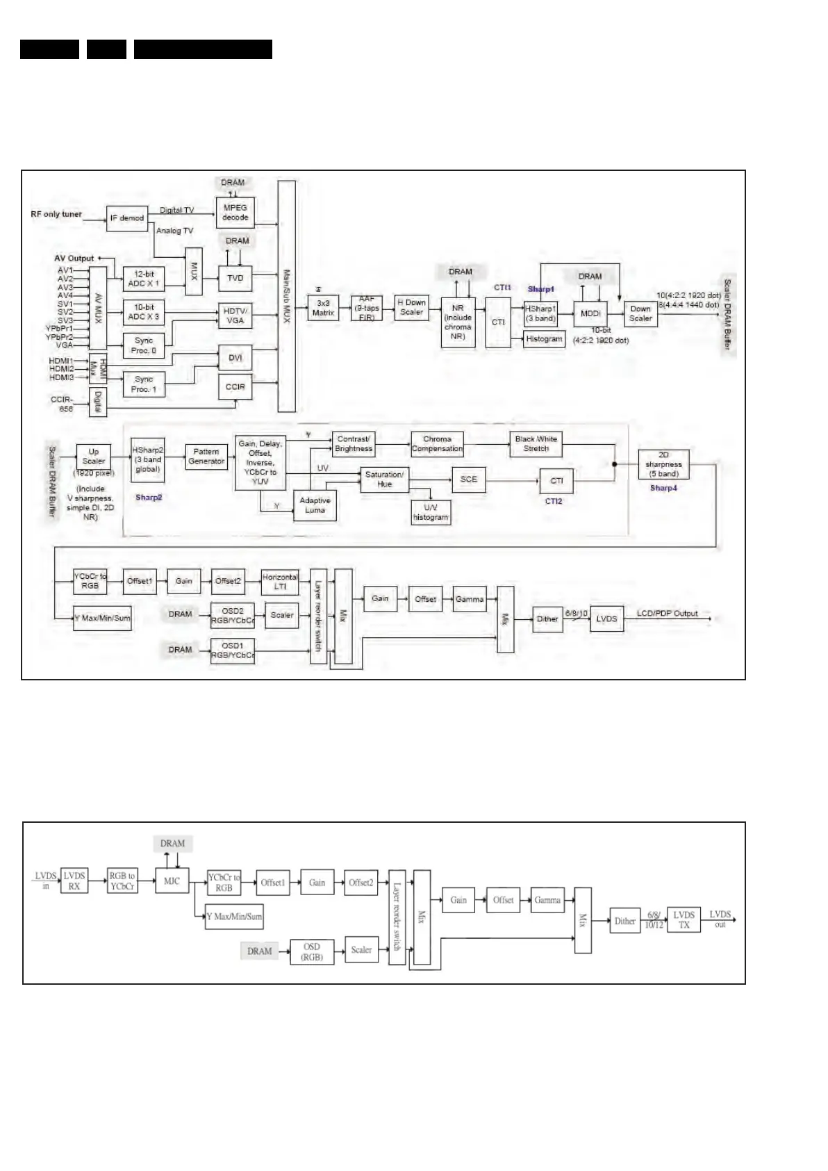
9.5 Video Processing
Both audio and video signals are processed by the MT5382
audio/video processor. Refer to diagram B4 for details.
In basic sets (sets without DNM/AmbiLight), the video signal is
fed directly to the panel via an LVDS connector. Refer to figure
“Video processing - basic sets” for details.
Figure 9-5 Video processing - basic sets
In sets which support DNM/AmbiLight, the signal coming from
the MT5382 audio/video processor is fed to the MT8280 motion
engine with double frame rate output (120 Hz). Refer to
diagram B5R and figure “Video processing - DNM+AmbiLight
using MT8280 Motion Engine)” for details.
Figure 9-6 Video processing - DNM+AmbiLight using MT8280 Motion Engine
H_17740_048.eps
250108
H_17740_049.eps
250108

Related product manuals