EasyManua.ls Logo

Philips 47PFL3603D/27 - IC Data Sheets; Pin Configuration

Philips 47PFL3603D/27
96 pages
Print Icon
To Next Page IconTo Next Page
To Next Page IconTo Next Page
To Previous Page IconTo Previous Page
To Previous Page IconTo Previous Page
Loading...
Circuit Descriptions, Abbreviation List, and IC Data Sheets
EN 91LC8.1U LA 9.
9.11 IC Data Sheets
This section shows the internal block diagrams and pin layouts
of ICs that are drawn as "black boxes" in the electrical diagrams
(with the exception of "memory" and "logic" ICs).
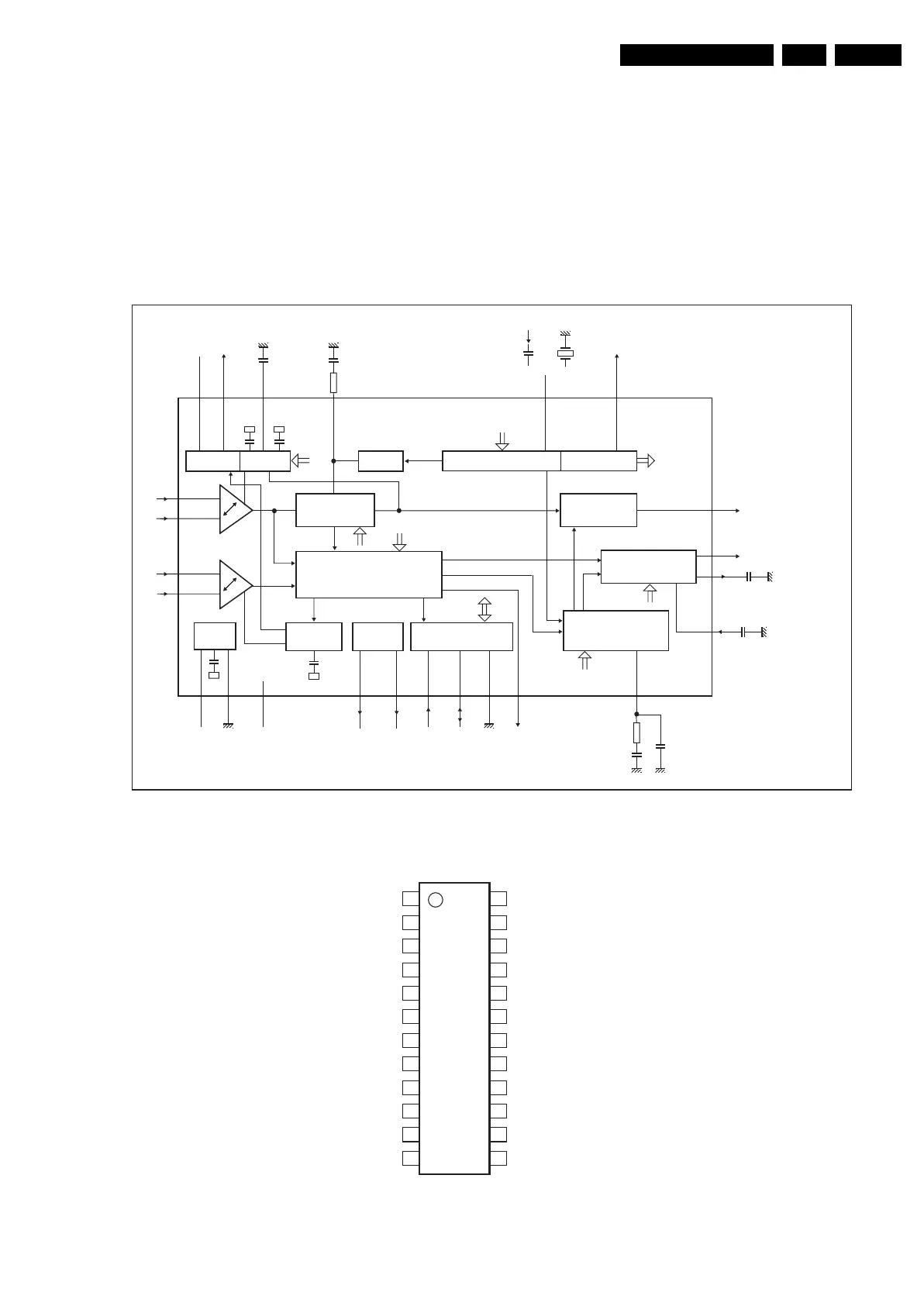
9.11.1 Diagram B2, Type TDA9886T (IC7201), Demodulator
Figure 9-12 Internal block diagram and pin configuration
Block Diagram
Pin Configuration
G_16510_059.eps
221106
TAGC
C
VAGC pos
C
BL
VIF-PLL
4 MHz
external
AFC
video output 2 V (p-p)
[1.1 V (p-p) without trap]
AUD
C
AF
de-emphasis
network
FM-PLL filter
sound intercarrier output
C
AGC
AGNDV
P
VIF1
VIF-AGC
RC VCO
DIGITAL VCO CONTROL
AFC DETECTOR
VIDEO TRAPS
4.5 to 6.5 MHz
NARROW-BAND FM-PLL
DETECTOR
I
2
C-BUS TRANSCEIVER
VIF-PLL
SINGLE REFERENCE QSS MIXER/
INTERCARRIER MIXER AND
AM-DEMODULATOR
SIF-AGC
SUPPLY
1
2
14 16
19
15
21
17
8
6
5
4
127 11
10
1820
23
24
OUTPUT
PORTS
MAD
AUDIO PROCESSING
AND SWITCHES
9
TUNER AGC
C
AGC neg
3
22
crystal
and MAD select
TDA9885
n.c.
13
LLPMFDAMOISDNGDADSLCS2PO1PO
CVBS
TOP
VIF2
SIF1
SIF2
DEEM
AFD
REF
VAGC VPLL
filter
TDA9886
(1)
(1) Not connected for TDA9885.
reference
or
TDA9885TS
TDA9886TS
1
2
3
4
5
6
7
8
9
10
11
12
VIF1
VIF2
OP1
FMPLL
DEEM
AFD
DGND
AUD
TOP
SDA
SCL
SIOMAD
SIF2
SIF1
OP2
AFC
V
P
VPLL
AGND
CVBS
VAGC
(1)
REF
TAGC
n.c.
24
23
22
21
20
19
18
17
16
15
14
13

Related product manuals