EasyManua.ls Logo

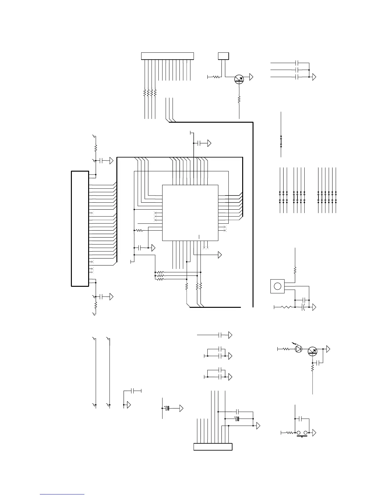
Philips BDP7500B2 - VFD Display Board Circuit Diagram

Philips BDP7500B2
55 pages
Print Icon
To Next Page IconTo Next Page
To Next Page IconTo Next Page
To Previous Page IconTo Previous Page
To Previous Page IconTo Previous Page
Loading...
SW0
1
SW1
2
SW2
3
SW3
4
DO
5
DI
6
VSS
7
CLK
8
CS
9
K0
10
K1
11
K2
12
K3
13
VDD
14
S0/K0
15
S1/K1
16
S2/K2
17
S3/K3
18
S4/K4
19
S5/K5
20
S6
21
S7
22
S8
23
S9
24
S10
25
S11/G10
26
VEE
27
S12/G9
28
S13/G8
29
S14/G7
30
S15/G6
31
G5
32
G4
33
G3
34
G2
35
G1
36
G0
37
VDD
38
LED3
39
LED2
40
LED1
41
LED0
42
VSS
43
OSC
44
U201
PT6312
R212
47K
S1
S2
S3
S4
S5
S6
S7
S8
S9
S10
S11
G1
G2
G3
G4
G6
G5
DS-DAT
DS-CLK
DS-STB
R205
2.2 1/2
SW201
SW H=5.0
A5V
VFD_CLK
VFD_DATA
VFD_STB
R222
47
1
2
3
IR201
+
CE203
100u/10
R204
2.2 1/2
R217
4K7
MCU+5V
VFD1 VFD2
R208
470
R207
470
R206
470
R211 10K
R210
10K
R209 10K
CE201
100u/10V
IR VCC
VF1
1
VF1
2
VF2
31
VF2
32
NC
4
S15
5
S14
6
NC
7
S13
8
S12
9
S11
10
S10
11
S9
12
S8
13
S7
14
S6
15
S5
16
S4
17
S3
18
S2
19
S1
20
NC
21
G1
22
G2
23
G3
24
G4
25
G5
26
G6
27
G7
28
G8
29
VFD201 20075-2A23
C206
104
S12
S13
S14
G7
G8
1
2
3
4
5
6
7
8
9
10
CN201
2.0/10P
GND
-30V
GND
MCU+5V
VF_1
VF_2
1
2
CN203
2.0/2P
Q201
8050
R218
150
MCU+5V
LED_MID
LED_MID
1
2
3
4
5
6
7
8
9
10
11
12
13
14
CN202
2.0/14P
MCU+5V
KEY_STBY
GND
GND
IR
LED_STBY
ECO_POWER
VFD_CLK
VFD_DATA
VFD_STB
C210
104
R220
22K
MCU+5V
C207 104
C216
104
C205
104
R221
4K7
Q202
8050
R219
1K
MCU+5V
LED201
LED RED
C211
104
LED_MID+
LED_MID-
ECO_POWER
A5V
C202
101
KEY_STBY
MCU+5V
R223
33
IR
Main Unit --VFD Display Board Circuit Diagram
16-1
16-1
C203
104
-30V
CE202
100u/10V
G1
G2
G3
G4
G5
G6
G7
G8
S1
S2
S3
S4
S5
S6
S7
S8
S9
S10
S11
S12
S13
S14
VF1 VF2VFD1
VFD2
-30V
C201
101
GND
GND
ECO_POWER
VF_2
JP205 0
VF_1
JP206 0
VF_2
JP207 0
A5V
JP208 0
JP209 0
JP210 0
JP211 0
JP212 0
JP213 0
-30V
GND
VFD2
VFD2
A5V
MCU+5V
KEY SW0
KEY SW1
KEY SW2
KEY SW3
KEY SW0
KEY SW1
KEY SW2
KEY SW3
C213
104
A5V
C208
104
C209
104
MCU+5V
C215
104
JP201 0
MCU+5V
JP202 0
JP203 0
LED_MID1
IR IN
IR IN
LED_STBY
VFD_CLK
VFD_DATA
VFD_STB
R213 1K
R214 1K
R215 1K
R216 1K
KEY0
KEY1
KEY2
KEY3
MCU+5V
C214
104
C212 104
C217 47P
C218 47P
VFD_CLK
VFD_DATA
GND
JP204 0
LED_MID1
JP214 0
ECO_POWER
VF_1

Other manuals for Philips BDP7500B2

Related product manuals