EasyManua.ls Logo

Philips D8714/00 - Page 29

Philips D8714/00
46 pages
Print Icon
To Next Page IconTo Next Page
To Next Page IconTo Next Page
To Previous Page IconTo Previous Page
To Previous Page IconTo Previous Page
Loading...
-
\ /
.
~
~
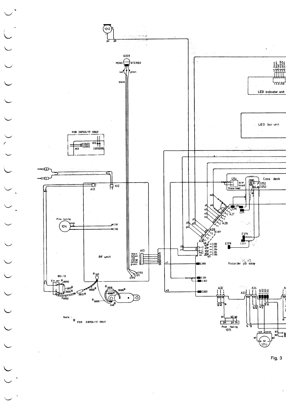
6001
MONO STEREO ~i g.~~
~ ~~~~~~
~ """
red ,oon \ black '-" 1231.56
LED indicator unit
"'--'
"'--'
[::==LED bar unit
FOR. !!!:!!!!!-'? .!!!:!:'!--
'--"
I'
"'-'
"-'
deck
AI2
V AI3 I
'-..:.,.I
"
Fin. tun'ng
'--" CI51
CIS2 A29
,{. !COOI
.. 2
I'( 'I
.' '2 '
A~" .-
"--'" q~2{ 1 C282
"-2 q3t-C283
AlO ~-I _l
r -C281.
, Al.() ... ~C281
bI_ck j 2 - .s!~4C28S
RF unit ~'."d"" J ~3 q5
o,_ngo , qi, ,; I'~
""-" yotlow q5 .1'."
9,..n q6 Recorder pb assy
2
'-'
E
A~ A3i, A:
.3 J 2 r 2 I 2 1 Nf:::::~ J ;
\ C303 '" A33""::;;:;::;::; I'
2i,
~
Not. .
.~ FOR 08703/17 ONLY
~~
~ "
~
Fig, 3
\ "
~
\ I

Related product manuals