EasyManua.ls Logo

Philips D8714/00 - Circuit Diagram

Philips D8714/00
46 pages
Print Icon
To Next Page IconTo Next Page
To Next Page IconTo Next Page
To Previous Page IconTo Previous Page
To Previous Page IconTo Previous Page
Loading...
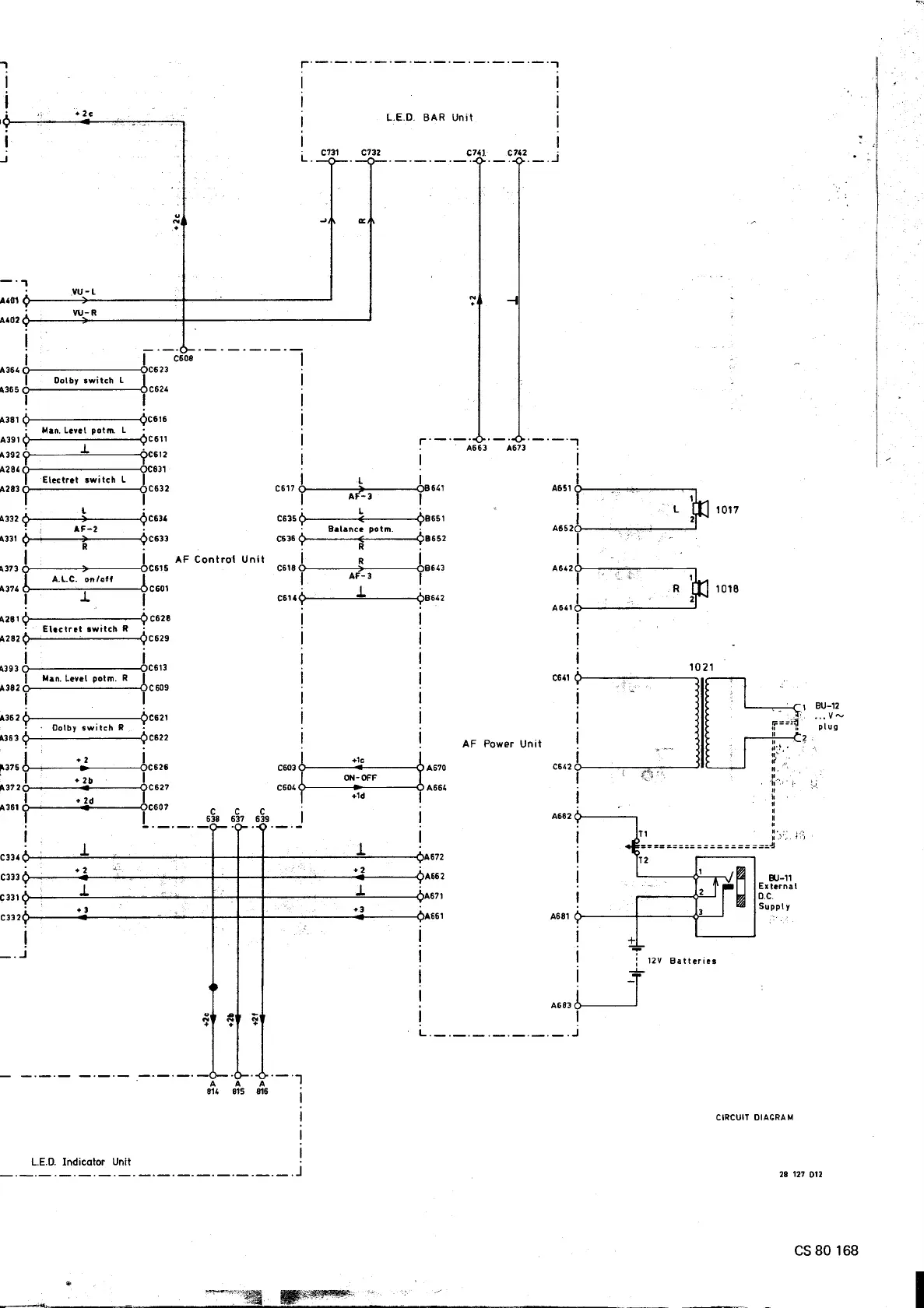
,,-,
, r' '-'-'-'-'-'-'-"
. . .
1 I I
. . .
I I
i LED BAR Uni1 i
. -
I I
.J L- C731 C732 ~7~)._~7~2.__j .
-' ~
I
VU-L
': -I
VU-R
I
i I c6o8 1
A3640 OC623 .
I Dolby switch L I I
.365 Ö - ÖC624 .
I I I
. . .
A381 c:> C:>C616 I
. Man. Lt.tl potnt L . .
A391~---;' C:>C611 I r'-'-' .-- ,
. ol. - . A663 A673 .
A392? - Cj>C612 I I I
A284Q Ç>C831 . . .
IElectrtt switch L I I L I I
A283 Q Ç>C632 C617 0 ~ OB641 A651
I I I AF-3 , I
'l - - L' . 1017
~3329 :~ - C:>C63~ C635C:> - Ë C:>B651 I
-; AF-2. . Balanco potm. - A652
.331 ~.. ~ C:>C633 C636 c:> -- ~ ' C:>B652 I
R. . R. .
I I AF Controi Unit I R I I
~373
! A.l.C: ;n /011 !C615 C618 0 ~ OB643 A642
A.l.C-on/oll I AF-3 I I
~374 C601 -.L' . 1018
I .L I C61~C:> .4. 9B642 I
. - . A641
~281~ - - C:>C628 I 1 I
- Eltctrot switch R . - . .
A282~-' : ~C629 ! ! !
I I I I I
~3930 OC613 . .
I Man. Lo.ol potm R I I I C641
A382Q ÖC609 . .
I I I I
. . .. 1 BU-12
A362~ - .. . - C:>C621 I 1 ..==~ _..V~
- Dolby switch R - - . . " , plU9
~363 A - AC622 I I
AF P Ut I
Y --: ower nl .
I + 2 I
~==:$~1C I ~375Ö ,. ÖC626 C603 A670 C642
'I +2b I ON-DFF I
A372Q . . Ç>C627 C60' A66' . " ' ",,-
I + 2d I +1d I I ::
A361 Q ..- Ç>C607 C CC' "
I I 638 637 639 I I A682 ,
. "
::.,,;. ;"
1 ====~JJ
C334 672
+2
~C333 A662 BU-11
Exttrnal
C331 671 DC
5upply
C332 A661 A681
I
_..J I. ~
: 12V Battorlos
i ~
. A683 U
~ ~ 'i' I I
+ + -
L I
- ---'-'-A A' A --'1
81' 815 816 i
I CIRCUIT DIAGRAM
I
L.E.D. Indicotor Unit !
J 28127 D12
CS 80168
~ ~-""",~ -&:~ /
I"-_'W,,"7;~ Im"'b'c.-',c. c_-- - --~

Related product manuals