EasyManua.ls Logo

Philips D8714/00 - Page 7

Philips D8714/00
46 pages
Print Icon
To Next Page IconTo Next Page
To Next Page IconTo Next Page
To Previous Page IconTo Previous Page
To Previous Page IconTo Previous Page
Loading...
(
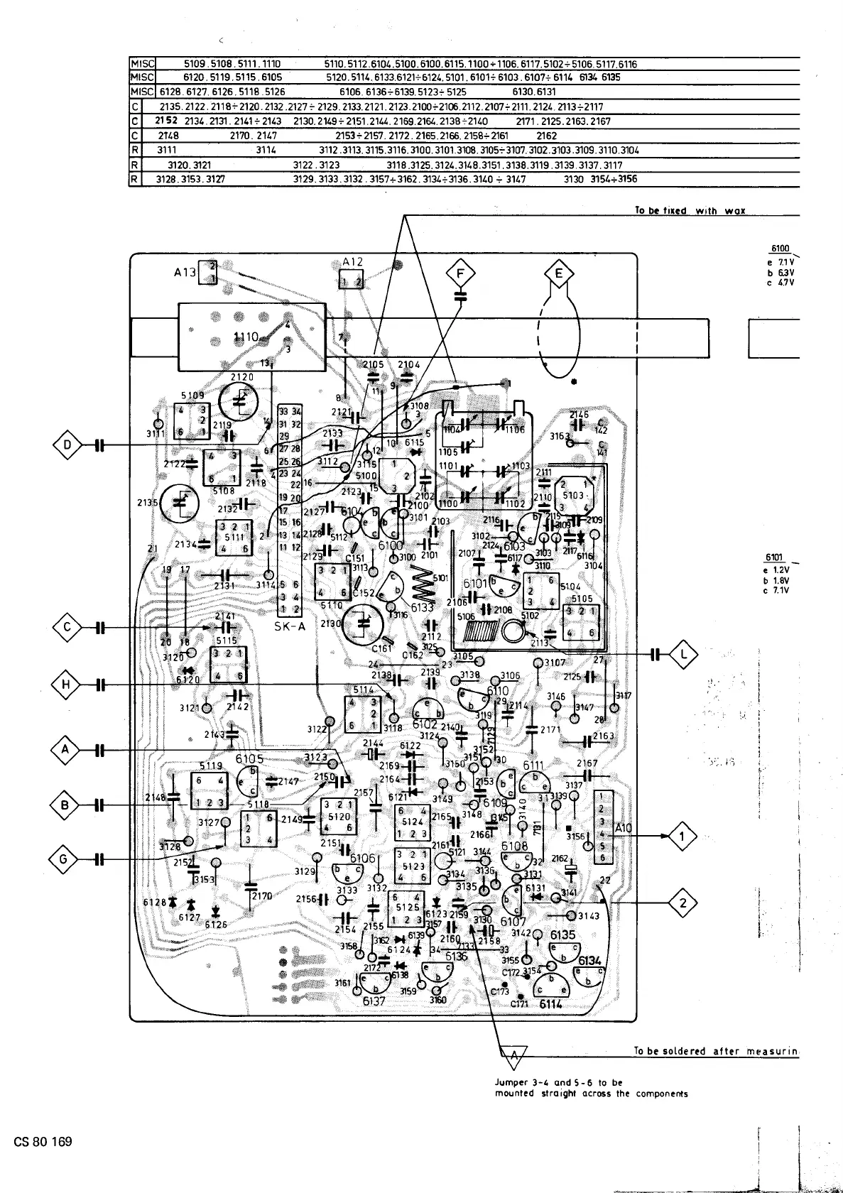
MISC 51095108 5111.1110 5110.5112.6104.5100.6100.6115.1100..1106.6117.5102+510651176116
MISC 6120.5119.51156105 5120.5114.61336121+&124.5101.6101+6103.6107+6114 &131. 6135
MISC 612861276126.5118 5126 61066136+6139.5123':-5125 6130.6131
C 2135 2122 2118+2120.2132.2127 + 2129 2133.2121.21232100+21062112.2107+21112124 2113.;-2117
C 2152 213421312141.;-2143 2130.2149+21,5121/.1.216921642138':-2140 21712125.2163.2167
C 2T48 2170.2147 2153':-21572172.21652166.2158+2161 2162
R 3111 3114 3112.3113.3115.3116.3100.310131083105';-31073102.3103.310931103104
R 3120.3121 3122.3123 3118.3125.3124.3148.3151.3138.3119 3139 3137.3117
R 31283153.3127 3129.31333132.3157.;-31623134+3136.3140';- 3147 3130 3154+3156
To be tlKed Wllh waK
6100
A'3~:Y111, , ~~'
L;f.It" " c 47V
.;.' ".,~:~::,."""" .
"iC
~
.2:!m--
e 1.2V
b 1.8V
c 7.1V
~
~
""'
~ );1', I
!
~--' ;
~ I
I
~ \.
i 1
[ .I.
i I
i' I
[,
f
To be soldered atter measurin
Jumper )-, and 5 - 6 10 be
mounted straight across the components
r I
CS80169 :
_ t . i ,
, ,;;
~~ -~_.,-t 4""""~'-'

Related product manuals