EasyManua.ls Logo

Philips D8714/00 - Page 5

Philips D8714/00
46 pages
Print Icon
To Next Page IconTo Next Page
To Next Page IconTo Next Page
To Previous Page IconTo Previous Page
To Previous Page IconTo Previous Page
Loading...
v'
~ r ,
~ . .
I I
"-' i i 1
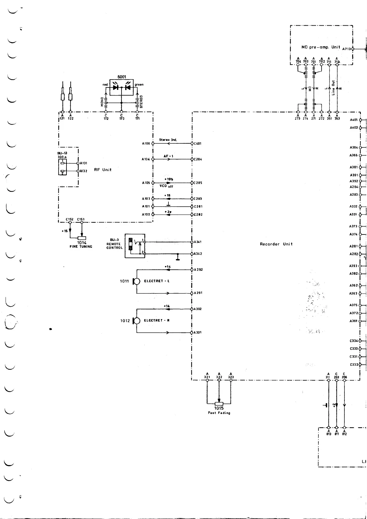
! MD pre-amp Unit A713H
"'-' IAAAAAA I t
L. 70' 703 701 702 711 71~ J.
.tJ:':p.. . .-.
~ 11 11
~~ ~' ... ~ ~ ... ~ ~
"'-' I . --I , ni, ih. " ,
.AA CC C, AAAAAA .
1'21 122 172 173 171 I I 273 274 271 272 351 353 A401
H~ . . .
I I I A402
i i i i :
. . Storoo Ind . . i
l I A106 <:> E. 9C'01 I :
'-" .. A36'O-i
BIJ-IJ I 'I I
. - AF-I. A365Q-
30~A I A10' <> ~r;o-' (>C28' I
~ A!31 .', ~ I A381
A132 RF Unit . : H
r '-19b ! A391?-j
I AIDS Q = (>C285 A392 cr>-:
~ j i VCO 011 i A28'~
. . -15 - A2839--c
I Alo3t;e (>C281 I
L! A101 ~ ~ ~C281 A332 «--ï
I A102 6 -~o OC282 A331 JJ
. C152 C151 ..
1__
1:[ ' I I . A373 0-1
l -15 I
L'---"
[i:i=:==~~=;=~ A 3 7 4
~ BU-3 I I I
1011. REMOTE A341 Recorder Uni t
E. FINE TUNING CONTROL A281
- .
V 2 . A342 A282. .
~ I I
-" . A393
1=:::-~JA 292 I i
. A382 0-1
'--' 1011 ElECrRET -l ,. !
! A" A362?-j
A29! ,I. ,.' A363 H
I i ';::.:. i
V -'4 . 'A375CH
~~~:-J A302 ',." i; 1 i
. ," A372o-;
'" I I '
(,,' 1012 ElECTRET - R . A361 U
L/ I 11
. . :; .
A301 ..\ j, I
. . l
V ! C33'
ËI C333
. .
I C331
~ ! C332:
I A A A ACC I'
. 321 322 323 311 293 356 .
"'-' 1-- m - . ._.J
1015 -I '+'
V Post Fadin9
I-.A.A.A.- -.,
"'-' i 813 811 812
I
I
I
~ L ~'~
~
V"
-~--- - '" - --- --- J

Related product manuals